EasyManua.ls Logo

Philips 42PF9731D - Platform Supply 42: Audio Left;Right (AP4)

Philips 42PF9731D
201 pages
Print Icon
To Next Page IconTo Next Page
To Next Page IconTo Next Page
To Previous Page IconTo Previous Page
To Previous Page IconTo Previous Page
Loading...
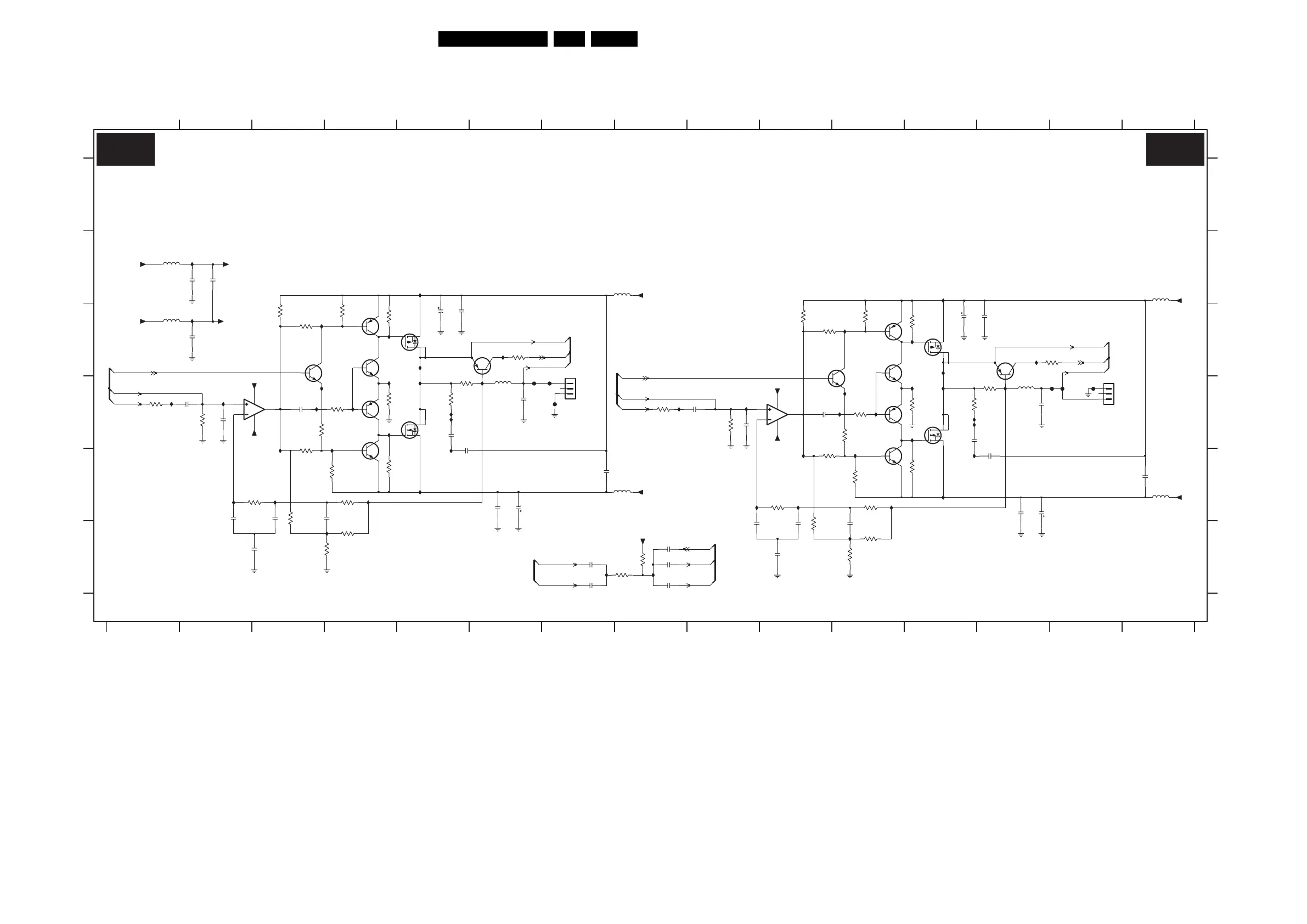
Circuit Diagrams and PWB Layouts
67BJ2.4U/BJ2.5U LA 7.
Platform Supply 42”: Audio Left/Right
2D06 C5
2D07 C5
2D08 D5
2D09 D5
2D10 D6
2D12 E6
2D13 E6
2D14 E7
12
A
B
C
D
E
F
A
B
11 12 13 14 15
123456789101112131415
C
D
E
F
1735 D14
1736 D7
2D00 D2
2D01 D2
2D02 D3
2D03 E2
2D04 E3
2D05 E3
2D16 F7
2D17 F8
2D18 F7
2D19 F8
2D20 B2
2D21 C2
2D25 D9
2D26 D9
2D27 D10
2D28 F9
2D29 F10
2D30 F11
2D31 C12
2D32 C13
2D33 D12
2D34 D13
345678910
2D35 D13
2D37 E13
2D38 E13
2D39 E15
2D40 B2
2D43 F8
2D44 F2
2D45 F10
3D01 D1
3D02 D2
3D03 C3
3D05 C3
3D06 C4
3D07 D3
3D08 D4
3D09 D3
3D10 E4
3D11 E3
3D12 E4
3D13 F4
3D14 F3
3D15 D4
3D16 C6
3D17 D5
3D18 D5
3D19 F8
3D20 F8
3D21 E3
3D22 F10
3D26 D8
3D27 D9
3D28 C10
AUDIO: LEFT / RIGHT
3D30 C10
3D31 C11
3D32 D11
3D33 D11
3D34 E10
3D35 E11
3D36 E10
3D37 E11
3D38 F11
3D39 F11
3D40 D12
3D41 C14
3D42 D13
3D43 D12
3D46 E4
3D48 E12
3D69 C4
3D70 C12
5D00 D6
5D01 B8
5D02 E8
5D05 B1
5D06 C1
5D25 D13
5D26 B15
5D27 E15
7D00-1 D3
7D00-2 D10
7D05 C3
7D06 C4
7D07 D4
7D08 D4
7D09 E4
7D10-1 C4
7D10-2 D4
7D12 C5
7D30 D11
7D31 C11
7D32 D11
7D33 D11
7D34 E11
7D35-1 C12
7D35-2 D12
7D37 C12
FD00 D7
FD01 D7
FD25 D14
FD26 D14
FD27 D6
FD28 D14
ID01 D2
ID02 F8
ID05 C3
ID06 D4
ID07 C4
ID08 D4
ID09 D4
ID10 D4
ID11 D4
ID12 E5
ID13 E4
ID14 F7
ID15 E2
ID16 F3
ID17 B5
ID18 C6
ID19 D5
ID20 D1
ID21 D5
ID22 D5
ID23 E5
ID24 E3
ID25 E10
ID27 B2
ID29 C2
ID31 D9
ID33 E10
ID34 D11
ID35 C11
ID36 D11
ID03 E3
ID04 D3
ID37 C12
ID38 D12
ID39 D11
ID40 D12
ID41 E11
ID42 E12
ID43 E11
ID45 E9
ID46 F11
ID47 B12
ID48 C13
ID49 D12
ID50 D8
ID51 D13
ID52 D12
ID53 E12
ID60 D13
ID61 D6
IDB4 C5
IDB5 C12
3D39
560R
2D30
1u0
3D38
10K
GND-SA
+12-15V
ID16
330R
3D15
ID25
BC847BW
7D07
GND-LR
ID24
470n
2D35
2D26
1n0
ID42
2D25
47n
ID48
ID35
ID47
ID13
2
1
8
4
100n
2D32
LM393PT
7D00-1
3
ID52
22K
3D08
3D09
22K
2D09
1n5
GND-SA GND-SA
1n0
2D01
22K
3D02
3D16
22K
ID46
ID34
ID45
VN
GND-LR
ID53
3D43
4R7
VN
VP
7D12
1n5
2D28
5
6
4
3
BC857BW
2
1
SI4532ADY
7D10-1
7D10-2
SI4532ADY
7
8
-12-15V
VN
10n
2D02
GND-LL
ID09
-12-15V
ID01
ID03
2D40
100n
1
2
3
GND-SA
1736
B3B-EH-A
7D09
BC817-25W
VN
BC807-25W
7D06
FD27
GND-LL
VP
GND-LL
-12-15V
7D08
BC857BW
3D07
680R
BC847BW
7D05
ID19
22u
5D00
ID17
ID07
3D17
0R1
5D26
80R
GND-SA
GND-LR
100n
2D39
560R
3D14
1u0
2D05
10K
3D13
GND-LL
GND-LL
3D40
330R
BC857BW
7D33
1n5
2D08
GND-LR
ID41
22K
3D41
7D37
BC857BW
7D35-1
SI4532ADY
5
6
4
3
3D18
2D10
470n
4R7
3K3
ID15
3D03
2D00
3D01
47n
18K
ID11
3K9
3D36
5D06
80R
ID38
ID33
ID39
2D44
100n
ID61
ID21
ID12
ID04
GND-LR
100n
GND-L
VP1
25V
2D21
2D06
1m0
5D02
80R
80R
5D01
2D14
100n
1K2
3D06
GND-SA
ID40
80R
5D27
LM393PT
7D00-2
5
6
7
8
4
IDB4
7D30
BC847BW
3D35
1K2
3D33
22K
22K
3D34
2D27
10n
GND-SA
GND-SA
33K
3D19
ID49
3D11
3K9
ID60
22K
1n5
2D04
3D30
22K
3D48 3D70
22K
22K
3D46
22K
3D69
100K
3D12
2D03
1n5
2p2
2D43
5D25
22u
3D37
100K
8
2
1
SI4532ADY
7D35-2
7
2D17
1p0
ID05
GND-LR
25V1m0
2D31
ID08
100n
2D20
GND-L
80R
5D05
ID51
GND-LL
1K2
3D10
ID23
ID18
ID22
ID50
ID20
ID31
+12-15V
100n
2D45
2D29
1n5
25V 1m0
2D13
FD00
ID10
0R1
3D42
GND-LL
22K
3D20
1p0
2D19
2D18
2p2
2p2
2D16
ID37
3D31
1K2
FD28
IDB5
2D38
1m025V
ID06
ID36
1n5
2D34
7D32
BC847BW
3D32
GND-LR
680R
2D37
100n
2D12
100n
ID43
2
3
VP
FD26
B3B-EH-A
1735
1
BC817-25W
7D34
7D31
BC807-25W
ID02
FD25
ID14
2D33
1n5
3D22
470K
3D21
470K
3K3
3D28
3D27
22K
22K
3D05
ID27
3D26
18K
100n
2D07
ID29
FD01
FEEDBACK-L
FEEDBACK-R
IN-L
IN-R
INV-MUTE
RIGHT-SPEAKER
FEEDBACK-L
AUDIO-R
MUTE
CPROT
IN-R
FEEDBACK-R
AUDIO-L
IN-L
MUTE
CPROT
LEFT-SPEAKER
3104 313 6108.4
G_15990_076.eps
080506
AP4 AP4

Table of Contents

Other manuals for Philips 42PF9731D

Related product manuals