EasyManua.ls Logo

Philips 42PF9731D - Supply Distribution: POD STDBY Mode

Philips 42PF9731D
201 pages
Print Icon
To Next Page IconTo Next Page
To Next Page IconTo Next Page
To Previous Page IconTo Previous Page
To Previous Page IconTo Previous Page
Loading...
Circuit Descriptions, Abbreviation List, and IC Data Sheets
EN 155BJ2.4U/BJ2.5U LA 9.
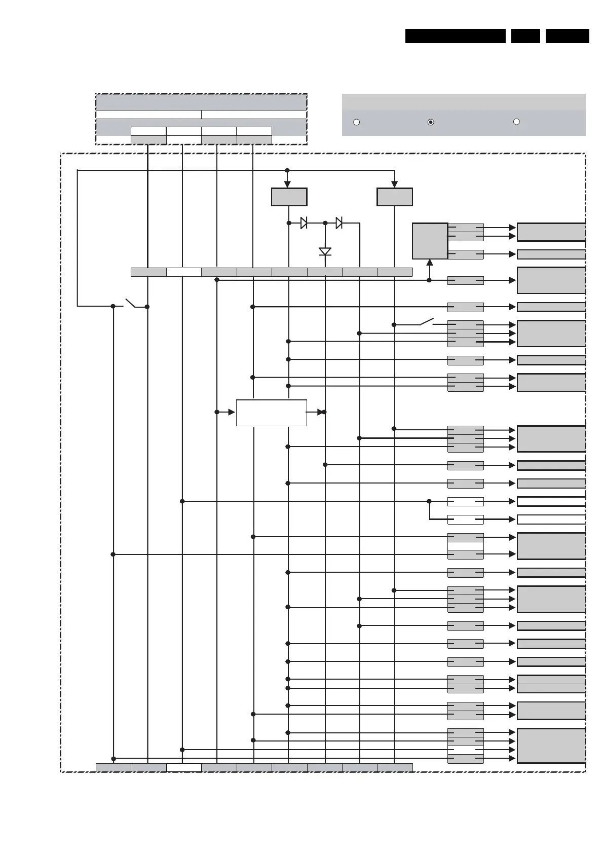
Figure 9-6 Supply distribution: POD STDBY Mode (mentioned values are indicative)
d.c. power:
10.78 (W)
a.c. power:
15.40 (W)
+12VS +8V6 +5V2 +5V
power
8.48 0.00 0.35 1.91
(W)
DC-DC DC-DC
12V/3.3V 12V/1.2V
(mA)
30
18
10
Serial Flash
(mA) 707 0 67 375 1266 100 298 433
9
+12V switch
144
Splitter +OOB tuner
53
120
16
24
STV701
760
190
85
70
100
DD
R
1
NAND Flash
0
Tuner
0
IF amplifier
200
50
28
HDMI
190
85
70
8
DD
R
80
MOP
17
Ethernet
10
1394 Link
50
1394 Physical
130
0
10
31
0
50
V +3V3 +2V5D +2V5 +1V2
Stdb uP
(PNX2015)
SSB
1.2V
and
3.3V
stabilizers
Audio + I/O
Viper2
PNX3000
PNX2015
USB 2.0
+2V5D stabilizer
NXT2003
CAM
LEDs + IR sensor
(outside SSB)
STDBY POD STDBY
ON
F_15400_007.eps
100505
Main Supply
SUPPLY DISTRIBUTION IN POD MODE
+12VSW +12VS +8V6 +5V2 +5

Table of Contents

Other manuals for Philips 42PF9731D

Related product manuals