EasyManua.ls Logo

Philips 42PF9731D - Hdmi; Inputs; Usb

Philips 42PF9731D
201 pages
Print Icon
To Next Page IconTo Next Page
To Next Page IconTo Next Page
To Previous Page IconTo Previous Page
To Previous Page IconTo Previous Page
Loading...
Circuit Descriptions, Abbreviation List, and IC Data Sheets
EN 157BJ2.4U/BJ2.5U LA 9.
9.3 Inputs
9.3.1 USB
These chassis have different USB specifications:
Top and step styling (chassis BJ2.5 and BJ2.4) features
USB2.0. This USB version is hosted by a separate IC
(7N00) which communicates with the VIPER via a PCI bus.
Entry styling (chassis BJ2.5) features USB1.1. This USB
version is hosted directly by the VIPER.
Each USB port has four lines:
1. 5V (red).
2. D- (white).
3. D+ (green).
4. GND (black).
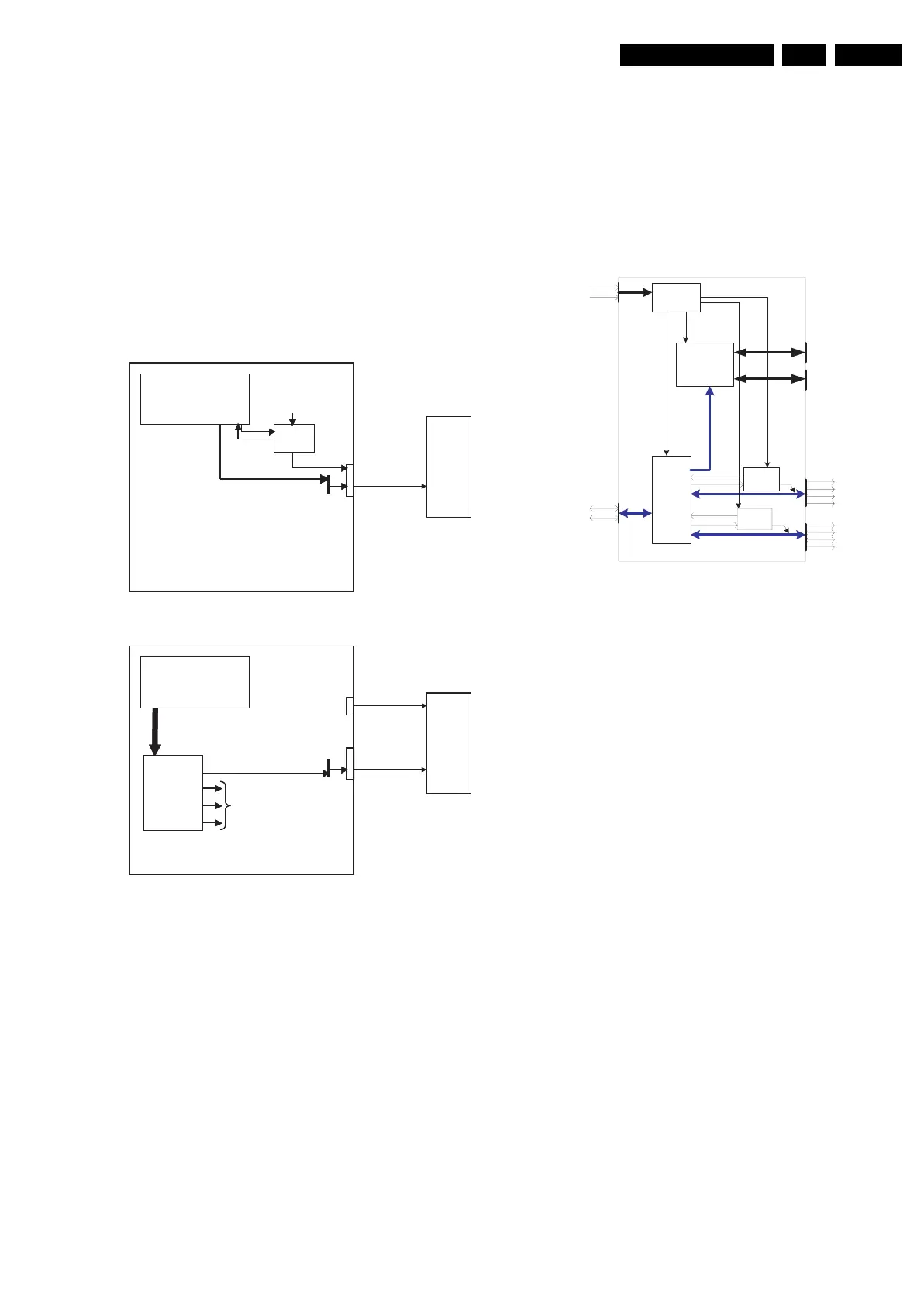
Figure 9-8 USB configurations
USB1.1
The USB1.1 is a hardware block in the VIPER. There are two
USB ports. Each port has a D+ and D- line; this is the
differential signal path for USB. There is also one over-current
detect and power enable line that is used for both ports (these
lines are controlled by VIPER).
A tandem USB connector is mounted on the SSB, on which you
can connect two USB devices; one device will be the SCM
digital media card-reader. Only USB mass storage class device
is supported, so other USB devices (card-readers) have to be
compliant with this class.
The host (= SSB) needs to provide the power supply to the
attached devices (like memory cards or other USB devices).
Since it is not known what the customer will attach (e.g. a USB
hub with multiple USB devices), and these USB devices draw
current from the SSB, these supply lines must be protected
against over-current and/or too many connected devices.
This is controlled by the VIPER via the USB_OVERCUR line
(see diagram B5A): when more then 500 mA per channel is
drawn from the USB ports, the protection becomes active (=
"high").
During stand-by, when there is no +5V available (and VIPER is
not active), the USB port does not work. This is controlled by
the VIPER via the USB_BUS_PW line (see diagram B5A),
which switches the 5V input to the outputs of IC7Q01.
USB2.0
Figure 9-9 Multimedia card reader assy
9.3.2 HDMI
Introduction
Note: Text below is an excerpt from the ”HDMI Specification”
that is issued by the HDMI founders (see http://www.hdmi.org).
This High-Definition Multimedia Interface is developed for
transmitting digital television audiovisual signals from DVD
players, set-top boxes and other audiovisual sources to
television sets, projectors and other video displays.
HDMI can carry high quality multi-channel audio data and can
carry all standard and high-definition consumer electronics
video formats. Content protection technology is available.
HDMI can also carry control and status information in both
directions.
As shown in the HDMI block diagram, the HDMI connector
carries four differential pairs that make up the TMDS
(Transition Minimized Differential Signalling) data and clock
channels. These channels are used to carry video, audio, and
auxiliary data. In addition, HDMI carries a VESA DDC channel.
The DDC is used for configuration and status exchange
between a single source device and a single sink device.
VIPER
USB A
conn
Card
Reader
USB
cable
USB 1.1
HOST
5V
Current
limiter
VIPER
conn
Card
Reader
USB
cable
USB 1.1
HOST
5V
Current
limiter
USB 1.1
EN
OC
ISP1561
Card
Reader
USB
cable
power
cable
VIPER
PCI
USB 2.0
HOST
Not used
USB A
conn
Card
Reader
USB
cable
5V
power
cable
USB 2.0
F_15400_108.eps
250505
USB 2.0 slot A
POWER
+5V
GND
USB 2.0
D+
D-
USB
2.0
HUB
media
interface
SUPPLY
protec
tion
prote
ction
5
V
5
V
enable
overcurrent
overcurrent
enable
Card slot 0
Card slot 1
CF I, CFII, MD
MS, MSpro, SD,
MMC, SM, xD
USB 2.0 slot B
+5V
D -
D +
GND
+5V
D -
D +
GND
USB
2.0
USB 2.0
USB 2.0
USB
2.0
Cardreader USB 2.0
F_15400_109.eps
180505

Table of Contents

Other manuals for Philips 42PF9731D

Related product manuals