EasyManua.ls Logo

Philips 42PF9731D - Teletext Operations; Selecting Teletext Pages; Previous Teletext Page; TOP Teletext Broadcasts

Philips 42PF9731D
201 pages
Print Icon
To Next Page IconTo Next Page
To Next Page IconTo Next Page
To Previous Page IconTo Previous Page
To Previous Page IconTo Previous Page
Loading...
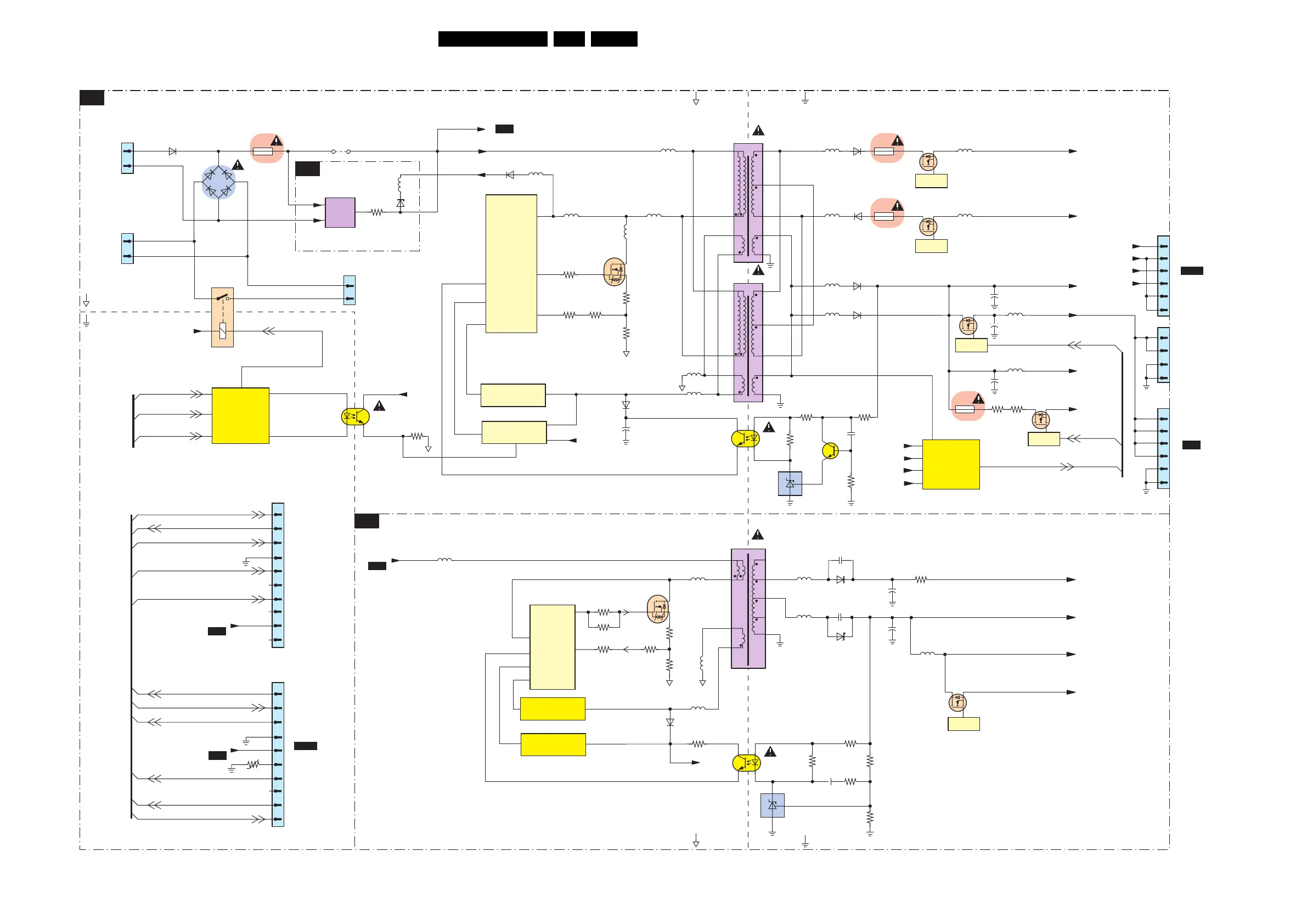
Block Diagrams, Test Point Overviews, and Waveforms
43BJ2.4U/BJ2.5U LA 6.
Block Diagram Display Supply 42” Top
STANDBY
AP2
MAINS FILTER + STANDBY
AP1
PLATFORM SUPPLY 42”
FILTER
AP3
6P05
GBL06
-
+
7P27
TEA1506AT
2
SPMS
CONTROL
VCC
DRIVER
DRAIN
14
11
6
8
+400V-F
9
10
HOT GROUND COLD GROUND
SPMS
CONTROL
7S10
TEA1533AT/N1
+25VLP
+5V2-NF
+5V_SW
G_15910_004.eps
220606
6
1P03
F1A
+12-15V
6S12
6S07
5S05
5S10
3108
3S17
3S29
1P06
T5A
3
5S00
6
7
10
8
5
2
1
7S03
TCET1102
2
14
3
7S02
STP6NK60
5P10
5P20
5
7P02
STP6NK607
5P06
3
2
1
3P50
9
INSENSE
3P33
3P27
3P04
3P16
CTRL
7P16
K
A
R
7P11
2
14
3
RC FOR
DEMAGNETIZATION
7
DEM
SUPPLY FOR
CONTROLLER
+AUX
7P26
+400V-F
DRIVER
11
DRAIN
14
5S09
ISENSE
9
3S30
RC FOR
DEMAGNETIZATION
DEM
7
5S01
6
CTRL
3S36
9
5S03
2S13
2S50
+
3S28
3S23
Feedback
Circuit
7S04
K
A
R
2S07
3S19
7S31
5S12
6S01
2S41
+
STANDBY
5P00
SUPPLY FOR
CONTROLLER
7107
2
VCC
+AUX
1P22
1
2
6P06 6P10
7P20
STANDBY
6
8
9
10
2
1
5P01
7
7
5
3
5P05
5P03
5PO7
5P04
5P26
6P27
2P06
+
-12-15V
1P07
T5A
5P11
5P19
6P13
7P23
STANDBY
+12V_NF
5P12
6P11
+12VAL
5P09
5P13
6P12
+12V
5P16
2P48
+
2P50
+
2P49
+
1P30
T5A
7P18
AL-OFF
+8V6
3P57
3P58
3P62
3P61 3P49
7P09
2P12
3P12
1M03
7
1
4
2
3
5
6
10
8
9
DIM_CONTROL
POWER-OK-PLATFORM
ON-OFF
BOOST
POWER-GOOD
STANDBY
+5V-SW
3P56
+T
7P12
2
14
3
3P13
STANDBY
ON-OFF
AUDIO-PROT
CONTROL
+AUX
HOT GROUND
COLD GROUND
HOT GROUND
COLD GROUND
3S22
3S50
2S04
3S21
3S14
3S24
+5V2
5S11
1P10
7
1
4
2
3
5
6
10
8
9
DIM_CONTROL
POWER-GOOD
ON-OFF
STANDBY
POWER OK
+12V_NF
+8V6
+5V_SW
+5V2
POWER-OK-PLATFORM
AL-OFF
BOOST
+5V-SW
FROM 1P02
DISPLAY
SUPPLY
1M18
3
1
2
4
1M46
4
11
7
9
5
3
+8V6
+12V
+5V-SW
+5V2
FROM 1P22
DISPLAY
SUPPLY
1
4
3
2
1P02
2
1
AP1
+400V-F
AP2
AP2
AP2
1P17
12
34
AL-OFF
+5V2-NF
1P16
2
1
RES
1M10
2
6
4
5
3
1
AL
TO 1M10
AMBI LIGHT
B1B
TO 1M46
SSB
(BJ3.0)
B5E
TO 1M03
SSB
(BJ3.0)
TO 1P10
DISPLAY
SUPPLY
9P63
+DC-F
-DC-F
5F00
FILTER
RES
3F04
6F00
5F02
V-CLAMP
5P25
6P02
(Only FJ3.0)
7P14
STANDBY
STANDBY
RES

Table of Contents

Other manuals for Philips 42PF9731D

Related product manuals