EasyManua.ls Logo

Philips 42PF9731D - Page 84

Philips 42PF9731D
201 pages
Print Icon
To Next Page IconTo Next Page
To Next Page IconTo Next Page
To Previous Page IconTo Previous Page
To Previous Page IconTo Previous Page
Loading...
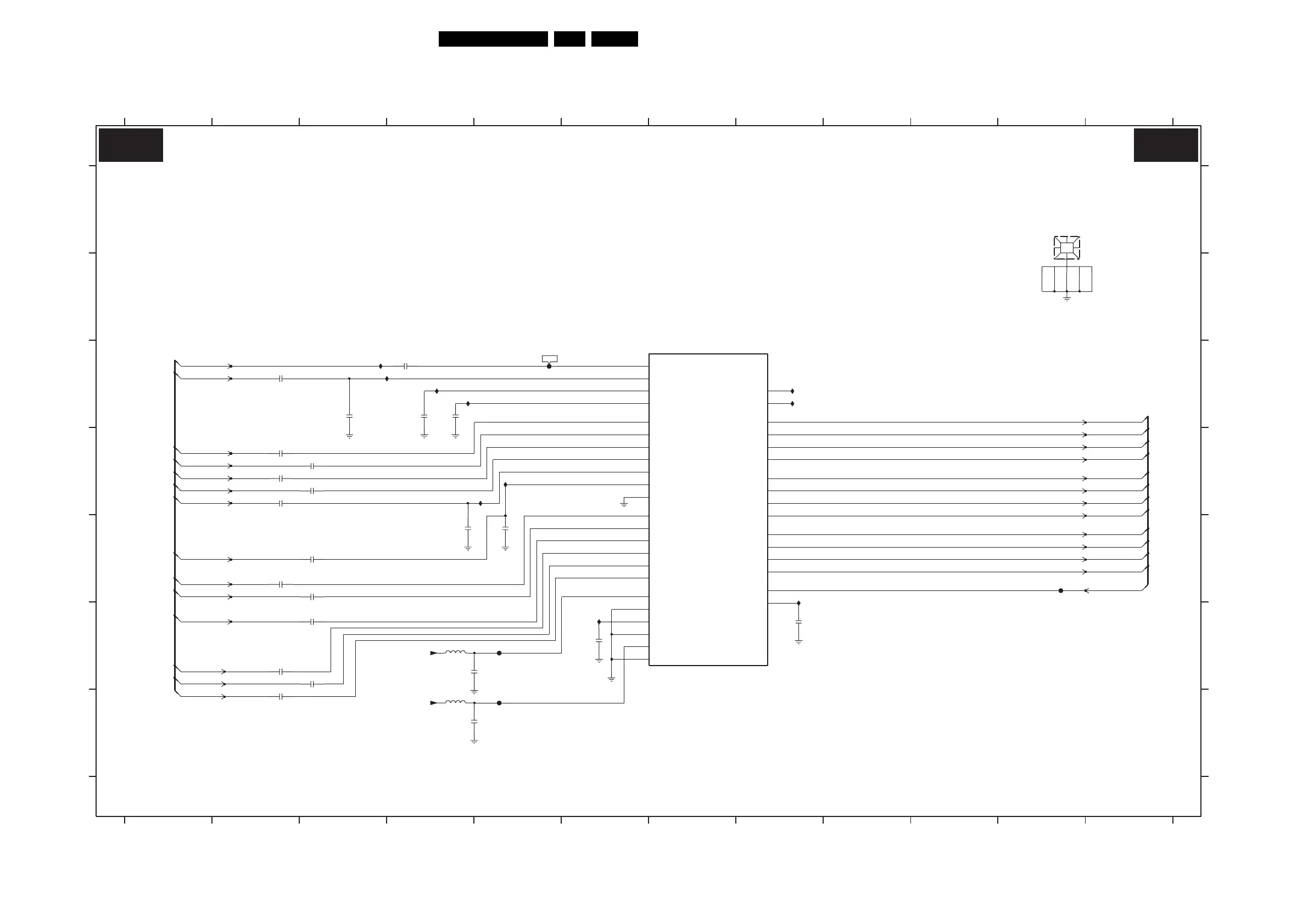
84BJ2.4U/BJ2.5U LA 7.
Circuit Diagrams and PWB Layouts
SSB: MPIF Main: Video Source Selection
CVBS1
CVBS_IF
GND_I2D
CVBS|Y4
C4
Y_COMB
C_COMB
GND_VSW
R|PR|V_1
G|Y|Y_1
B|PB|U_1
R|PR|V_2
STROBE1N
STROBE1P
DATA1N
DATA1P
CVBS_OUTA
G|Y|Y_2
B|PB|U_2
VCC_DIG
GND_DIG
VD2V5
FUSE10
VCC_I2D
CVBS_OUTB
STROBE3N
STROBE3P
DATA3N
DATA3P
STROBE2N
STROBE2P
DATA2N
DATA2P
CVBS|Y3
HV_SEC
HV_PRIM
C3
CVBS_DTV
CVBS2
G
F
E
2
A
5
RES
IC11 C8
IC12 C82C17 F3
2C18 F2
2C19 F3
234567
2C12 E4
2C13 E5
2C14 E3 2C16 E3
2C15 E2
RES
IC02 C4
IC04 F6
IC05 E8
IC06 C4
IC07 C4
IC08 D5
8 9 10 11 12
1
2C03 C2
2C04 C4
2C05 C3
2C06 D2
2C07 D3
2C08 D2
8
RES
13 6
MPIF MAIN: VIDEO SOURCE SELECTION
47
7C00-4 C7
FC02 C5
FC03 F5
IC09 D5
IC10 C3
B
C
2C22 F6
2C23 F8
2C27 F4 5C01 F4
5C03 G42C20 G2
12
B
2C02 C4
DD
A
2C01 C4
C
91011
E
F
G
0T00 A11
2C09 D3
2C11 D2
FC04 E11
FC06 G5
2C28 G4
22n
2C09
22n
2C01
5C01
220R
22n
2C19
FC02
22n
2C04
FC03
2C06
FC04
47
15
22n
45
25
30
60
61
55
56
50
51
49
64
58
52
53
54
26
31
48
59
6
46
123
126
119
2212
4
8
62
63
57
SOURCE SELECT
AND DATA LINK
27
32
5
9
16
IC04
PNX3000HL/N2
7C00-4
22n
2C18
IC06
22n
2C03
100n
2C28
22n
2C07
22n
2C02
22n
2C22
0T00
22n
2C16
2C11
22n
100n
2C27
IC09
220R
5C03
2C05
22n
IC10
2C08
22n
22n
2C23
FC06
IC12
22n
2C20
IC07
22n
2C12
22n
2C14
22n
2C13
IC11
IC02
IC08
IC05
22n
2C15
2C17
22n
AV1_CVBS
CVBSOUTIF-MAIN
AV1-AV5-AV6_B-PB
AV1-AV5-AV6_G-Y
AV1-AV5-AV6_R-PR
AV7_Y-CVBS
FRONT_C
AV2_C
AV2_Y-CVBS
AV2-AV4_B-PB
AV2-AV4_G-Y
AV2-AV4_R-PR
HV-PRM-MAIN
STROBE1N-MAIN
DATA1N-MAIN
STROBE3N-MAIN
DATA3N-MAIN
STROBE2P-MAIN
DATA2N-MAIN
FRONT_Y-CVBS
DATA1P-MAIN
DATA2P-MAIN
DATA3P-MAIN
STROBE1P-MAIN
STROBE2N-MAIN
STROBE3P-MAIN
+5VMPIF-MAIN
+5VMPIF-MAIN
AV7_C
B3A B3A
3104 313 6145.2
G_15930_024.eps
120606

Table of Contents

Other manuals for Philips 42PF9731D

Related product manuals