EasyManua.ls Logo

Philips 42PF9731D - Page 97

Philips 42PF9731D
201 pages
Print Icon
To Next Page IconTo Next Page
To Next Page IconTo Next Page
To Previous Page IconTo Previous Page
To Previous Page IconTo Previous Page
Loading...
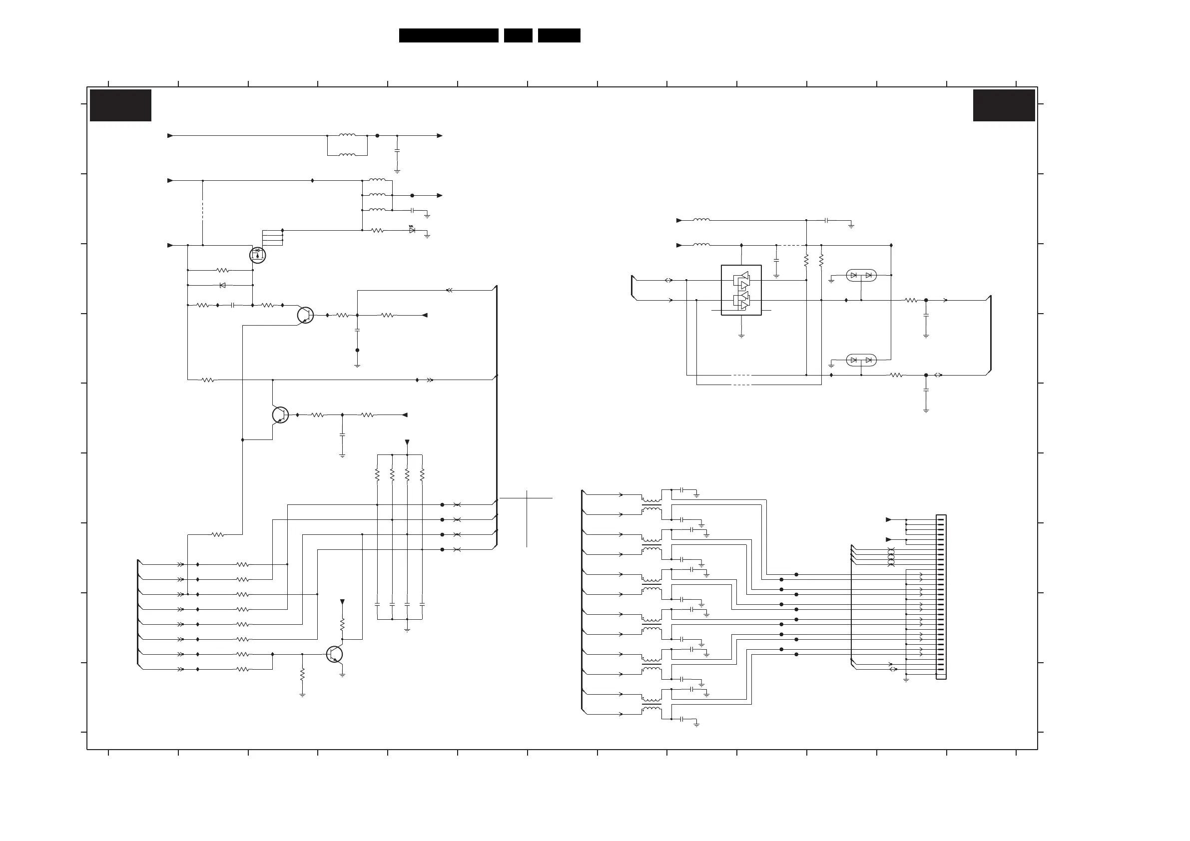
Circuit Diagrams and PWB Layouts
97BJ2.4U/BJ2.5U LA 7.
SSB: PNX2015: Display Interface
3J31 C10
3J32 C11
3J42 F4
3J43 F5
3J44 F5
3J47 H2
3J49 G2
3J50 H2
0V
13
1234567
VDISP-SWITCH
2J47 H9
3J91 G2
8 9 10 11
FHP
SDI
3J25 C3
3J26 D2
3J28-1 E4
3J28-2 E3
3J28-3 C4
3J28-4 C4
3J99 C2
3LQ7 C12
3LQ8 D12
5J08 A4
5J09 A4
5J10 B4
5J11 B4
5J12 B4
5J50 F8
5J52 G8
5J54 G8
3J92 C2
11 12
RESET
2J48 H9
2J49 I9
2J57 D4
2J60 C10
2J64 H5
2J66 E4
2J67 D12
2J68 E12
2J69 H5
2J70 H5
2J71 B5
2J72 I9
2J73 I9
2J74 A5
(PDP-GO)
3J51 H2
3J52 H4
3J53 H2
3J55 I2
3J56 I3
3J86 B4
3J88 F5
C
D
E
F
G
H
I
1G50 F12
2J37 H4
2J40 F9
2J41 F9
2J42 G9
2J43 G9
2J44 G9
IJ22 H2
IJ23 H2
IJ24 H2
IJ50 E3
IJ51 E3
IJ61 B12
IJ67 B3
IJ68 C4
IJ69 D4
IJ70 C3
IJ71 I2
IJ72 E4
IJ73 D5
IJ81 H3
(CPU-GO)
3J24 G2
FJ23 G10
IJ19 G2
IJ20 G2
FJ25 G10
FJ26 H10
3J23 G2
10
LVDS
PNX 2015: DISPLAY INTERFACE
(PDWIN)
5J56 H8
5J58 I8
5J60 I8
5J82 B9
5J85 B9
6J01 C2
6J03 C11
6J04 D11
6J06 B5
7J04 C9
7J06 B3
7J07-1 E3
CONNECTOR
2J46 H9
B
7J09 I3
9J15 C10
9J16 D10
9J17 D10
9J18 B2
FJ09 G5
FJ10 G5
FJ11 F5
FJ12 F5
FJ13 B5
FJ14 A4
FJ15 C12
FJ28 H10
FJ29 H10
FJ30 H10
FJ27 H10
(IRQ)
I2C-BUFFER *
2J75 B11
2J76 C2
9
IJ21 H2
FJ33 D4
FJ36 H10
FJ37 H10
IJ10 B10
IJ12 C11
IJ13 D11
IJ15 C2
IJ16 C3
IJ18 G2
FJ24 G10
7J07-2 D3
12 13
A
B
C
2J45 H9
A
FJ16 D12
D
E
F
G
H
I
12345678
FJ31 H10
FJ32 H10
IJ14 B4
VDISP2
FJ11
RES
4K7
3J31
7J09
BC847BW
FJ16
5J09
220R
47R
3J23
RES
RES
6J06
SML-310
100n
2J57
IJ50
IJ72
IJ51
100n
2J71
FJ31
FJ36
45
10K
3J28-4
2J66
100n
22K
3J26
7J07-2
BC847BS
5
3
4
9J18
4K7
3J52
RES
220R
5J08
VDISP2
RES
100K
3J53
IJ12
RES
7J06
SI3441BDV
47R
3J43
2J46
10p
2J49
10p
1
2
4
3
FJ33
5J54
DLW21S
18
27
10K
3J28-1
36
10K
3J28-2
10K
3J28-3
+3V3
IJ21
10p
2J47
2J64
1n0
100R
3LQ7
3J92
47K
9J17
2J60
100n
RES
9J16
RES
2J75
100n
+3V3
FJ24
IJ81
3J56
100K
3J99
IJ13
47R
FJ28
+5V2-STBY
IJ20
VDISP
10p
2J44
IJ16
IJ19
1K0
IJ24
3J86
IJ14
3J51
47R
IJ69
100p
2J68
IJ68
FJ37
+3V3
1n0
2J37
FJ26
2J41
10p
1
2
4
3
IJ23
DLW21S
5J50
IJ22
3J25
47K
+12VSW
FJ23
+3V3
IJ67
1u0
2J76
100R
3J49
IJ73
FJ30
+3V3-STANDBY
SCL0 7SCL1
3 SDA0 6SDA1
8
VCC
5EN
4
GND
1
NC
2
FJ12
RES
PCA9515DP
7J04
FJ29
FJ27
47R
3J50RES
DLW21S
1
2
4
3
FJ14
5J56
BZX384-C5V6
6J01
3J32
4K7
RES
+5VDISP
RES
47R
3J44
5J10
220R
3
10p
2J48
DLW21S
1
2
4
7J07-1
2
6
1
5J52
BC847BS
220R
RES
9J15
5J12
VDISP
RES
5J85
30R
30R
5J82
IJ15
2J70
1n0
RES
IJ61
100K
3J55
100R
3J91
DLW21S
1
2
4
3
47R
5J60
RES
3J42
RES
6J04
BAV99 COL
FJ13
+3V3
5J11
220R
FJ25
10p
2J40
IJ70
1n0
2J69
10p
2J73
47R
IJ10
RES
3J47
2J45
10p
IJ71
FJ15
3J88
10K
FJ32
10p
2J43
FJ10
2J72
10p
RES
3J24
47R
3LQ8
100R
1
2
4
3
2J42
10p
5J58
DLW21S
2J67
100p
FJ09
7
8
9
32
33
IJ18
26
27
28
29
3
30
31
4
5
6
16
17
18
19
2
20
21
22
23
24
25
FI-WE31P-HFE-E1500
1G50
1
10
11
12
13
14
15
RES
BAV99 COL
6J03
100n
ENABLE-5V
CTRL4-VIPER
DISABLE-12V
RES
2J74
CTRL1-STBY
CTRL4-STBY
POD-MODE
ON-MODE
CTRL-DISP4
CTRL-DISP1
CTRL-DISP2
CTRL-DISP3
CTRL-DISP2
CTRL-DISP3
CTRL-DISP4
SCL-I2C4-DISP
SDA-I2C4-DISP
CTRL1-VIPER
CTRL2-VIPER
CTRL3-STBY
SCL-I2C4
SDA-I2C4
SDA-I2C4-DISP
SCL-I2C4-DISP
CTRL-DISP1
TXPNXA+
TXPNXA-
TXPNXB+
TXPNXB-
TXPNXC+
TXPNXC-
TXPNXCLK+
TXPNXCLK-
TXPNXD+
TXPNXD-
TXPNXE+
TXPNXE-
B4G B4G
3104 313 6145.2
G_15930_037.eps
120606

Table of Contents

Other manuals for Philips 42PF9731D

Related product manuals