EasyManua.ls Logo

Philips JL2.1E - Page 152

Philips JL2.1E
254 pages
Print Icon
To Next Page IconTo Next Page
To Next Page IconTo Next Page
To Previous Page IconTo Previous Page
To Previous Page IconTo Previous Page
Loading...
152JL2.1E AA 7.
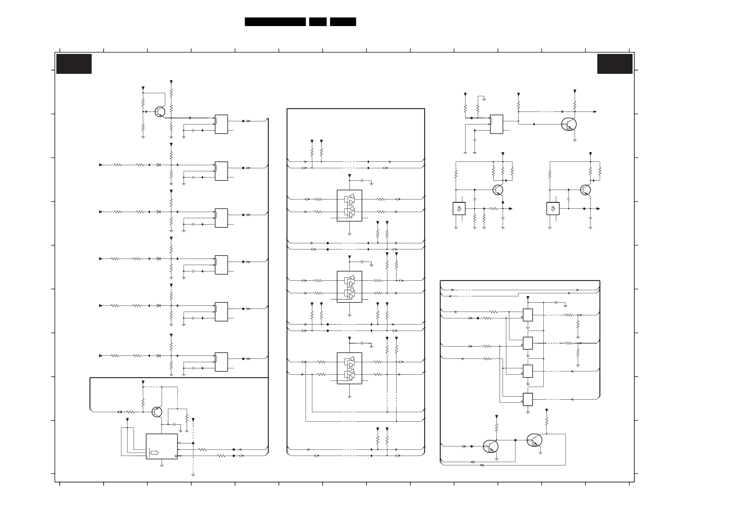
Circuit Diagrams and PWB Layouts
SSB (v3): UART Switch / Stby Supply / Voltage Detect / I
2
C
NCNC
A
REF
K
NC
GND
RST
IN
CD
NC
GND
RST
IN
CD
NC
GND
RST
IN
CD
1
X1
1
NC
GND
RST
IN
CD
NC
GND
RST
IN
CD
1
X1
1
NC
GND
RST
IN
CD
1
X1
1
NCNC
A
REF
K
NC
GND
RST
IN
CD
SCL
ADR
0
1
2 SDA
WC
1
X1
1
3F03 B3
3F04 C3
3F05 E3
3F06 A12
3F07 E8
3F08 E8
3F09 F3
3F10 A2
3F11 B2
3F12 C2
3F13 D2
3F14 E2
2F17 E4
2F18 F4
MAIN
NVM
2F19 G7
2F20 G4
2F21 I3
2F23 F12
2F24 B10
2F25 C10
2F26 D10
2F27 C12
2F28 D13
3F01 A3
3F02 B3
9 10111213
12345
E
F
G
H
I
2F12 B4
2F13 C7
2F14 C4
2F15 D4
2F16 E7
M24C32/64-WDW6
12345678
3F56 G12
3F57 H3
3F58 F6
3F59 F8
3F60 F12
3F61 F12
3F62 E6
3F63 E8
3F64 E3
3F65 F3
6 7 8 9 10 11 12 13
A
B
C
D
E
F
G
H
I
A
B
C
D
3FA4 C11
3FA5 C9
3FA6 D10
3FA7 D10
3FA8 D10
3FA9 C12
3FB1 C13
3FB2 C13
3FB3 A3
3FB4 E2
3F15 F2
3F16 G2
3F17 G3
3F18 B6
3F19 B6
3F20 I12
3F21 I4
3F22 D3
3F23 D3
3F24 G3
3F25 G8
3F26 G8
3F27 C10
3F28 D6
3F29 D8
3F36 C6
3F37 C8
3F42 D8
3F43 D8
3F50 D2
3F54 I4
3F55 G12
7F14-3 G11
7F14-4 H11
7F15 A10
7F16 C11
7F17 B12
7F18 D9
7F19 C13
7F20 D11
7F21 H2
9F00 C7
3F66 C2
3F67 H2
3F68 H2
3F72 F6
3F73 F6
3F74 F8
3F75 F8
3F76 G6
3F77 G8
3F78 G6
3F79 G8
3F80 I8
3F81 I8
3F82 F10
3F85 I10
3F86 F10
3F88 G10
3F90 G10
3FA0 A10
3FA1 A11
3FA2 A10
3FA3 C11
FF10 B10
FF11 D7
FF12 E7
FF13 I4
FF14 I10
FF15 I11
FF16 D12
FF17 I4
FF18 F7
FF19 F7
3FB5 F2
3FB6 G2
6F01 C3
6F02 D3
6F03 E3
6F04 F3
6F05 G3
7F01 I12
7F02 A4
7F03 C4
7F04 C7
7F05 D4
7F06 E4
7F07 E7
7F08 F4
7F09 G4
7F10 G7
7F11 I2
7F12 A3
7F13 I11
7F14-1 F11
7F14-2 G11
IF37 E3
IF38 F3
IF39 F3
IF40 G3
IF41 G3
IF42 C10
IF43 C11
IF44 C12
IF45 C13
IF46 D10
9F01 C7
9F02 D7
9F03 E7
9F04 F7
9F05 F7
9F06 I4
9F07 I7
9F08 I7
9F09 I4
9F11 F10
9F12 F10
9F19 A12
9F22 F12
9F23 G12
9F24 G12
9F25 H12
9F26 H3
9F27 H3
9F30 H8
9F31 H8
9F32 H7
9F33 I7
IF49 D4
IF50 E4
IF51 F4
IF52 G4
IF53 B10
IF54 B11
IF55 A12
IF57 C8
IF58 C8
IF62 H2
FF20 I4
FF21 B5
FF22 C5
FF23 D5
FF24 E5
FF25 F5
FF26 G5
FF27 F10
FF28 C11
IF16 D8
IF18 E8
IF19 F8
IF26 F8
IF28 I8
IF29 I8
IF30 A2
IF31 B3
IF32 C3
IF33 C3
IF34 D3
IF35 D3
IF36 E3
9F23
IF47 B4
IF48 C4
IF32
+1V2
+5V2
IF37
82K
3FA1
2F17
100n
3F60
1K0
+5V2
+3V3+3V3
FF10
3F42
4K7
100n
2F21
IF46
9F25
2F14
100n
IF41
68K
3F17
2F18
3
12
4
100n
8
TS431L
7F20
5
EN5
GND
4
NC
1
SCL02 SCL1 7
SDA03 SDA1 6
VCC
+3V3
7F04
PCA9515DP
BC847BW
7F16
3F13
100K
IF45
+12VS
IF44
1K2
3FA2
BC847BW
7F19
9F32
4K7
3F43
9F31
22K
3F64
+3V3-STANDBY
68K
3F11
3F90
100R
3F61
1K8
3FA9
1K0
IF33
5
3
2
4
1
+8V6
7F09
NCP303LSN10T1
+5V2
RES
+5V2
+3V3-STANDBY
9F06
9F03
RES
9F09
3FA4
150R
3F54
100R
IF55
IF54
IF53
9F26
FF15
FF13
6F03
BAS316
1K0
3FA6
3FA8
1K5
3
2
4
1
2K2
3FA0
7F03
NCP303LSN10T1
5
2K2
3F19
9F33
+3V3-STANDBY
9F30
FF16
3F65
FF14
68K
7F13
PDTC114EU
1
100R
3F88
NCP303LSN10T1
7F08
5
3
2
4
100R
3F36
9F02
RES
3F28
100R
3F18
2K2
1K0
3FA7
9F00
9F01
BC847BW
7F12
+3V3-STANDBY
150R
3FA3
100n
2F16
RES
1
NC
2 SCL0 7SCL1
3 SDA0 6SDA1
8
VCC
7F07
RES
5EN
4
GND
+3V3
PCA9515DP
BAS316
6F02
100R
3F21
180K
3FB4
IF30
47K
3F12
+3V3-STANDBY
2F13
100n
5
3
2
4
1
7F06
NCP303LSN10T1
68K
3F22
22K
3F09
10n
2F25
RES
FF17
9F12
2
4
1
330K
3FB5
NCP303LSN10T1
7F02
5
3
13
7
14
1
2
IF40
74HC4016PW
7F14-1
3F62
100R
RES
3F58
RES
IF50
100R
IF28
IF51
IF42
2F27
10n
+3V3-STANDBY
3F86
100R
PDTC114EU
7F17
68K
3F05
3F15
47K
+3V3-STANDBY
1u0
2F26
1K8
3F56
3F55
FF18
1K0
FF12
FF22
FF21
FF23
FF24
6F01
BAS316
BAS316
6F04
IF52
3F37
100R
3F29
100R
+3V3-STANDBY
100n
2F24
IF39
68K
3F03
5
7
14
4
3
+3V3-STANDBY
74HC4016PW
7F14-2
+5V
3F25
2F19
100n
+5V2
4K7
3F26
4K7
+5V2
IF26
IF19
RES
9F22
3F75
4K7
100n
2F15
9F24
IF38
22K
3F23
5
3
2
4
1
7F15
NCP303LSN10T1
180K
3F02
4K7
3F07
+3V3
+3V3+3V3
+3V3
+3V3+3V3
100R
RES
FF20
3F63
IF36
10R
3F16
2F20
100n
IF48
+3V3
100R
IF35
3F79
RES
100R
3F77
FF28
3F59
100R
NCP303LSN10T1
7F05
5
3
2
4
1
+5V2
5
3
1
2
4
IF47
7F18
TS431L
+2V5
3F57
100K
+3V3
3F08
4K7
10
10K
3F68
74HC4016PW
7F14-4
12
7
14
11
100n
2F23
10K
3F14
3F24
+1V2-STANDBY
22K
2F28
1u0
PDTC114EU
7F01
10K
3F67
150R
3F27
6F05
BAS316
3F85
10K
+3V3-STANDBY
10K
3F06
+3V3-STANDBY
6
7
14
8
9
74HC4016PW
7F14-3
9F19
IF18
2 SCL1 7
SDA03 SDA1 6
VCC
8
IF16
7F10
PCA9515DP
EN5
GND
4
NC
1
SCL0
+3V3
3FB6
560K
3F04
22K
7
4K7
3F01
1
2
3
6
5
84
7F11
EEPROM
Φ
(4Kx8)
RES
100n
2F12
FF25
9F11
+5V2
FF26
FF27
IF29
10R
3FB3
IF49
IF43
4K7
3F74
RES
+3V3
4K7
3F73
3F72
4K7
FF19
9F08
RES
FF11
9F07
RES
IF57
150R
3FB1
9F27
9F05
4K7
3F81
RES
9F04
3F80
RES
4K7
3F20
3F50
10K
10K
3F76
100R
3F78
IF58
100R
3F66
8K2
100R
3F82
RES
+3V3-STANDBY
3FA5
1K0
100K
3F10
3FB2
150R
IF34
BC857BW
7F21
+3V3-STANDBY
IF31
IF62
SCL-MM
SCL-MM-BUS2
SDA-MM-BUS1SDA-MM
SCL-MM-BUS1SCL-MM
SDA-MM
SCL-MM
SDA-MM-BUS1
SCL-MM-BUS1
SDA-DMA-BUS2SDA-DMA
SCL-DMA-BUS2SCL-DMA
SDA-DMA-BUS2
SCL-DMA-BUS2
SDA-DMA-BUS1SDA-DMA
SCL-DMA-BUS1SCL-DMA
SDA-MM-BUS2
SDA-TUN
SCL-MM
SCL-TUN
RXD-VIPER
RESET-STBY
RXD-UP
+5V2
UART-SWITCHn
UART-SWITCH-5V2
SCL-UP-VIP
SDA-UP-VIP
DETECT-5V
DETECT-8V6
DETECT-12VSW
DETECT-1V2
DETECT-2V5
DETECT-3V3
RESET-Main-NVM
SDA-MM
SDA-DMA
SCL-DMA
SDA-MM-BUS2SDA-MM
SCL-MM-BUS2
UART-SWITCH
RXD
UART-SWITCH-5V2
UART-SWITCHn
TXD
TXD-VIPER
TXD-UP
RXD RXD-VIPER
TXD
TXD-VIPER
UART SWITCH / STBY SUPPLY / VOLTAGE DETECT / I
2
C
8204 000 8361.8
B8A B8A
F_15710_086.eps
150905

Table of Contents

Related product manuals