EasyManua.ls Logo

Philips JL2.1E - Page 153

Philips JL2.1E
254 pages
Print Icon
To Next Page IconTo Next Page
To Next Page IconTo Next Page
To Previous Page IconTo Previous Page
To Previous Page IconTo Previous Page
Loading...
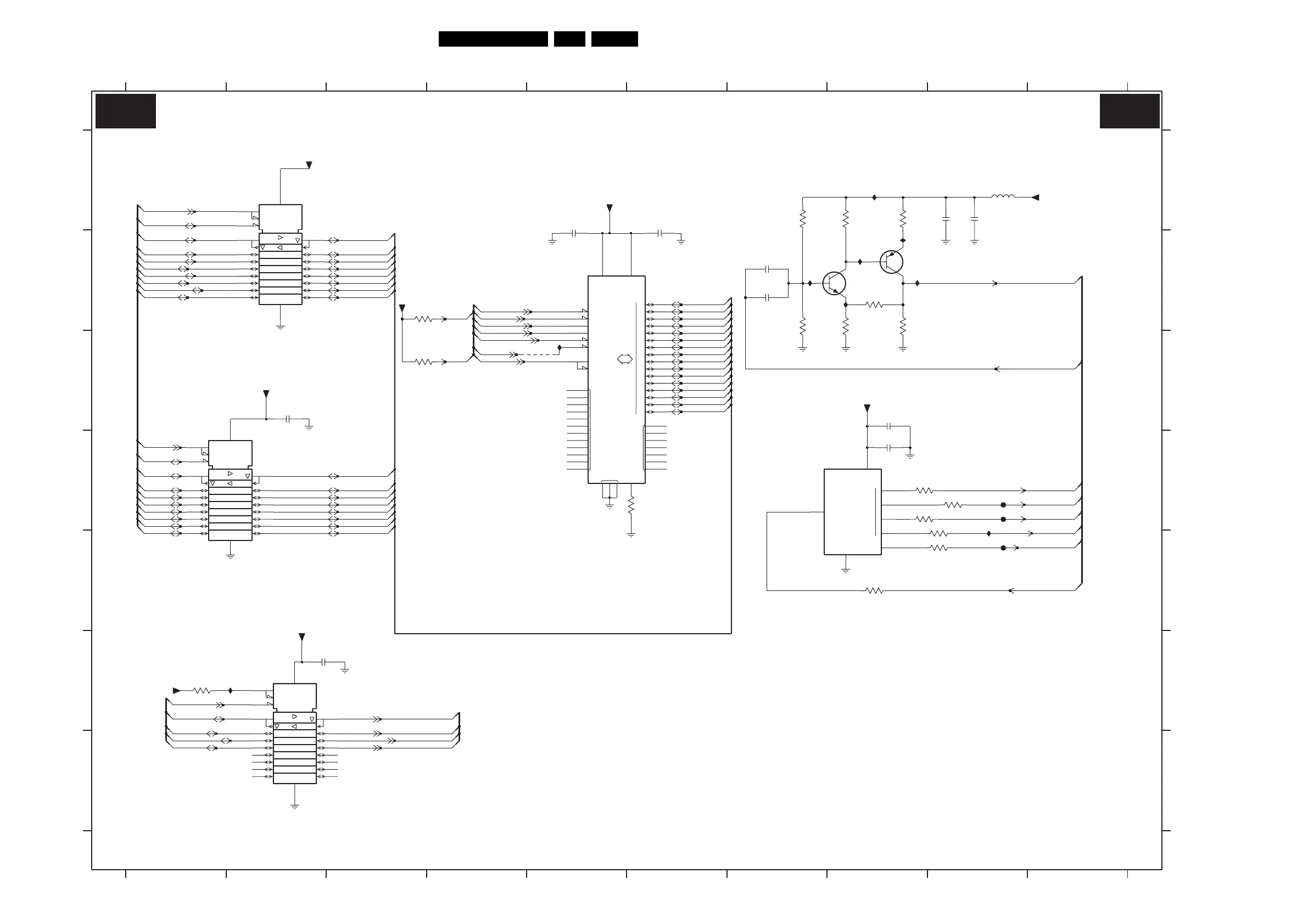
Circuit Diagrams and PWB Layouts
153JL2.1E AA 7.
SSB (v3): NAND Flash
G3
1
2
3EN2
3EN1
2
1
CLKOUT
3
CLK
VDD
4
GND
REF
0
1
2
3
4
5
6
7
CLE
ALE
CE
RE
WE
VCCQ
NC
8
9
10
11
12
13
14
15
I/O
BY
RY
GND
WP
VCC
VSS
NC
G3
1
2
3EN2
3EN1
G3
1
2
3EN2
3EN1
3F31 D8
3F32 D9
3F33 D8
A
456
IF13 B8
IF14 B8
B
E
123
2F33 C2
2F34 F2
2F35 C8
2F36 D8
2F37 B7
2F38 B7
2F39 A9
2F40 A9
3F30 E9
8V0
3V2
2V6
5F10 A9
3F71 B8
3F34 D9
3F35 A7
78910
A
B
C
D
E
F
G
7F50 A2
7F51 F2
7F52 D1
7F53 B5
7F54 D7
7F55-1 B8
7F55-2 B8
9F21 C5
FF30 E9
FF31 D9
FF33 D9
IF10 A8
IF11 B7
IF12 B8
3F41 D5
3F44 F1
3F45 B7
3F46 A8
3F47 B8
3F48 A8
3F70 B8
45678910
C
G
12
2F31 A5
F
D
2F32 A6
IF15 D9
IF60 F2
IF61 B8
8V6
IF17 C5
3
PCI
CLOCK - BUFFER
4V8
3F38 E8
3F39 B3
3F40 C3
100n
2F39
IF61
1u0
2F40
16V
IF10
IF12
IF15
+3V3
3F32
33R
IF11
3F38
33R
IF60
33R
3F31
+3V3
+3V3
+3V3
330R
3F47 3F46
1K0
FF31
82K
3F35
2F38
1u0
BC847BPN
7F55-2
33R
3F33
1u0
2F36
IF14
IF17
11
1
10
19
20
2F37
1u0
7
8
9
18
17
16
15
14
13
12
2
3
4
5
6
7F50
74LVC245APW
10K
3F41
3F70
330R
2K2
3F40
+3V3
2F34
100n
IF13
+8V6
3713
25
48
18
19
39
2
3
4
5
10
11
14
15
8
7
12
1
20
21
22
23
24
34
35
36
38
43
45
47
30
32
40
42
44
46
27
29
17
9
16
6
26
28
31
33
41
Φ
EEPROM
(16Mx16)
TC58DVM82F1TGI0
7F53
10K
3F39
10K
3F44
2F31
100n
FF30
FF33
5
7
8
4
1
6
+3V3
7F54
CY2305SC-1
BUFFER
Φ
ZERO
DELAY
3
2
5F10
220R
100n
2F32
100n
2F33
9F21
100n
2F35
15
14
13
12
11
1
10
19
20
3
4
5
6
7
8
9
18
17
16
7F51
74LVC245APW
2
33R
3F48
3F34
33R
10K
3F71
3F45
47K
3F30
33R
1
10
19
20
8
9
18
17
16
15
14
13
12
11
2
3
4
5
6
7
+3V3
7F52
74LVC245APW
BC847BPN
7F55-1
NAND-AD(0)
NAND-AD(8)
NAND-AD(1)
NAND-AD(9)
NAND-AD(2)
NAND-AD(10)
NAND-AD(3)
NAND-AD(11)
PCI-AD16
XIO-SEL0
PCI-CBE2
PCI-AD23
PCI-AD31
PCI-AD22
PCI-AD30
PCI-AD21
PCI-AD29
PCI-AD20
PCI-CBE2
PCI-CBE2
PCI-AD0
PCI-AD1
PCI-CBE1
NAND-REN
NAND-CLE
NAND-ALE
NAND-WEN
XIO-SEL0
PCI-AD26
NAND-AD(4)
NAND-AD(12)
NAND-AD(5)
NAND-AD(13)
NAND-AD(6)
NAND-AD(14)
NAND-AD(7)
NAND-AD(15)
Y-CVBS-MON-OUT
DAC-CVBS
NAND-AD(0)
NAND-AD(1)
NAND-AD(10)
NAND-AD(11)
NAND-AD(12)
NAND-AD(13)
NAND-AD(14)
NAND-AD(15)
NAND-AD(2)
NAND-AD(3)
NAND-AD(4)
NAND-AD(5)
NAND-AD(6)
NAND-AD(7)
NAND-AD(8)
NAND-AD(9)
PCI-AD24
PCI-AD18
PCI-AD19
PCI-AD27
PCI-AD17
PCI-AD25
PCI-AD28
NAND-REN
NAND-WEN
NAND-CLE
NAND-ALE
XIO-SEL0
PCI-CLK-ETHERNET
PCI-CLK-VPR
PCI-CLK-SLOT
PLL-OUT
XIO-SEL0
STBY-WP-NAND-FLASH
PCI-CLK-USB20
XIO-SEL0
XIO-ACK
XIO-ACK
PCI-CLK-SPIDER
NAND FLASH
8204 000 8361.8
B8B B8B
F_15710_087.eps
150905

Table of Contents

Related product manuals