EasyManua.ls Logo

Philips JL2.1E - Page 156

Philips JL2.1E
254 pages
Print Icon
To Next Page IconTo Next Page
To Next Page IconTo Next Page
To Previous Page IconTo Previous Page
To Previous Page IconTo Previous Page
Loading...
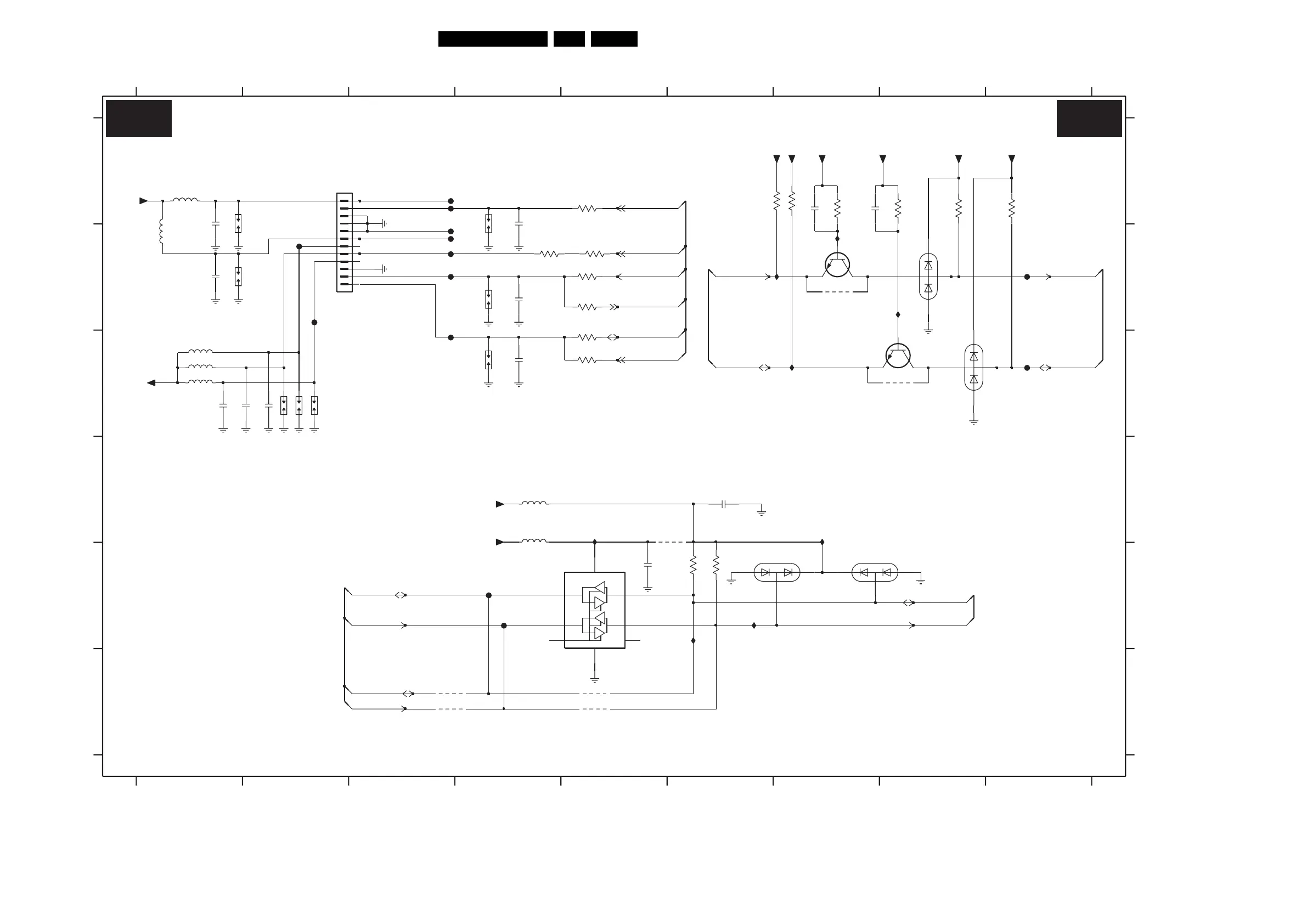
156JL2.1E AA 7.
Circuit Diagrams and PWB Layouts
SSB (v3): MOP: Control
2G72 C1
2G73 A7
2G74 A7
2G75 C1
2G76 C2
2GB0 D6
2GB1 E5
3G28 B4
3G66 B5
3G67 B5
3G68 A9
3G69 A8
789
123456789
*
*
A
B
C
D
A
E
C
F
E
F
1D40 A2
2G66 A4
2G67 A1
2G68 B1
2G69 B4
2G71 C4
6G02 C8
6G03 B8
6GA2 E6
6GA4 E8
7G66-1 B7
7G66-2 C7
7GA4 E5
9G66 C8
9G67 B7
9GA1 D6
9GA3 F3
9GA4 F3
I2C-BUFFER
*
*
*
*
*
*
*
*
*
*
*
123456
*
*
*
*
3G71 A5
3G73 B5
3G74 C5
3G75 C5
3G80 A8
3G81 A7
3G82 A7
3G83 A6
3GC0 E6
B
5G66 A1
D
5G69 C1
*
*
*
5G70 C1
5G71 C1
5GB5 D4
5GB6 D4
9GA5 F5
9GA6 F5
FG60 E4
FG61 E4
FG63 B9
FG64 C9
FG66 C3
FG67 A4
FG68 A4
*
FG71 B4
*
FG73 B4
FG74 B2
FG75 B2
IG64 B7
IG65 C7
IG68 B7
IG69 B8
3GC1 E6
IGB1 D7
5G67 B1
IGB3 E6
NOT FOR
LCD SETS
FG70 B4
FG72 B4
RES
IGB0 D5
IGB2 E6
9GA6
8
9
+3V3
1
10
11
12
2
3
4
5
6
7
1D40
B12P-PH-K
FG70
220R
5G69
100R
FG71
3G74
2G66
100p
1
220R
5G71
BC847BS
2
6
100R
3G28
7G66-1
3G73
100R
FG75
2G76
10n
+3V3
IGB2
IGB3
FG74
3G83
4K7
6GA4
RESRES
BAV99 COL
BC847BS
7G66-2
5
3
4
6GA2
BAV99 COL
FG68
FG60
FG61
100n
2GB0
RES
+5V2S
3GC0
10K
IG65
5G70
220R
100p
2G69
10K
3GC1
+5V2S +5V2S
2G67
100n
220R
FG72
5G66
IGB1
+5VDISP
1n0
2G71
IGB0
10n
2G75
6
VCC
8
9GA5
RES
7GA4
EN5
GND
4
NC
1
SCL02 SCL1 7
SDA03 SDA1
PCA9515ADP
120R
5GB6
100R
3G67
100R
3G75
10K
3G81
RES
3G80
10K
RES
9G67
6G02
9G66
BAV99 COL
BAV99 COL
6G03
2G74
470p
2G72
10n
FG73
FG66
100n
2GB1
IG68
FG64
IG69
RES
FG63
5GB5
120R
+3V3
9GA1
5G67
220R
+3V3
3G71
100R
4K7
3G82
9GA4
RES
+3V3
9GA3
RES
10n
2G68
3G66
100R
+12VSW
4K7
3G69
3G68
4K7
FG67
2G73
470p
SDA-AMBI
IG64
SCL-MOP
SDA-MOP
SCL-AMBI
SDA-I2C4
CTRL1-VIPER
SCL-I2C4
DV-OUT-VS
ENABLE5V
SUPPLY-FAULT
SDA-I2C4
SCL-I2C4 SCL-I2C4-DISP
SDA-I2C4-DISP
SDA-MM-BUS1
SCL-MM-BUS1
1SF
MOP: CONTROL
8204 000 8514.3
B9B B9B
F_15710_090.eps
150905

Table of Contents

Related product manuals