EasyManua.ls Logo

Philips JL2.1E - Page 229

Philips JL2.1E
254 pages
Print Icon
To Next Page IconTo Next Page
To Next Page IconTo Next Page
To Previous Page IconTo Previous Page
To Previous Page IconTo Previous Page
Loading...
Circuit Descriptions, Abbreviation List, and IC Data Sheets
EN 229JL2.1E AA 9.
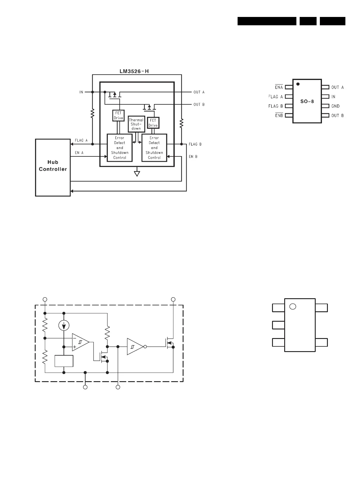
9.17.7 Diagram B7A, LM3526MX (IC 7Q01)
Figure 9-43 Internal block diagram and pin configuration
9.17.8 Diagram B8A, NCP303LSN (IC 7LB0 - 7LB4)
Figure 9-44 Internal block diagram and pin configuration
Block Diagram
Pin Configuration
F_15400_134.eps
230905
LM3526-L
Block Diagram
Pin Configuration
F_15400_133.eps
230905
NCP303LSNxxT1
Open Drain Output Configuration
V
ref
2 Input
3 Gnd
5C
D
R
D
1 Reset Output
1
3
N.C.
Reset
Output
2
Input
Ground
4
C
D
5
xxxYW
(Top View)
xxx = 302 or 303
Y = Year
W = Work Week

Table of Contents

Related product manuals