EasyManua.ls Logo

Philips JL2.1E - Page 230

Philips JL2.1E
254 pages
Print Icon
To Next Page IconTo Next Page
To Next Page IconTo Next Page
To Previous Page IconTo Previous Page
To Previous Page IconTo Previous Page
Loading...
Circuit Descriptions, Abbreviation List, and IC Data Sheets
EN 230 JL2.1E AA9.
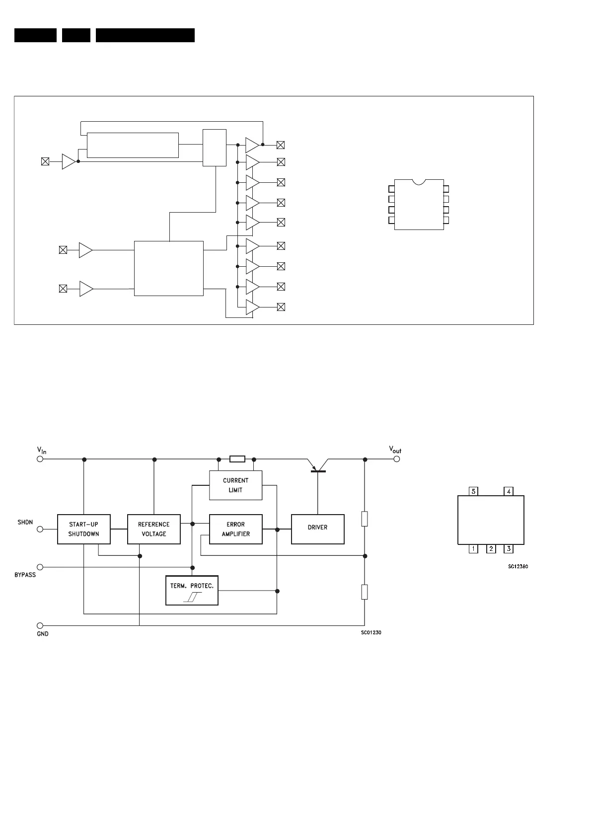
9.17.9 Diagram B8B, CY2305SC-1 (IC 7J08)
Figure 9-45 Internal block diagram and pin configuration
9.17.10 Diagram B9A, LD2985BM (IC 7G00)
Figure 9-46 Internal block diagram and pin configuration
Block Diagram
Pin Configuration
1
2
3
4
5
8
7
6
REF
CLK2
CLK1
GND
V
DD
CLKOUT
CLK4
CLK3
SOIC
Top View
PLL
MUX
Select Input
REF
S2
S1
CLKA1
CLKA2
CLKA3
CLKA4
CLKB1
CLKB2
CLKB3
CLKB4
Decoding
CLKOUT
E_14620_146.eps
200804
Block Diagram
LD2985BM
Pin Configuration
F_15710_165.eps
230905
SOT23-5L

Table of Contents

Related product manuals