EasyManua.ls Logo

Philips JL2.1E - Page 231

Philips JL2.1E
254 pages
Print Icon
To Next Page IconTo Next Page
To Next Page IconTo Next Page
To Previous Page IconTo Previous Page
To Previous Page IconTo Previous Page
Loading...
Circuit Descriptions, Abbreviation List, and IC Data Sheets
EN 231JL2.1E AA 9.
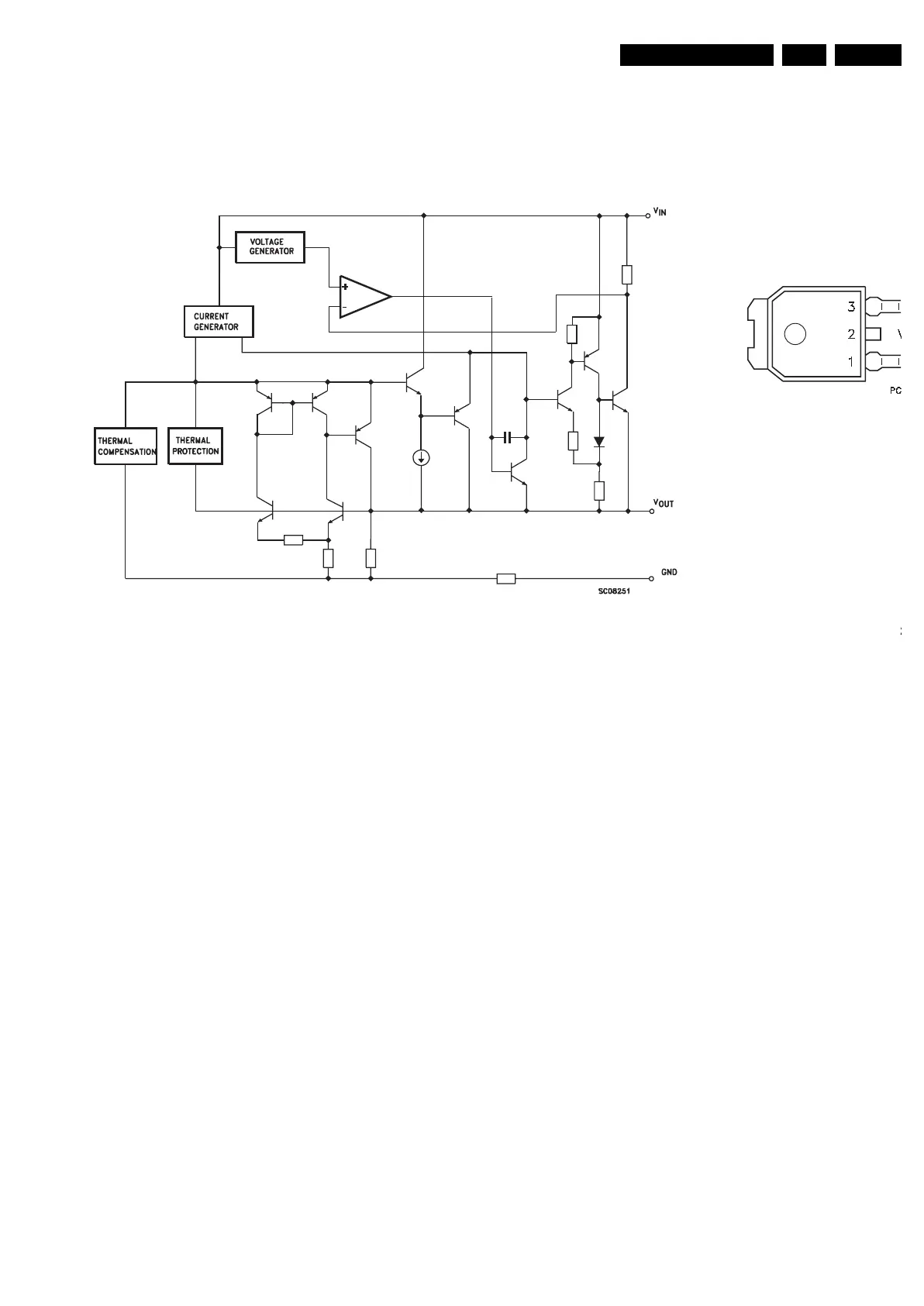
9.17.11 Diagram B9A, LD1117DT (IC7G01)
Figure 9-47 Internal block diagram and pin configuration
Block Diagram Pin Configuration
F_15710_
1
2
LD1117DT
DPAK

Table of Contents

Related product manuals