EasyManua.ls Logo

Philips JL2.1E - Page 235

Philips JL2.1E
254 pages
Print Icon
To Next Page IconTo Next Page
To Next Page IconTo Next Page
To Previous Page IconTo Previous Page
To Previous Page IconTo Previous Page
Loading...
Circuit Descriptions, Abbreviation List, and IC Data Sheets
EN 235JL2.1E AA 9.
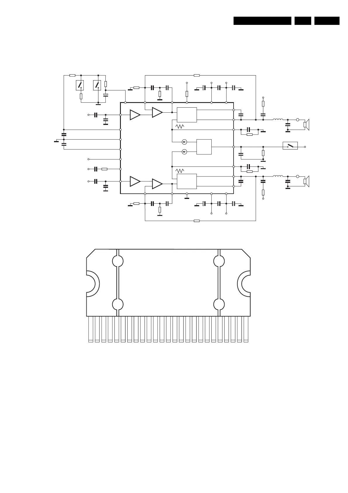
9.17.16 Diagram SA3, TDA7490LG (7700)
Figure 9-52 Internal block diagram and pin configuration
Block Diagram
TDA7490L
Pin Configuration (Top View)
F_15710_168.eps
230905
PWM-stage1
G=2.5
PREAMPLIFIER1
INTEGRATOR1
R21 4.7K
C26 470pF C25 470pF
R20
68K
R17 52.3K
C23
2200µF
C22
100nF
C21
2200µF
R4
130K
L1 30µ
INPUT1
OSC
C19
560pF
C20
33nF
C18 330pF
C17
24pF
C16 330pF
R15
100
-V
CC
R14 22K
R12 22K
C10
220nF
OUT1
PWM-stage2
L2 30µ
OUT2
C29
220nF
R13
10K
C15
560pF
R11
100
-V
CC
EXT_CK
G=2.5
PREAMPLIFIER2
C8 470pF
C9 470pF
R6
68K
R5 4.7K
C14
33nF
R9 52.3K
+V
CC
-V
CC
+V
CC
+V
CC
-V
CC
C28
2200µF
C12
2200µF
C11
100nF
C1 330nF
C2
1nF
STBYMUTE R2
30K
C27
2.2µF
R1 10K
C3
100nF
C4
100nF
INPUT2
C5 330nF
C6
1nF
-V
CC
-V
CC
79
14 2 46
10
12
13
16
1
25
18
19 17
20 24 22
21
23
15
8
11
3
5
INTEGRATOR2
R3
10K
C7 100nF
R1 10K
R 6.8
V-
CC
V-
CC
1TUO
V+
CC
1TOOB
ETUM-YBTS
1DEEF
CSO
2DEEF
1NI
1T
V5+
DNG
FERRUC
2T
V5-
3DEEF
2NI
4DEEF
.C.N
2TOOB
V+
CC
2TUO
V-
CC
gerV
1 25

Table of Contents

Related product manuals