EasyManua.ls Logo

Philips JL2.1E - Page 236

Philips JL2.1E
254 pages
Print Icon
To Next Page IconTo Next Page
To Next Page IconTo Next Page
To Previous Page IconTo Previous Page
To Previous Page IconTo Previous Page
Loading...
Circuit Descriptions, Abbreviation List, and IC Data Sheets
EN 236 JL2.1E AA9.
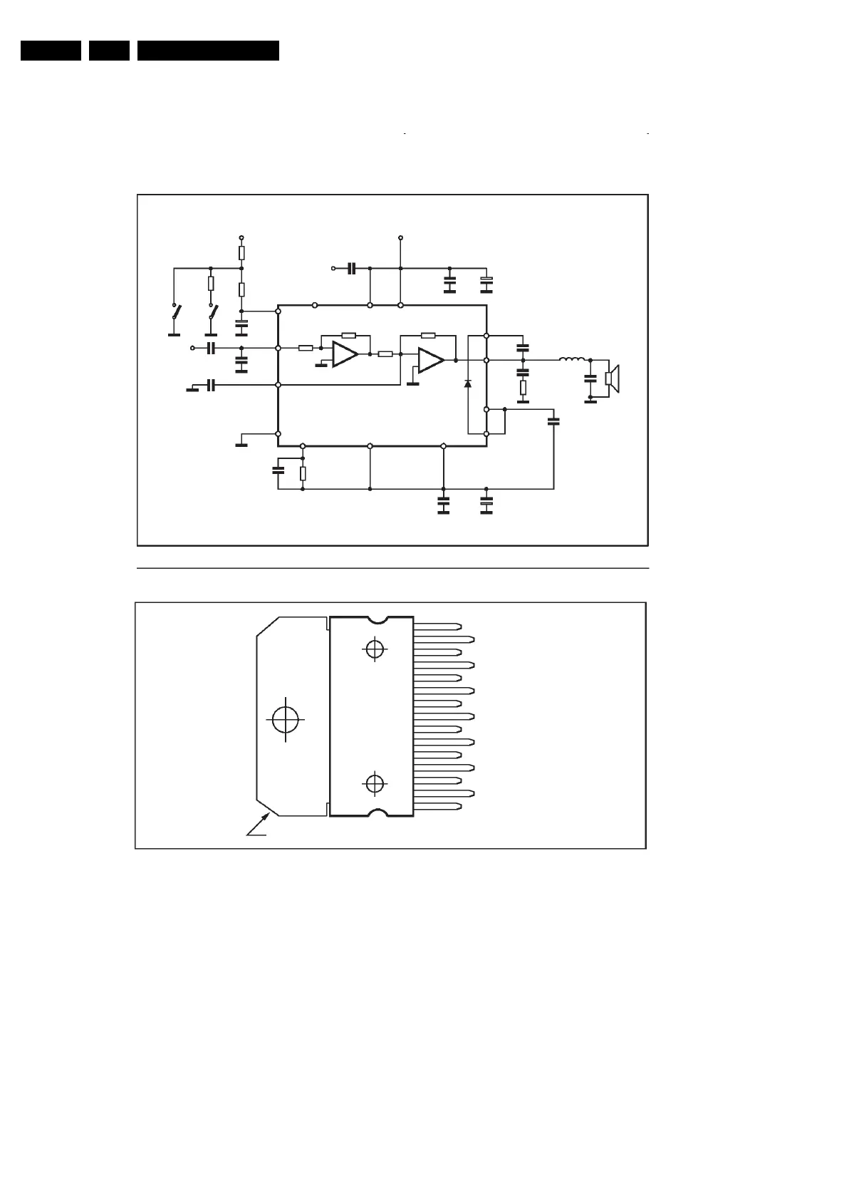
9.17.17 Diagram SA3, TDA7482 (7702)
Figure 9-53 Internal block diagram and pin configuration
TDA7482
1
2
3
4
5
6
7
9
10
11
8
+V
CC SIGN
ST-BY/MUTE
IN
-V
CC SIGN
SGN-GND
FREQ
FEEDCAP
N.C.
BOOT
BOOTDIODE
OUT
TAB CONNECTED TO PIN 8
13
14
15
12
-V
CC POW
-V
CC POW
+V
CC POW
VREG
D96AU539A
Pin Configuration (Top View)
L1 60µH
8
+
-
+
-
PWM
PRE
9
5
C2 0.33µF
IN1
C4 4.7nF
FEEDCAP
OUT
BOOT
C11
100nF
C12
560pF
R5
150
C14
470nF
3
1
VREG
C15
100nF
R4 12K
12
2
C10
2200µF
C9
100nF
SGN-GND
7
MUTEST-BY 10
13 11
+VCC
ST-BY/
MUTE
C1
2.2
µF
R3
30K
R2
10K
V
CC SIGN
C7
2200µF
IN1
D96AU538C
-VCC
(Pin 14,15)
C6
100nF
C3
1nF
R1
10K
+5V
V
CC POW
4
N.C.
C5 100nF
BOOTDIODE
C8
270pF
6 8 14,15
-V
CC SIGN
FREQ -V
CC POW
(R
F
) -VCC
F_15710_169.eps
230905
Block Diagram

Table of Contents

Related product manuals