EasyManua.ls Logo

Philips JL2.1E - Page 91

Philips JL2.1E
254 pages
Print Icon
To Next Page IconTo Next Page
To Next Page IconTo Next Page
To Previous Page IconTo Previous Page
To Previous Page IconTo Previous Page
Loading...
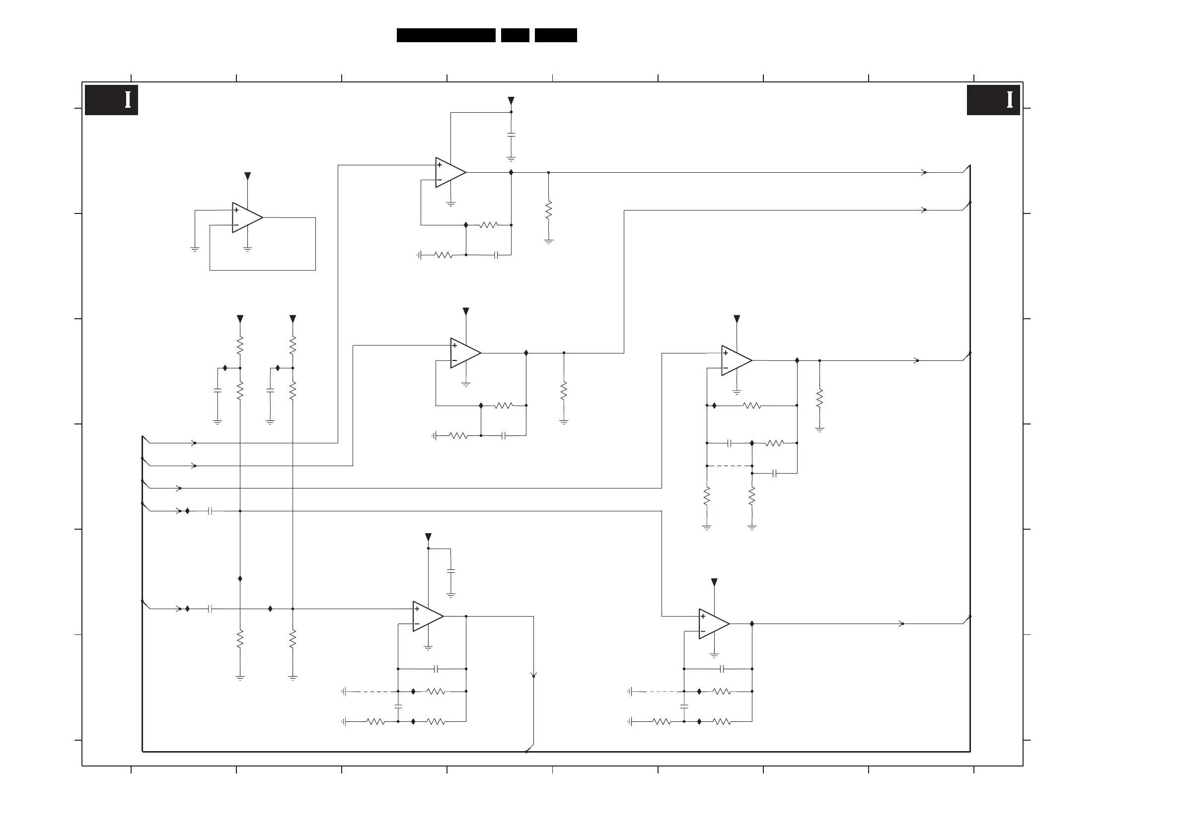
Circuit Diagrams and PWB Layouts
91JL2.1E AA 7.
SSB: MPIF SUB: Audio Amplifier
B
C
D
E
F
2A81 C1
2A82 A4
2A84 C2
2A85 B4
2V7
2V7
2V6
2V6
RES
1V6
1V6
1V6
1V6
5V7
2V7
1234
RES
RES
F
A
B
C
D
E
MPIF SUB: AUDIO AMPLIFIER
RES
RES
2A87 D6
2V7
4V9
5V7
1V6
1
1V6
345678
2A98 F3
2A99 F6
3A10 B4
3A11 B3
5678
A
3A27 C2
3A28 F1
3A29 F2
3A42 A4
IK48 F6
IK49 F3
IK50 F6
9A22 F6
9A23 D6
IA24 C1
IA25 C2
3A45 C5
3A46 C7
3A47 C6
3A48 D6
7A03-1 A4
2
2A89 E1
2A91 D4
2A92 D7
2A93 E3
2A96 F3
2A97 F6
IK41 B4
IK42 C4
IK43 C7
IK44 C4
IK45 D6
IK46 E6
IK47 F3
3A20 F3
3A21 F3
3A22 F6
3A23 F6
3A12 C4
3A13 D7
3A14 D4
3A15 D6
3A17 F3
3A19 F6
3A24 C1
3A25 C2
3A26 C1
IA26 D1
IA27 E1
IA28 E2
IA29 E2
IA30 C6
IK40 A4
7A03-2 C6
7A03-3 A2
7A03-4 C4
7A04-1 E6
7A04-2 E3
9A21 F3
2A88 D1
33p
2A92
1K0
3A45
+5V-AUD
+5V2S
5
6
7
84
7A04-2
TS482IST
IK45
2A93
100n
IK43
3A17
18K
3A14
220K
3A42
1K0
10
9
8
411
LM324
7A03-3
47K
3A13
+12VSW
3A11
18K
2A85
33p
220K
3A24
3A22
33K
2A88
100n
3A46
1K0
3A25
220K
2A82
100n
3
2
1
411
7A03-1
LM324
9A21
33p
2A99
47K
3A10
IK41
IK50
1u0
2A81
11
3A15
22K
LM324
7A03-4
12
13
14
4
IA27
IA26
3A12
47K
IK42
3A48
82K
1u0
2A87
1u0
2A97
470K
3A29
IK48
100n
2A89
3A28
470K
2A84
1u0
220K
3A27
5
6
7
4
11
7A03-2
LM324
2A96
1u0
IA30
IA29
IK40
IK46
3A26
220K
27K
3A21
IA28
3
2
1
84
+5V2S
7A04-1
TS482IST
+12VSW
9A22
3A19
220K
27K
+12VSW
IK44
3A23
IK49
IK47
IA25
2A91
33p
IA24
33p
+12VSW
+5V-AUD
2A98
3A47
220K
3A20
33K
9A23
AUDIO-L
AUDIO-SW
ADAC4
ADAC2
ADAC1
ADAC7
AUDIO-R
AUDIO-HDPH-L
AUDIO-HDPH-R
ADAC8
B4
8204 000 8359.8
F_15710_037.eps
190905
B4

Table of Contents

Related product manuals