EasyManua.ls Logo

Philips JL2.1E - Page 92

Philips JL2.1E
254 pages
Print Icon
To Next Page IconTo Next Page
To Next Page IconTo Next Page
To Previous Page IconTo Previous Page
To Previous Page IconTo Previous Page
Loading...
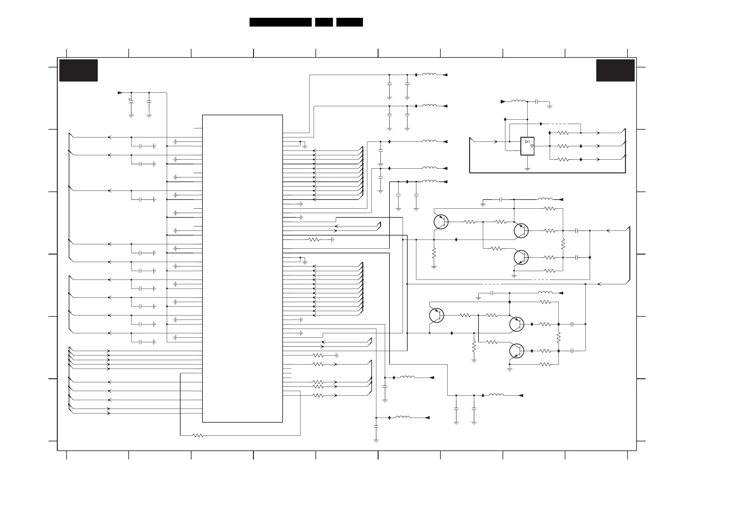
92JL2.1E AA 7.
Circuit Diagrams and PWB Layouts
SSB: PNX2015: Audio/Video
AVP1_DLK1SP
AVP1_DLK2DN
AVP1_DLK2DP
AVP1_DLK2SN
AVP1_DLK2SP
AVP1_DLK3DN
AVP1_DLK3DP
AVP1_DLK3SN
ADAC_CLK
ADAC1
ADAC10
ADAC10N
ADAC10P
ADAC11
ADAC11N
ADAC11P
ADAC12
ADAC12N
ADAC12P
ADAC1N
ADAC1P
ADAC2
ADAC2N
ADAC2P
ADAC3
ADAC3N
ADAC3P
ADAC4
AVP2_DLK3SN
AVP2_DLK3SP
AVP2_DTC_CLVSS
AVP2_DTC_VDD3
AVP2_DTC_VDDA
AVP2_DTC_VSSA
AVP2_HSYNCFBL1
AVP2_HSYNCFBL2
ADAC4N
ADAC4P
ADAC5
ADAC5N
ADAC5P
ADAC6
ADAC6N
ADAC6P
ADAC7
ADAC7N
ADAC7P
ADAC8
ADAC8N
ADAC8P
ADAC9
ADAC9N
ADAC9P
AVP1_DLK_VDDA
AVP1_DLK_VDDD
AVP1_DLK_VSSA
AVP1_DLK_VSSD
AVP1_DLK1DN
AVP1_DLK1DP
AVP1_DLK1SN
I2S_OUT_SD3
I2S_OUT_SD4
I2S_OUT_SD5
I2S_OUT_SD6
I2S_OUT_WS
I2S_SCK_SYS
I2S_WS_SYS
MPIF_CLK
AVP1_DLK3SP
AVP1_DTC_CLVSS
AVP1_DTC_VDD3
AVP1_DTC_VDDA
AVP1_DTC_VSSA
AVP1_HSYNCFBL1
AVP1_HSYNCFBL2
AVP1_HVINFO1
AVP1_VSYNC1
AVP1_VSYNC2
AVP2_DLK_VDDA
AVP2_DLK_VDDD
AVP2_DLK_VSSA
AVP2_DLK_VSSD
AVP2_DLK1DN
AVP2_DLK1DP
AVP2_DLK1SN
AVP2_DLK1SP
AVP2_DLK2DN
AVP2_DLK2DP
AVP2_DLK2SN
AVP2_DLK2SP
AVP2_DLK3DN
AVP2_DLK3DP
I2S_SCK_XTRA
I2S_WS_XTRA
AVP2_HVINFO1
AVP2_VSYNC1
AVP2_VSYNC2
I2S_IN_SD1
I2S_IN_SD2
I2S_IN_SD3
I2S_IN_SD4
I2S_IN_SD5
I2S_IN_SD6
I2S_OUT_SCK
I2S_OUT_SD1
I2S_OUT_SD2
EN
3LT6 C8
3LT7 D8
3LT8 C8
IJ05 F7
IJ06 E6
5J07 F6
5J08 C8
5J09 D8
5LA4 A8
7J00-7 A3
2J27 C2
2J28 D2
2L62 A8
2LC0 C7
2LC1 C9
2LC2 D9
7L55-2 D8
7L56 E8
7LA5 B8
9L01 D8
9L02 D7
9LA7 A8
IJ00 A6
IJ01 A6
IJ02 B6
IJ03 B6
IJ04 B6
3LT4 C6
3LT5 C8
B
C
D
PNX 2015: AUDIO / VIDEO
3LU0 D8
IJ07 F6
IJ13 C7
IJ16 C9
IJ20 D8
IJ21 E8
IJ22 E8
IJ23 E8
IJ24 D8
IJ27 E7
IJ30 A8
IJ31 A8
IJ32 A8
IJ33 B9
IJ34 B9
5J06 E6
2J25 E2
2J26 C2
123456
2LC3 D7
2LC4 E9
2015
7L53-1 C8
7L53-2 C6
7L54 D8
7L55-1 D6
3LT3 C7
F
A
3LU1 E8
3LU2 D7
3LU3 D7
3LU4 E7
3LU5 E7
3LU6 E8
3LU7 E8
3LU8 E8
5J00 A6
5J01 A6
5J02 B6
5J03 B6
5J04 B6
5J05 F7
2J24 E2
2J17 B2
2J18 F6
2J13 C6
2J14 B2
2J15 F7
78
2LC5 E9
3J00 C5
3J01 E4
3J03 E4
3J07 F4
3J08 F4
3J09 F4
3J11 F3
3L72 B8
3L73 B8
3L74 B8
3LT0 C8
3LT1 C7
3LT2 C7
E
B
C
D
E
F
2J00 A1
2J01 A2
2J02 A6
2J03 A6
2J05 A6
2J06 A6
2J08 B5
2J20 F5
2J22 D2
2J23 D2
2J16 F7
2J10 B5
2J12 C6
9
123456789
A
2J01
50V100p
100n
2J02
5J04
120R
100K
3LT0
10K
3LT5
U5
M4
1u0
2LC1
V1
W3
W4
Y4
Y3
V2
U1
V3
U3
U4
V4
V5
W5
Y2
W1
W2
L4
L5
L1
L2
G3
G1
G2
U2
H4
H3
H5
G6
J5
K5
K6
L3
K4
K3
J2
J1
J4
J3
H2
H1
T5
T1
T2
M3
M1
M2
K2
K1
N3
N5
M5
P5
R5
T6
T3
T4
R3
P2
P1
P4
P3
N2
N1
N4
AA3
AF3
AF4
AF5
Y5
R2
R1
R4
AC1
AC2
AB3
AB1
AB2
AA4
AA1
AA2
AF2
AG4
AE1
AE2
AB5
AD1
AD2
AB4
AC4
AC5
AH2
AH3
AG1
AG2
AG3
AF1
AH1
AE3
AE4
AE5
AD3
AD4
AD5
AC3
AUDIO / VIDEO
Φ
7J00-7
PNX
100K
BC847BW
3LU7
1u0
7L56
2J18
2LC5
100n
2J26
3n3
2J25
3n3
2J28
3n3
68R3J08
3J09 68R
3J00
120R
100n
2J13 100n
2J06
120R
5J08
2
6
1
2J12
7L53-1
BC857BS
100p 50V
IJ00
100u 4V
2J00
5J03
120R
68R3J03
IJ06
IJ04
IJ05
5
3
4
BC857BS
7L53-2
220R
3LT3
2J22
3n3
680K
3LT8
5J06
120R
2J05
100p
3J07 68R
IJ21
IJ20
9L02
1
120R3J01
7L55-1
BC857BS
2
6
2J24
3n3
IJ07
2J10
100n
680R
3LT1
120R
5J00
2J03
100n
100n
2LC0
3LT4
1K0
10K
3LT2
+3V3
9LA7
IJ27
3n3
2J17
2J14
3n3
120R
7L55-2
5
3
4
5J09
100K
BC857BS
IJ13
3LU0
2LC3
100n
3LU5
1K0
3LU3
10K
100n
2J16
2LC4
3LU1
10K
1u0
5J01
120R
2J15
IJ03
50V100p
100K
3LT7
7L54
BC847BW
2LC2
1u0
10K
3LT6
IJ23
IJ24
IJ22
22R
3L74
5LA4
3L72
3L73
22R
22R
2L62
100n
IJ02
IJ01
2
3
1
5
4
SN74LVC1G126DCKR
7LA5
IJ16
9L01
100n
2J08
120R
5J07
100n
2J20
IJ34
IJ32
IJ33
IJ30
IJ31
3n3
2J23
3LU6
3LU8
680K
10K
68R
3J11
8204 000 8546.1
120R
5J02
3n3
2J27
3LU2
680R
3LU4
220R
120R
5J05
AV6_VSYNC
M27-CLK
M27-PNX
M27-MOP
M27-HDMI
AV1-AV6_FBL-HSYNC
+3V3
ADAC2
ADAC1
+3V3
+1V2
+3V3
+1V2
I2S-SUB-D
+1V2
+3V3
+1V2
+1V2
+1V2
I2S-SUB-ND
I2S-WS-AVIP
I2S-BCLK-SUB
I2S-WS-SUB
VREF-AUD-POS
ADAC4
ADAC7
ADAC8
DSNDL1
DSNDR1
DSNDL2
DSNDR2
I2S-MCH-CSW
I2S-MCH-SLR
I2S-MAIN-D
I2S-BCLK-MAIN
I2S-WS-MAIN
CLK-MPIF
I2S-BCLK-AVIP
I2S-MAIN-ND
DATA1N-MAIN
DATA1P-MAIN
STROBE1N-MAIN
STROBE1P-MAIN
DATA2N-MAIN
DATA2P-MAIN
STROBE2N-MAIN
STROBE2P-MAIN
DATA3N-MAIN
DATA3P-MAIN
STROBE3N-MAIN
STROBE3P-MAIN
AV2_FBL
HV-PRM-MAIN
DATA1N-SUB
DATA1P-SUB
STROBE1N-SUB
STROBE1P-SUB
DATA2N-SUB
DATA2P-SUB
STROBE2N-SUB
STROBE2P-SUB
DATA3N-SUB
DATA3P-SUB
STROBE3N-SUB
STROBE3P-SUB
AV2_FBL
HV-PRM-SUB
I2S-MCH-LR
B5A
B5A
F_15710_038.eps
140905

Table of Contents

Related product manuals