EasyManua.ls Logo

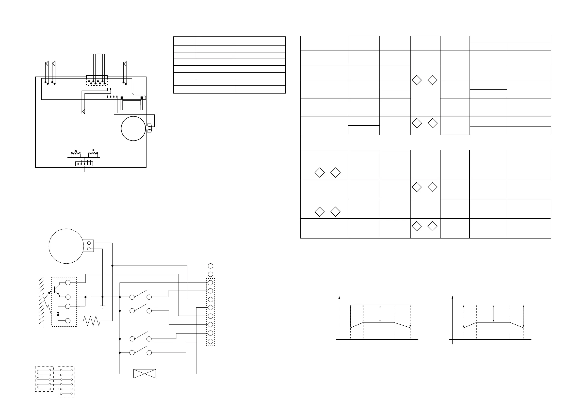
Philips MC-50/22 - Tapedeck Wiring; Variation Table for Analog Circuit; Tape Mechanism Electronics; Tape Adjustment and Check Table

Philips MC-50/22
94 pages
Print Icon
To Next Page IconTo Next Page
To Next Page IconTo Next Page
To Previous Page IconTo Previous Page
To Previous Page IconTo Previous Page
Loading...
9-3 9-3
NC
NC
8. Gnd
7. Mode SW
6. Vcc 12V
5. Sol.
4. Photo Out
3. CrO2 SW
2. Rec SW Forward
1. Rec SW Reverse
Solenoid
R1 = 680R
Photo Sensor
Mode
CrO2
TAPE MECHANISM ELECTRONICS
+
-
Motor
Rec-F
Rec-R
Rec/Pb
Head
Head wire
connector pcb
1. +L ch (White)
2. Earth (Black)
3. +R ch (Red)
4. E Head (Blue)
5. E Head (Yellow)
^ For Auto-reverse version only
* If high frequencies are not within limits, decrease bias and re-measure.
If distortion is too high, increase bias and re-meaure
PLAY
mV-meter
check
125mV +/- 3dB
(see fig.1 for freq.
response)
PLAYBACK LEVEL
& FREQ. RESPONSE
TAPE ADJUSTMENT & CHECK TABLE
TEST
CASSETTE
RECORDER
MODE
MEASURE
ON
READ ON
ADJUST
with
MOTOR SPEED
SBC420
3150Hz
PLAY
frequency
counter
check
PLAY
PLAY FWD
PLAY REV ^
W&F-meter
mV-meter
left hand screw
right hand screw
max. output level
& left=right
WOW & FLUTTER
ADJUST AZIMUTH
3150Hz +/- 2%
< 0.4 % DIN
to
mV-meter
ADJUST BIAS
CURRENT
RECORD
5
6
or
LEFT
RIGHT
1
2
or
LEFT
RIGHT
Inject 3mV signals
100Hz, 250Hz, 1kHz,
10kHz, 12.5kHz
1
2
or
LEFT
RIGHT
Inject 1kHz 8.85mV
3
4
or
via
3
4
or
via
1
2
or
LEFT
RIGHT
RECORD B
RECORD B
PLAY B
PLAY B
mV-meter
THD-meter
check
check
limits see fig. 2 *
< 3% *
RECORDED
CASSETTE
RECORDED
CASSETTE
995mV
750mV +/- 1.5dB
3773
check
figure. 1
f(Hz)
level(dB)
8dB
6dB
12.5k
4k
250
80
8dB
f(Hz)
level(dB)
8dB
6dB
10k
4k
250
100
8dB
figure. 2
check
SBC419A : 4822 397 30069
SBC420 : 4822 397 30071
SBC420
3150Hz
SBC420
10kHz
SBC419A
SBC420
SBC419A
or
SBC420
SBC419A
or
SBC420
SBC420
315Hz
CHECK RECORD/PLAYBACK FREQUENCY AND DISTORTION
REC
FWD
CRO2
REC
REV
MODE
SW
TO ETF6-LE BOARD
CONNECTOR 1710
Tapedeck wiring (Single deck)
TAPE DECK
MOTOR
TO ETF6-FE BOARD 1760
Solenoid
_
+
Variation table for Analog Circuit
Autoreverse (FR)
12k
12k
1k2
1k2
12k
4k7
10k
Non-Autoreverse (FF)
15k
15k
1k
1k
8k2
5k6
8k2
Item No.
3723
3724
3743
3744
3769
3772
3774
www.freeservicemanuals.info
It`s Free

Table of Contents

Related product manuals