EasyManua.ls Logo

Philips MC-50/22 - Headphone Amplifier and Sub-Woofer out Part

Philips MC-50/22
94 pages
Print Icon
To Next Page IconTo Next Page
To Next Page IconTo Next Page
To Previous Page IconTo Previous Page
To Previous Page IconTo Previous Page
Loading...
12-8
12-8
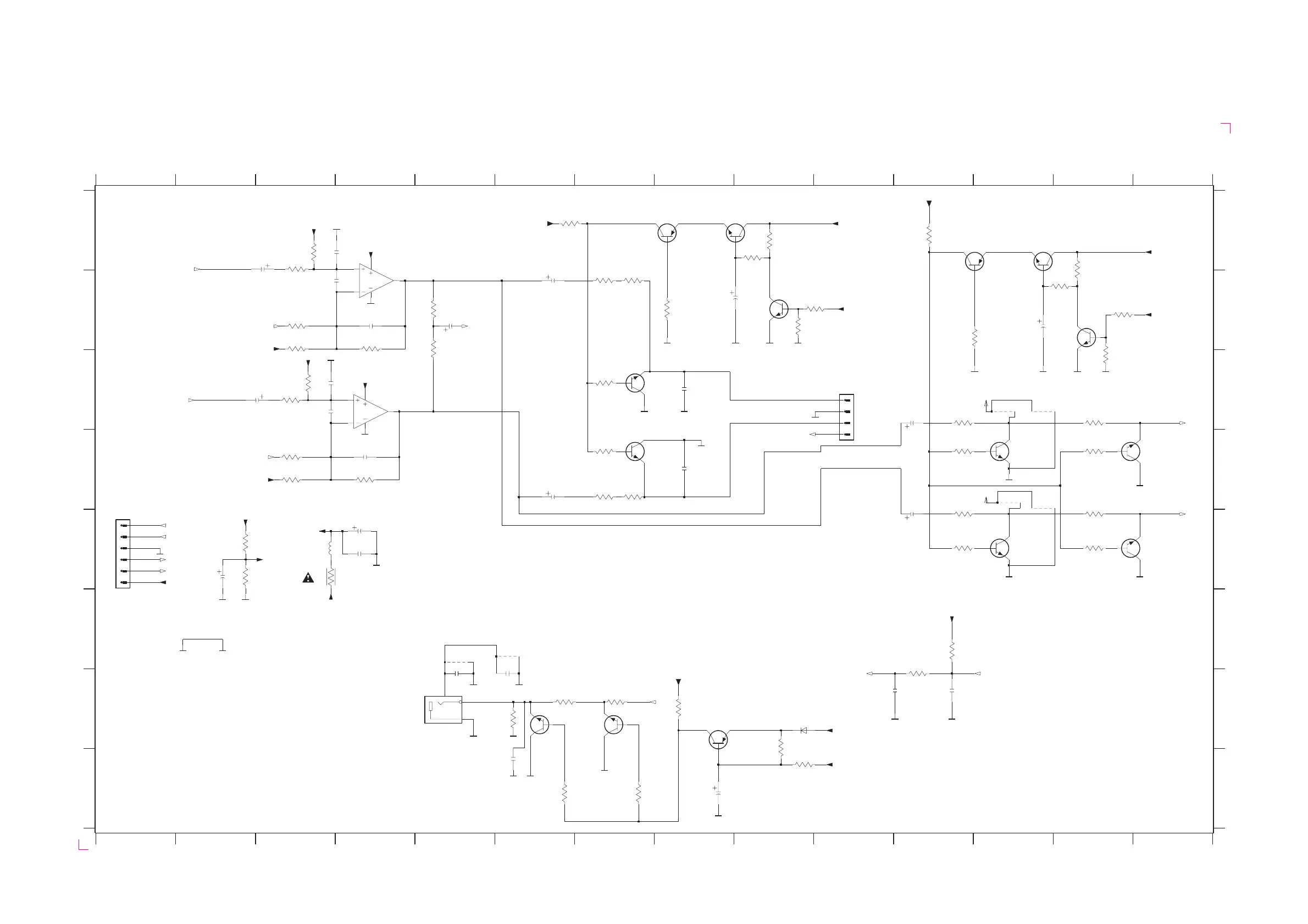
COMBI CIRCUIT - HEADPHONE AMPLIFIER & SUB-WOOFER OUT PART
HP_DET
G
H
A
B
C
D
E
F
G
H
1255 E1
1256 C10
1502 G5
2571 A3
2572 C3
2573 B4
2574 D4
2575 B3
2576 C3
2577 A3
2578 C3
2579 B6
1234567891011121314
1234567891011121314
A
B
C
D
E
F
#
2580 D6
2581 C8
2582 D8
2585 B8
2586 B12
2587 G10
2588 G11
2589 H6
2590 H8
2591 E4
2592 E4
2593 E2
2594 G5
2595 B5
2614 G6
2615 D11
2616 C11
3573 A3
3574 C3
3575 A3
3576 C3
3577 B3
3578 D3
3579 B3
3580 D3
3581 B4
3582 D4
3583 B5
3584 B5
3587 B7
AMP_L
TO HEADPHONE
#
3588 D7
3589 B7
3590 D7
3591 C7
3592 D7
3593 E11
3594 C11
3595 E11
3596 D11
3597 A6
3598 A9
3599 A9
3600 B8
3601 B10
3602 B9
3603 A11
3604 A13
3605 B13
3606 B13
3607 B11
3609 C13
3610 F11
3611 G11
3612 G6
3613 G8
3614 G6
3615 G9
3616 H9
OUT
AMP_R
HP_IN_R
3617 H6
3618 H7
3619 E3
3620 E2
3621 E2
3641 E13
3642 D13
3643 E13
3645 G7
3646 C13
4517 F6
4563 D12
4576 C12
4600 C12
4601 D12
5500 E3
6520 G9
7510-A A4
7510-B C4
7511 C7
7512 D7
7514 D12
7515 E12
7516 A8
7517 A9
7518 B9
2591
7519 A12
7520 A12
7521 B13
7522 G6
HP_IN_L
DIFF. INPUT
HEADPHONE AMPLIFIER
GND_A
SUBWOOFER
7523 G7
7524 G8
7540 D14
7541 E14
9641 F5
GND_A
GND_D
GND_A
22u
2580
VC_GND
10K
7541
BC817-25
33R
2
3
4
5
6
33R
3587
9641
4K7
3615
220R
3645
4576
4M7
3613 #
100n
2614
GND_D
2592
3607
4K7
GND_D
3605
GND_A
2590
10u
GND_D
2589
470p
7522
BC817-25
4M7
3597 #
GND_A
7514
BC817-25
47u
1K
3646
GND_A
GND_A
5K6
3604
1K
GND_A
100p
2577
1K
3643
-VKK
GND_D
3K3
3584
-VKK
220p
2573
2586
4u7
3606
7521
BC847B
7517
BC847B
GND_AGND_A
GND_D GND_D
4K7
3600
BC847B
7520
3591
1K
2574
220p
3602
10K
100u
2593
7523
BC817-25
VC_GND
GND_EMC
2578
100p
3621
4K7
2595
22u
2K2
3616
3603 #
4M7
GND_A
1255 #
FE-BT-VK-N
1
2581
100p
GND_A
5K6
3611
BC817-25
7515
1
3
2
3576
12K
4u7
1502
YKC21-3416
2616
BC817-25
7540
GND_A
4u7
2615
GND_D
3594
1K
GND_A
6K8
3580
0u47
2571
GND_A
10u
2585
GND_A
47R
3589
2K2
3614
1K
3598
10R
3574
2u2
5500
100p
2582
7516
BC857B
3617
1K
BC817-25
7512
3579
6K8
1256
FE-BT-VK-N
1
2
3
4
3595
1K
2588
100p
2576
470p
3588
3618
1K
6520
1N4148
3619
12K
3575
BC857B
7519
10R
1K
3642
1K
3592
1K
3641
-VKK
GND_A
2579
22u
7511
BC817-25
2572
0u47
4601 #
470p
2575
4563
4600 #
2587
1u
BC847B
7518
2594 #
100n
1K
3577
3K3
3583
GND_D
7510-A
NJM4556AM
3
2
1
8
4
GND_A
GND_A
27K
3581
5K6
3599
3590
10K
3609
3620
4K7
GND_A
47R
GND_A
GND_D
22n
3578
1K
GND_A
3596
1K
220R
3612
GND_A
3573
10R
4517 #
3593
1K
GND_D
7510-B
NJM4556AM
5
6
7
8
4
BC857B
7524
3601
10K
15K
3610
VC_LEFT
+12V_A
VC_OUT_LEFT
VC_OUT_RIGHT
HP_AMP_R
HP_AMP_L
3582
27K
SUB_W
MUTE_GENERAL
HP_DET
VC_OUT_LEFT
VC_OUT_RIGHT
VC_RIGHT
SUB_W
VOL_LEFT
VOL_RIGHT
RIGHT
LEFT
+5V6
HPREF
HPREF
VC_LEFT
HPREF
HPREF
VC_RIGHT
MUTE_HP
+12V_A
HPREF
+12V_A
B_REF3
+5V6
HP_DETHP_IN
+5V6
B_REF3
B_REF3
+5V6
MUTE_GENERAL
8239_210_88490 cct 3... 3437 pt 1 dd wk103
# FOR PROVISION ONLY
TO/FROM VOICE CONT.
5.7V
5.7V
5.7V
5.7V
5.7V
5.7V
11.3V
0V
0V
5V
5.6V
5V
0V
0V
0V
0V
0V
5.6V
5.6V
5V
5V
4V
0.7V
0.7V
0V
0V
5.6V
5.6V
0.7V
0V
0V
0V
0V
0V
0V
0V
0V
0V
0V
0V
www.freeservicemanuals.info
It`s Free

Table of Contents

Related product manuals