EasyManua.ls Logo

Philips MC-50/22 - Power Amplifier Part

Philips MC-50/22
94 pages
Print Icon
To Next Page IconTo Next Page
To Next Page IconTo Next Page
To Previous Page IconTo Previous Page
To Previous Page IconTo Previous Page
Loading...
12-6 12-6
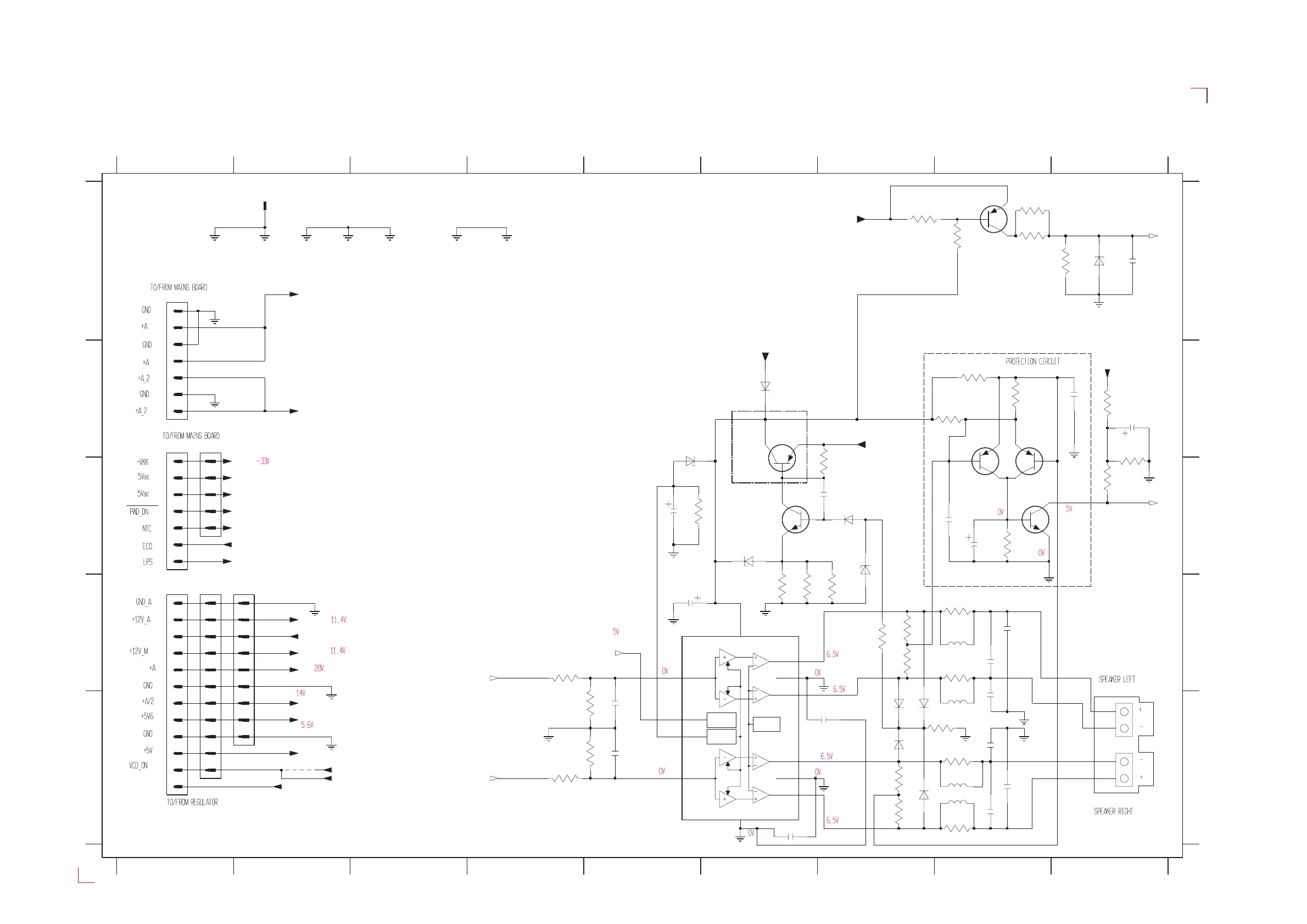
COMBI CIRCUIT - POWER AMPLIFIER PART
VREF
STB
MUTE
89
A
B
C
D
E
A
B
C
D
E
0020 A1
0023 D1
1123 A2
1200-A E9
1200-B E9
47n
123456789
1234567
HEATSINK
1221 B1
1222 D1
1224 D1
1225 B1
2202 E5
2203 E5
2204 E8
2205 D8
2206 E8
2207 E8
2208 E8
2209 D8
2210 B9
2211 B9
2212 C8
2213 C8
2214 C6
2215 C5
47n
2216 D5
2217 A9
2648 E6
2649 E7
3202 E4
3203 D4
3204 E4
3205 E5
3206 E7
3207 D7
3208 E7
3209 D7
3210 E8
3211 D8
3212 E8
3213 D8
3214 B8
3215 B8
3216 B9
3217 B8
3218 B9
3219 C9
3220 C8
3221 D7
3222 E8
3223 C7
3224 C5
3225 D6
3226 D6
3227 D7
3228 A7
3229 A8
3232 A8
3233 A8
3234 A9
5200 E8
5201 D8
5202 E8
5203 E8
6200 E7
6201 E7
6202 E7
6203 E7
6204 B6
6205 B5
6206 C7
6207 C6
6208 C7
6209 A9
7200 D6
7201 B8
7202 B8
7203 C8
7204 C6
7205 C6
7206 A8
9630 E2
(D.C. Voltages during active play)
100n
2217
GND_+A_2
GND_D
10K
3208
2205
2216
7
GND_P
GND_D
470R
7201
BC557B
3203
82K
10K
3207
BYV28-200/20
6204
GND_D
6202
1N4003
GND_G
6205
GND_P
47K
3220
1200-A
2
1
3
4
GND_A
3214
22K
82K
3202
6200
1N4003
GND_M
BZX79-B4V7
6207
1200-B
150K
3218
GND_P
220n
2206
220n
2209
1221
FE-BT-VK-N
1
2
3
4
5
6
2212
330R
3224
9630
100n
10K
3209
1N4148
5202
360n
6206
2214
560p
3212
2R2
2203
22p
2R2
3213
DIPMATE
0023
1
10
11
12
2
3
4
5
6
7
8
9
GND_P
5201
360n
7205
3234
100K
7206
BC557B
GND_D
BC547B
22u
2211
3
GND2
11
IN1
6
IN2
8
MUTE
9
OUT1+
2
4
OUT1-
OUT2+
12
OUT2-
10
STB
5
VCC
1
GND_G
+A
7200 AN7125
GND
7
GND1
GND_G
GND_D
10n
2648 #
3216
15K
10n
2649 #
GND_+A_2
3215
47K
220n
2208
3227
1K8
FE-BT-VK-N
1225
1
2
3
4
5
BZX79-C22
3206
10K
3229
220K
6203
1N4003
GND_A
GND_A
4u7
3225
1K8
GND_P
GND_D
22p
2202
1N4003
3233
10K
5K6
3205
6201
GND_P
1123
RT-01T
1
GND_D
2R2
3211
GND_G
3228
100K
220n
2207
2
3
4
5
6
7
8
9
EH-B
1222
1
10
11
3226
1K8
3232
10K
2213
22u
6
7
3204
5K6
DIPMATE
0020
1
2
3
4
5
9
6209
BZX79-B4V7
22K
3217
EH-B
1224
1
2
3
4
5
6
7
8
470R
3221
5200
360n
+A_2
4u7
2215
2210
100n
+A
7203
BC547B
GND_D
6208
BZX79-B18
GND_A
3219
100R
4K7
3222
GND_D
360n
5203
7204
BDW94C
3223
3210
2R2
2204
DVD_ON
LEFT
RIGHT
F2
BC557B
7202
+A_2
+A
+12V_A
LOW_POWER_CONTROL
+12V_M
+A
+A_2
+5V6
+5V_VCD
CDR_ON
CLIP
VCD_ON
AMP_IC
AMP_ON
-VKK
F1
POWER_DOWN
NTC
LOW_POWER_CONTROL
LOW_PWR_SUPPLY
AMP_IC
8239_210_88490 cct 1... 3437 pt 1 dd wk103
# For Provision only
7.5V
9V
28V14V
28V
7.5V
7.5V
7.5V
8.3V
28V
27.3V28V
www.freeservicemanuals.info
It`s Free

Table of Contents

Related product manuals