EasyManua.ls Logo

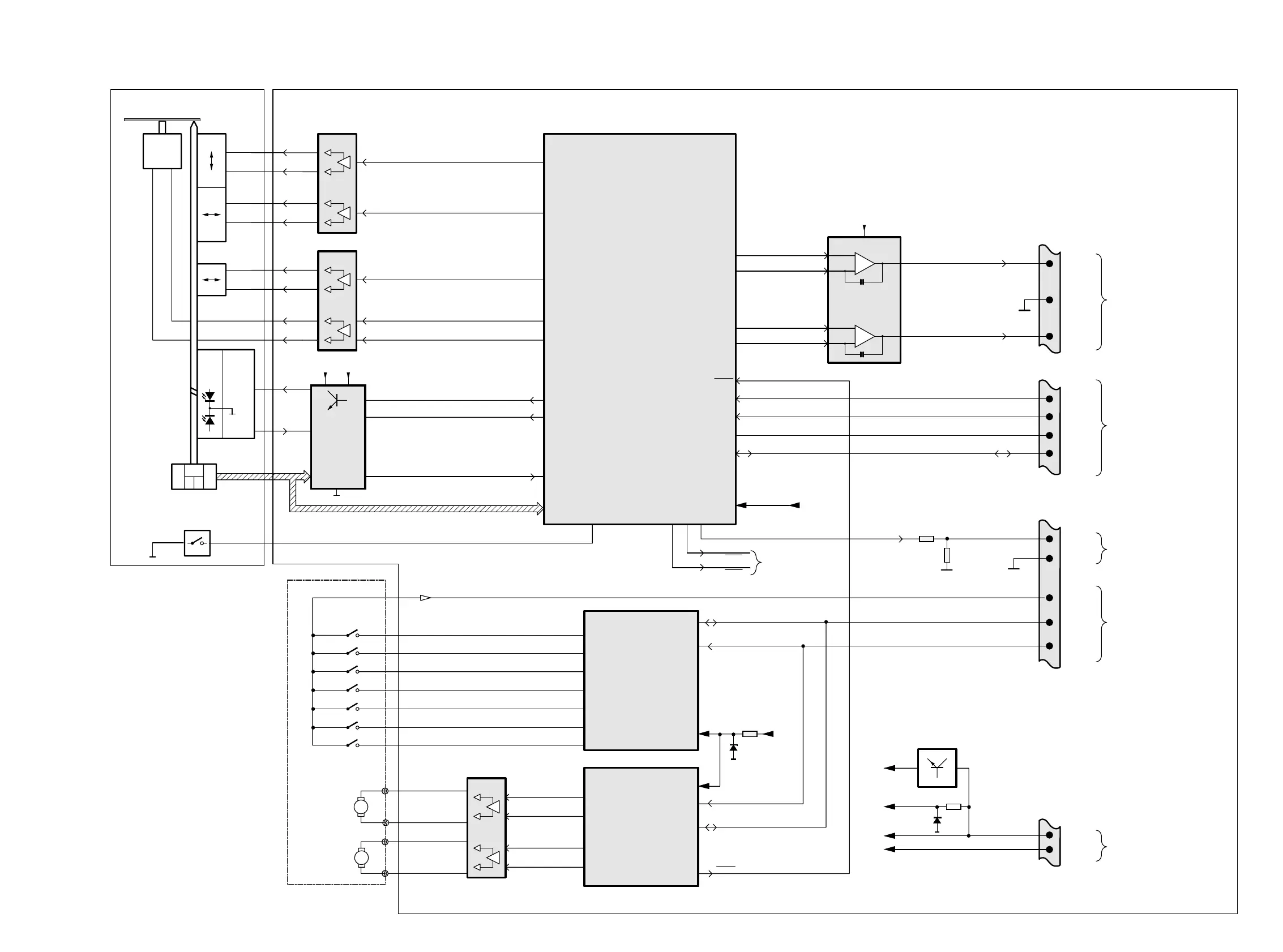
Philips MC-50/22 - Block Diagram 3 DTC

Philips MC-50/22
94 pages
Print Icon
To Next Page IconTo Next Page
To Next Page IconTo Next Page
To Previous Page IconTo Previous Page
To Previous Page IconTo Previous Page
Loading...
10-1110-11
SDA
VCC
KILL DOBM
D1-D5
D2-D4
7803
7802
7815
7813
7814
TDA7073A
TDA7073A
TDA7073A
HEF4094BT
TTM +
TTM -
MOT2
LD ON
LD
MON
CD R/W
HF IN
V1
D1
D2
D3
D4
R1,R2
MOT1
SLEDGE -
SLEDGE +
RAD -
RAD +
FOC -
FOC +
REGISTER
SHIFT
M62320FP
REGISTER
SHIFT
SIGNAL PROCESSOR
CD10
SAA7324 (SAA7325)
DRAWER
MOTOR
CARRIAGE
MOTOR
SLIDER REVERSE
SW8
SW4
CARRIAGE NUMBER
SW2
CARRIAGE EXTRA
CARRIAGE HOME
SL
D5
VDD
+10V
D3
D2
D0
RA
FO
DIODES
PHOTO
D3D2
D5D1
D4
INNER SWITCH
SWITCH INFO
LASER &
MONITOR
DIODE
TURNTABLE
MOTOR
DISC
VAM2201
CD MECHANISM
FOCUS
MOTOR
RADIAL
MOTOR
SLEDGE
MOTOR
MOTOR
TURNTABLE
MAINBOARD
DATA
SHR_CL
DATA
SHR_CL
7801
+3,3V
7800
Laser Control
&
HF AMPLIFIER
TZA1024 (TZA1025)
55
54
56
38
42
40
39
5,17,21,52,57
59
60
64
1
13
+5V
2
4
5
7
V4
61
2
63 513234
10
11
6,14
12
7
2
3
16
13
3
2
4
10
7
6
4
VDD
5V1
+3,3V
KILL R
KILL L
not connected
SICL
SILD
RESET
Blockdiagram 3DTC 2000-06-05
Closed if carriage extra has been detected
SW7
SLIDER FORWARD
5
Closed if slider moves forwards
Closed if slider moves backwards
SW4 and SW5 define the used carriage
SW6
DRAWER OPEN/CLOSE
SW3
13
6
Closed if carriage is in play position.
Closed if the drawer closed
SW5
CARRIAGE NUMBER
14
Loader mechanic
+5V
+4V
+3,3V
+10V
7811
+5V
6801
BLOCK DIAGRAM 3DTC
1803
17
18
19
14
16
1803
1803
13
3
4
11
SHR-DATA
12
1803
8
6
9
BASIC Version
Active low pass
Filter
TDA1308
7816
7
15
5
2
3
6
+5V
8
+
-
+
-
CD LEFT
CD RIGHT
22
23
18
19
RN
RP
LN
LP
12
RESET
D7
DATA
SHR_CL
SWITCH INFO
10
RAB
41
RAB
EBU OUT EBU
SICL
SILD
+5V
+10V
Supply
Digital Audio
Changer
Control Logic
Analog Audio
Communication
µP Signal Processor
www.freeservicemanuals.info
It`s Free

Table of Contents

Related product manuals