EasyManua.ls Logo

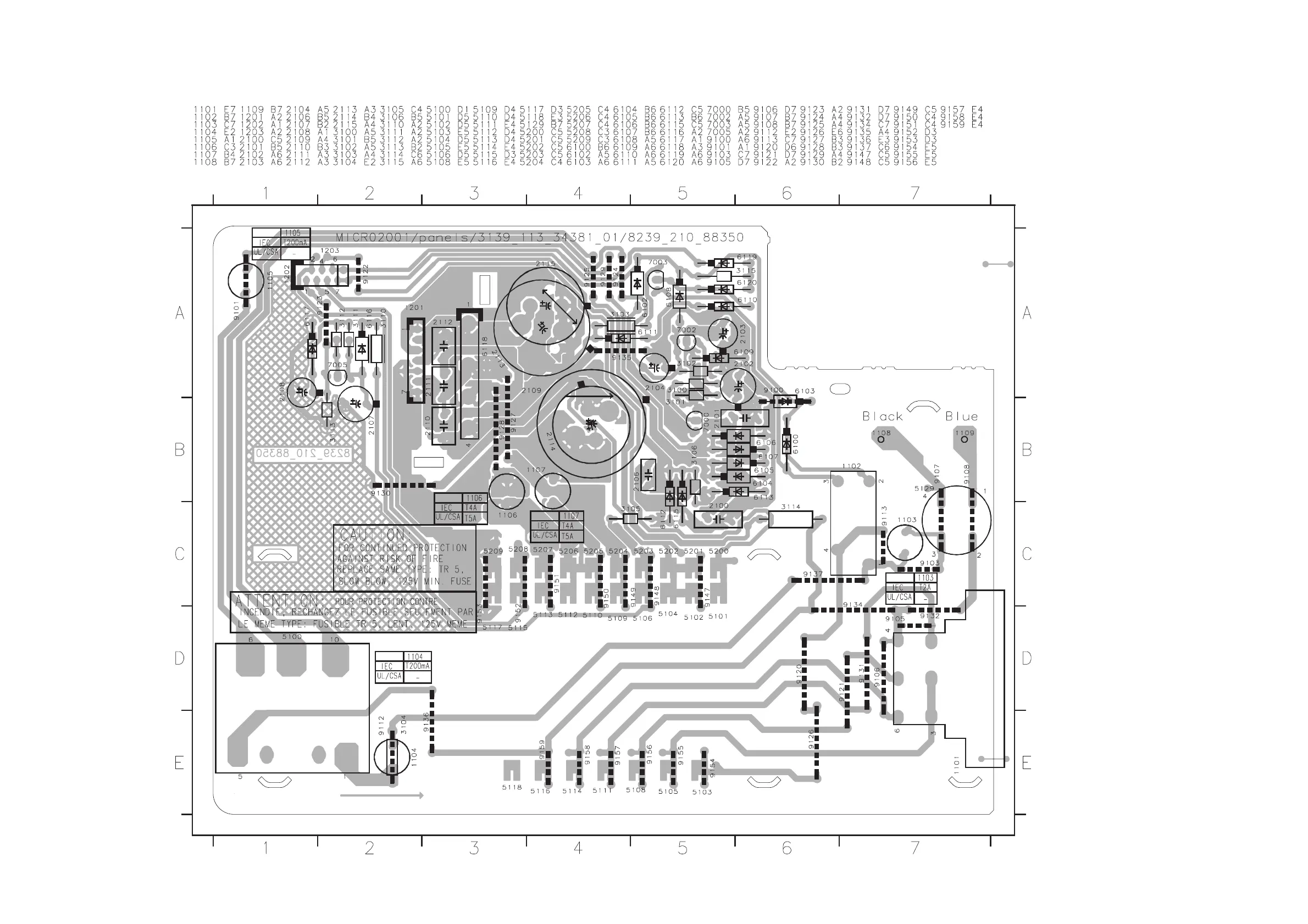
Philips MC-50/22 - Component Side View

Philips MC-50/22
94 pages
Print Icon
To Next Page IconTo Next Page
To Next Page IconTo Next Page
To Previous Page IconTo Previous Page
To Previous Page IconTo Previous Page
Loading...
11-4
11-4
This assembly drawing shows all possible versions. For components used in a spsecific version see schematic diagram and respective parts lists.
3139 113 3438 pt 1 dd wk 103
MAINS PART - COMPONENT SIDE VIEW
www.freeservicemanuals.info
It`s Free

Table of Contents

Related product manuals