EasyManua.ls Logo

Philips Q552.2E - Page 158

Philips Q552.2E
204 pages
Print Icon
To Next Page IconTo Next Page
To Next Page IconTo Next Page
To Previous Page IconTo Previous Page
To Previous Page IconTo Previous Page
Loading...
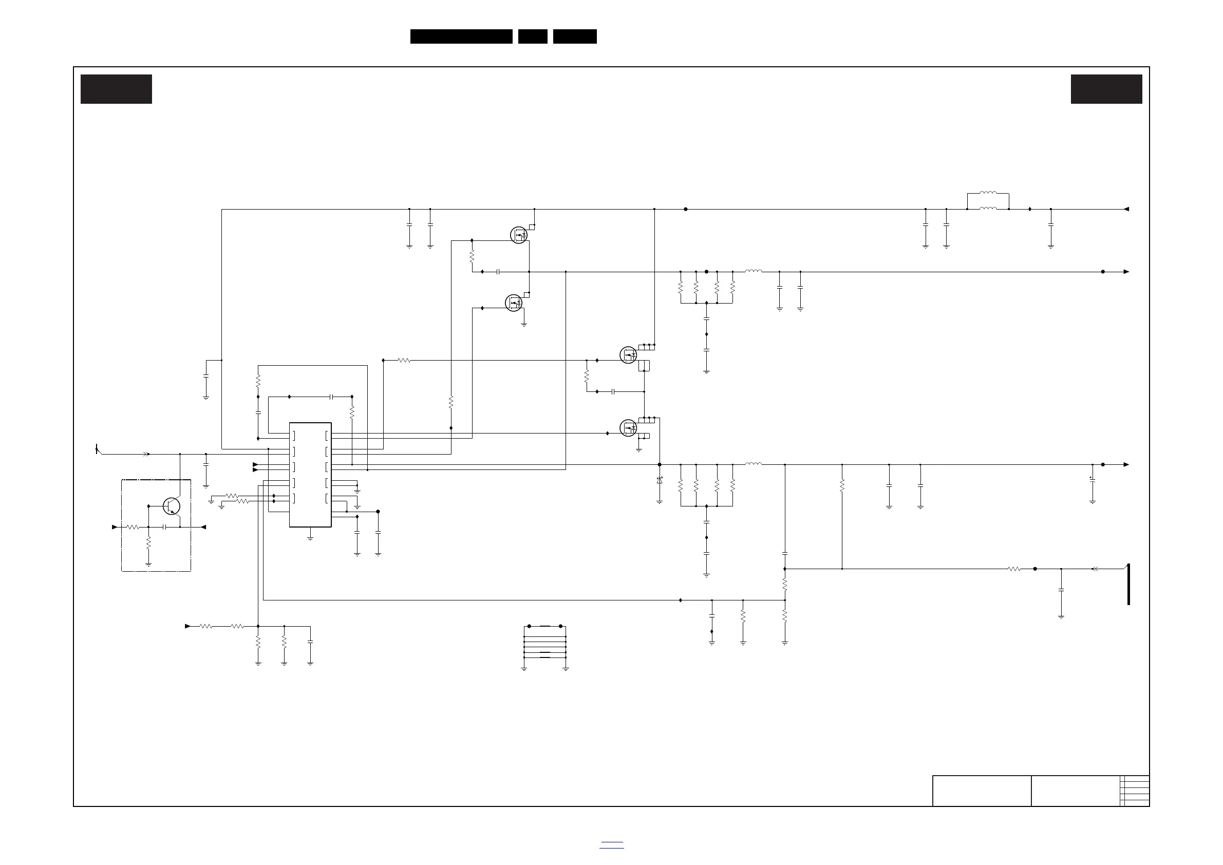
EN 158Q552.2E LA 10.
Circuit Diagrams and PWB Layouts
2011-Jun-01
back to
div. table
DC/DC
19101_031_110504.eps
110504
DC/DC
B03B B03B
2011-02-01
2
3139 123 6519
SPB SSB TV550
2K11 4DDR EU SD
2
VFB
1
2
TRIP
DRVL
1
2
DRVH
1
2
SW
1
2
PGND
1
2
TEST
1
2
VREG5
V5FILT
1
2
VIN
GND
VBST
1
2
EN
1
2
VO
1
12V/1V8 CONVERSION
RES
12V/1V1 CONVERSION
10u
2U19
10u
2U23
47u
2U15
5U01
2u0
10K
IU03
10R
RES
3U00
3U20
2U10
1u0
3U01
10K
IU20
IU04
IU10
FU05
+1V1
6U00
STPS2L30A
2U17
1n0
GND-SIG GND-SIG
FU02
GND-SIG
GND-SIG
GND-SIG
GND-SIG
IU16
1%
3U17
330R
22K
3U10
100n
2U01
3U28
10R
+1V8
+1V1
1n0
2U18
FU00
GND-SIG
GND-SIG
GND-SIG
3U03
12K
CU04
1%
CU05
3U08
330R
10u
2U00
CU00
2U29
100n
RES
3R3
3U05
2U02
100n
3U27
10R
GND-SIG
IU21
1% 1K0
3U18
5K6
3U19
3R3
FU04
3U04
47R
3U24-2
RES
3U24-3
47R
100p
2U08
47R
3U23-2
27
3U23-3
47R
3 6
2U12
47u
22u
2U16
1
SI4952DY
7U02-1
7 8
2
56
4
3
7U02-2
SI4952DY
+3V3-STANDBY
22u
2U13
10u
2U24
2U25
10u
+12V
IU11
4
123
2U21
220p
7U04
SI4778DY
5678
7 8
4
123
5U00
3u6
SI4778DY
7U01
56
FU06
FU01
5
8
20
4
9
19
15
24
13
7
17
21
16
18
2
11
1
12
23
14
3
10
6
22
7U03
TPS53126PW
IU01
IU24
+1V8
3U22
1K0 1%
2U09
1n0 1n0
2U11
IU25
3U24-1
47R
2U05
1u0
IU19
IU18
IU15
3U21
100R 1%
5U03
30R
RES
FU03
2U04
10u
22K
3U02
RES
GND-SIG
GND-SIG
2U03
1n0
IU09
IU14
IU12
IU23
100p
2U07
RES
3U09
1%
2U20
1K0
1u0
2U14
100u 2.0VRES
+1V1
IU22
1 8
47R
3U24-4
+1V8
3U23-1
47R
IU13
220p
2U22
3U14
3R3
3U23-4
45
47R
3R3
3U11
GND-SIG
5U02
30R
IU02
IU08
IU05
IU07IU06
2U06
100n
BC847BW
1
3
2
CU01
7U00
CU02
CU03
FU09 FU08
IU17
ENABLE-1V8
SENSE+1V1

Table of Contents

Related product manuals