EasyManua.ls Logo

Philips Q552.2E - Page 159

Philips Q552.2E
204 pages
Print Icon
To Next Page IconTo Next Page
To Next Page IconTo Next Page
To Previous Page IconTo Previous Page
To Previous Page IconTo Previous Page
Loading...
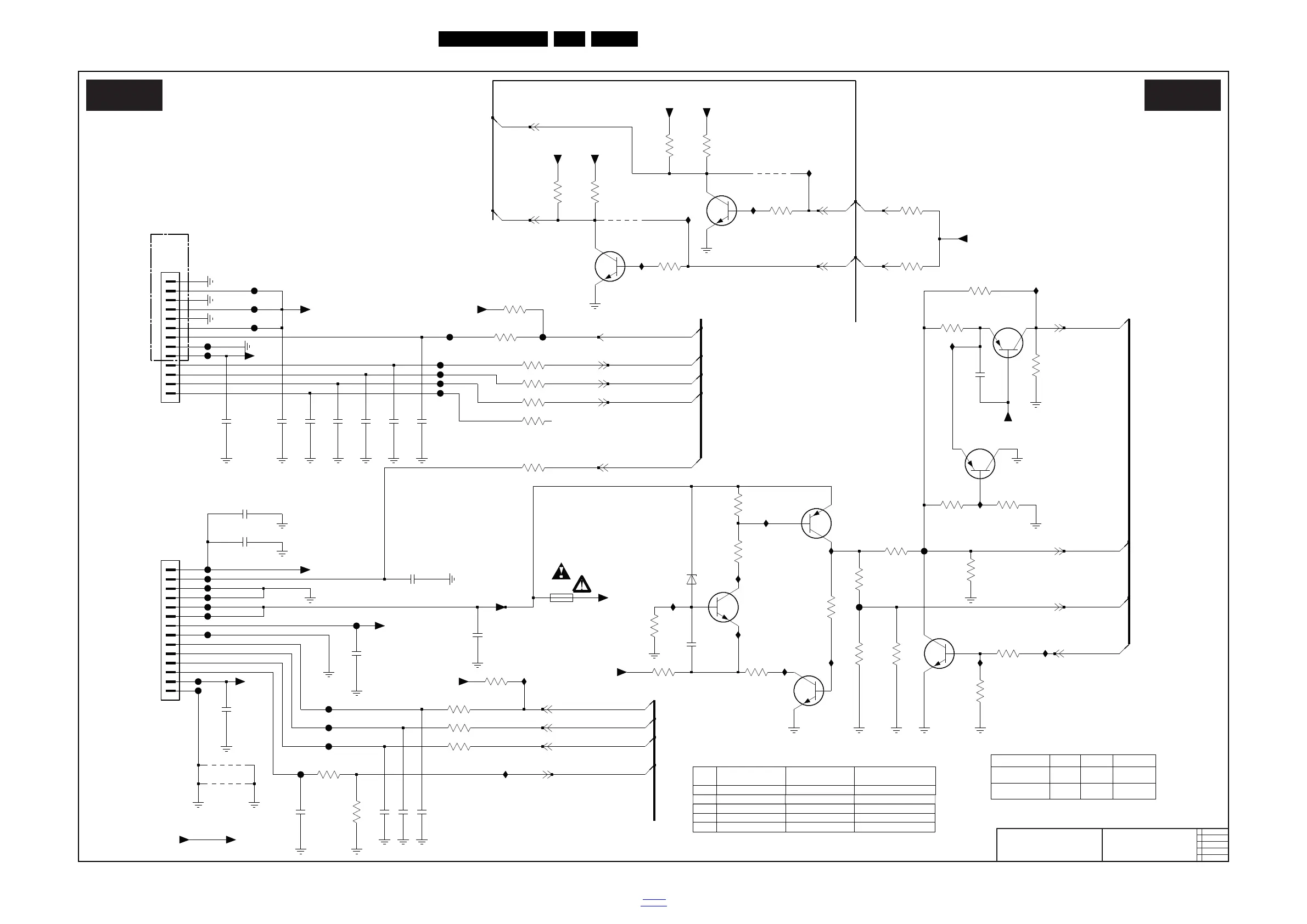
Circuit Diagrams and PWB Layouts
EN 159Q552.2E LA 10.
2011-Jun-01
back to
div. table
DC/DC
19101_032_110504.eps
110504
DC/DC
B03C B03C
2011-02-01
2
3139 123 6519
SPB SSB TV550
2K11 4DDR EU SD
no
4U01
Items
( +24V AL)
yes no
100p
Core Range
13 POLE
open
**
**
yes
Emmy
**
1M99
yes
yes
yes
yes
**
**
( +12V AL)
3U432U44
no
no
no
no
optionally 1M99 is a 9 pin connector
*
Sundance / Infinity
BlockBuster
1M95
2U56
(For non-Amblight sets)
4U00
yes no
*
no
Optional table for Ambilight
MAINS-OK
Dream Catcher
3U65
1M95
0R
100R 14 POLE
100K
1K0
3U64
27
100K
3 6
3U83-2
100K
3U83-3
FU78
FU77
+24V
FU52
GND_AL
4U01
4U00
3U42
100R
3U45
+12VIN
GND_AL
100R
+12VD
2U44 100p
FU53
FU50
FU49
FU48
FU54
IU41
+3V3
IU64
10K
3U56
2U51
100pRES
GND_AL
GND_AL
BC857BS(COL)
7U48-2
5
3
4
2U71
100n
2U56
1n0
100p
2U48
RES
FU62
+12VIN
2U57
1n0
RES
1n0
2U58
RES
FU68
RES
100R3U84
2U72
100p
RES
FU07
3U44
100R
2U53
1n0
3U75
10K
9U41
RES
3U83-4
45
100K
1 8
100K
3U83-1
2U43
IU51
8
100p
10K
3U62-1
1
3U62-3
10K
36
22K
45
+3V3-STANDBY
+12V_AL
3U60-4
IU44
FU55
IU55
FU73
IU52
FU76
FU75
RES 10K
3U63
IU56
3U43
100R
4
RES 10K
3U61
BC847BS(COL)
7U41-2
5
3
3U81
10K
+3V3
FU60
FU63
100pRES
FU66
2U52
FU59
2U46 10n
1n02U45
RES
FU51
100R
3U76
T 32V3.0A
1U40
10K
3U71
100R
+12VIN
RES
3U41
3U53
10K
RES10K
3U59
IU57
+5V
IU40
FU74
10K
3U68
+3V3
+3V3-STANDBY
RES
10K
3U69
2
6
1
+3V3-STANDBY
BC857BS(COL)
7U48-1
BC847BW
7U42 RES
RES
100p
2U49
1K0
3U82
8 1
RES
IU62
3U60-1
22K
IU50
10K
3U62-4
45
3U62-2
10K
27
IU49
72
FU72
6
3U60-2
22K
22K
3U60-3
3
IU47
+3V3-STANDBY
+12V
5
3
4
GND-AUDIO
1
7U40-2
BC847BPN(COL)
BC847BPN(COL)
7U40-1
2
6
10n
2U54
2U68
1u0
FU57
FU56
RES
9U42
7U43
BC847BW
3U67 100R
RES
RES
100R3U66
10n
2U50
6U40
BZX384-C6V2
IU61
IU43
IU45
+3V3-STANDBY
3U73
2U55
1u0
3K3
BC847BS(COL)
2
6
1
RES
7U41-1
10K
3U74
RES
FU61
2U47
10n
IU63
8
9
+24V-AUDIO-POWER
IU48
11
12
13
14
2
3
4
5
6
7
1-2041145-4
1M95
1
10
FU58
4K7
3U80
1K0
3U72
13
2
3
4
5
6
7
8
9
1M99
1-2041145-3
1
10
11
12
FU67
10K
3U70
+3V3
LAMP-ON
BACKLIGHT-PWM_BL-VS
BACKLIGHT-BOOST
POWER-OK
3D-LR3D-LR-1
MAINS-OK-1
BACKLIGHT-PWM_BL-VS-1
BACKLIGHT-BOOST-1
LAMP-ON-1
POWER-OK-1
BL-SPI-CSn-1
BL-SPI-CLK-1
BL-SPI-SDO
BL-SPI-CSn
ENABLE-1V8
ENABLE-3V3n
ENABLE-3V3-5V
BL-SPI-CLK
LED-1
LED1
LED-2
LED2 LED2
LED1
BL-SPI-SDO-1
STANDBY-1
STANDBY
DETECT2

Table of Contents

Related product manuals