EasyManua.ls Logo

Philips Q552.2E - Page 64

Philips Q552.2E
204 pages
Print Icon
To Next Page IconTo Next Page
To Next Page IconTo Next Page
To Previous Page IconTo Previous Page
To Previous Page IconTo Previous Page
Loading...
IC Data Sheets
EN 64 Q552.2E LA8.
2011-Jun-01
back to
div. table
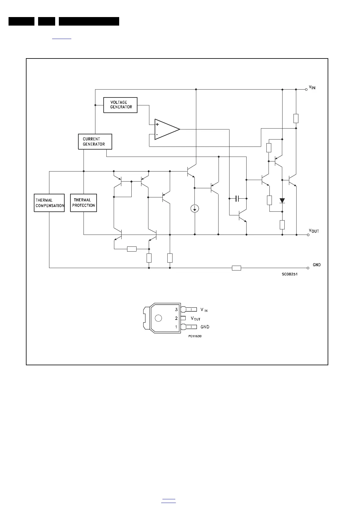
8.7 Diagram DC/DC B03E, LD1117DT25 (IC 7UD2)
Figure 8-7 Internal block diagram and pin configuration
F_15710_166.eps
100402
Block diagram
Pinning information
DPAK
LD1117DT

Table of Contents

Related product manuals