EasyManua.ls Logo

Physio Control LIFEPAK 9 - Page 184

Physio Control LIFEPAK 9
214 pages
Print Icon
To Next Page IconTo Next Page
To Next Page IconTo Next Page
To Previous Page IconTo Previous Page
To Previous Page IconTo Previous Page
Loading...
LIFEPAK
9
defibrillator/monitor
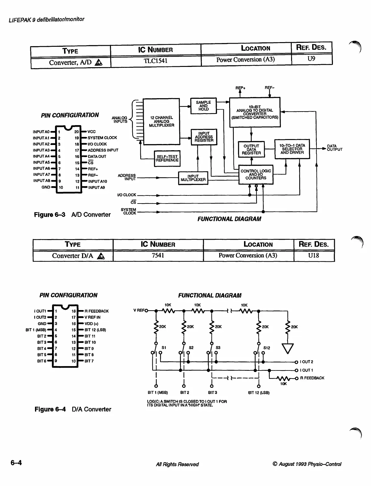
TYPE
IC
NuMBER
LOCATION
REF.
DES.
i
9
Converter,
AD
À
TLC1541
Power
Conversion
(A3)
U
Y
"T
SAMPLE
=
AL
|
PIN
CONFIGURATION
ANALOG
--Ἱ
12
CHANNEL
(SWITCHED
CAPACITORS)
INPUTS
$
CI
ANALOG
ZT
MULTIPLEXER
INPUT
AO
em
1
VCC
INPUT
|
ーー
RESS
INPUTA1
em
2
SYSTEM
CLOCK
ADDRESS
INPUT
A2
emt
YO
CLOCK
OUTPUT
10-TO-1
DATA
DATA
INPUT
A3
emeli
4
ADDRESS
INPUT
DATA
SELECTOR
OUTPUT
REĞİSTER
AND
DRIVER
INPUT
Ad
an
5
DATA
OUT
SELF-TEST
A
7
y
mon
os
ore
|
DRES
INPUT
AB
em
9
INPUT
A10
INPUT
κ
MULTIPLEXER
COUNTERS
GND
«mf
10
INPUT
A9
MO
CLOCK
>
cs
>
SYSTEM
.
>
-ᾱ-----
Figure
6-3
A/D
Converter
CLOCK
9
9
FUNCTIONAL
DIAGRAM
TYPE
IC
NUMBER
LOCATION
REF.
DES.
Converter
D/A
À
7541
Power
Conversion
(A3)
U18
PIN
CONFIGURATION
FUNCTIONAL
DIAGRAM
10K
10K
10K
|
OUT
1
A
FEEDBACK
V
REF
|
OUT2
œil
2
V
REF
IN
GND
=
3
VOD
(+)
BIT
1
(MSB)
«=
4
BIT
12
(LSB)
20K
20K
BIT2
m
5
BIT
11
6173
6
BIT
10
BIT
4
em
7
BIT9
$1
$12
BITS
emil
8
BIT8
|
7
|
|
|
BIT
6
«nf
9
BIT7
|
|
|
—o
1OUT2
UL
ti
U
|
ーO
!
OUT
1
|
|
L
boo
R
FEEDBACK
d
ó
å
$x
BIT
1
(MSB)
BIT2
BIT3
BIT
12
(LSB)
LOGIC:
A
SWITCH
IS
CLOSED
TO
|
OUT
1
FOR
ITS
DIGITAL
INPUT
IN
A“HIGH”
STATE.
Figure
6-4
D/A
Converter
6-4
All
Rights
Reserved
©
August
1993
Physio—Control

Table of Contents

Other manuals for Physio Control LIFEPAK 9

Related product manuals