EasyManua.ls Logo

Physio Control LIFEPAK 9 - Page 185

Physio Control LIFEPAK 9
214 pages
Print Icon
To Next Page IconTo Next Page
To Next Page IconTo Next Page
To Previous Page IconTo Previous Page
To Previous Page IconTo Previous Page
Loading...
Component
Reference
Diagrams
6
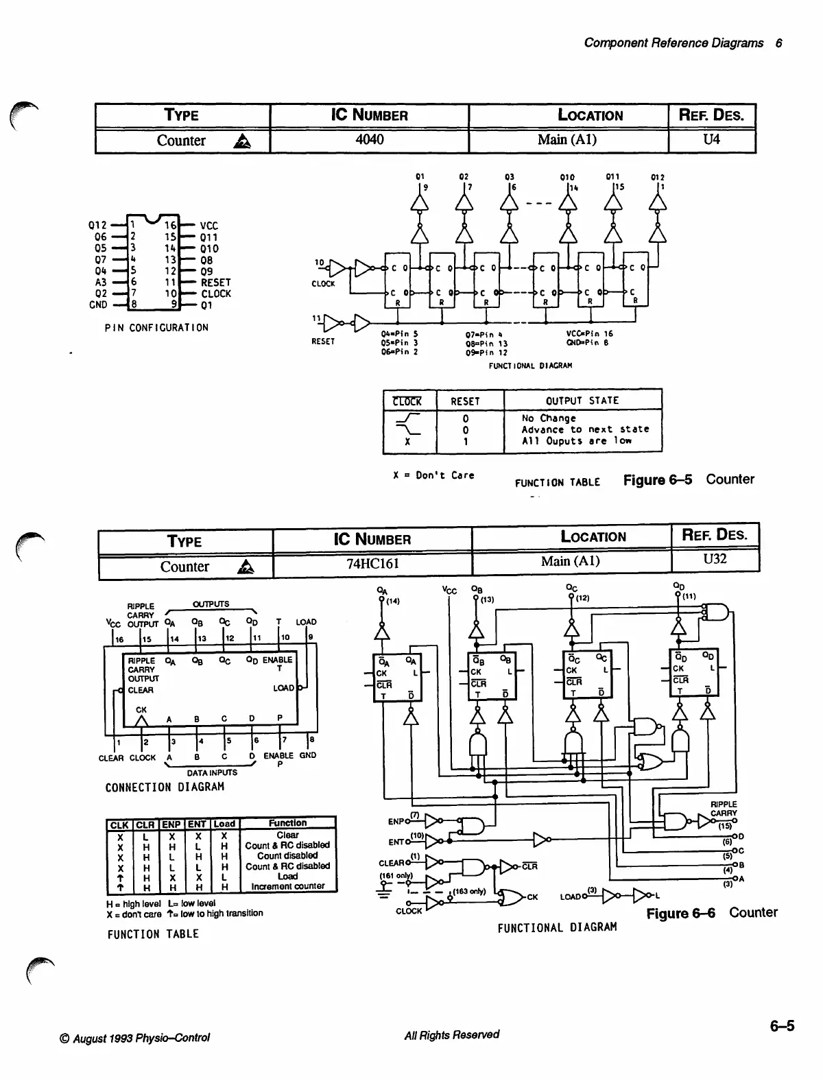
TYPE
IC
NUMBER
LOCATION
REF.
DES.
Counter
A
4040
Main
(A1)
U4
01
02
03
010
011
012
9
7
6
14
15
1
10
bC
0
pC
0
С
ーー
C
0
pC
0
PC
O
CLOCK
'
c
ob—bc
ob—bc
—-»c
0
PC
0
c
R
R
R
R
Р
|
R
R
1
PIN
CONFICURATION
>
>
1
RESET
Qu=Pin
$
Q7=Pin
à
VCC=Pin
16
.
05Pin
3
Q8=Pin
13
CNO=Pin
8
06=Pin
2
09
Pin
12
FUNCTIONAL
DIAGRAM
TLOCK
RESET
OUTPUT
STATE
SN
0
No
Change
AT
0
Advance
to
next
state
X
1
All
Ouputs
are
low
X
=
Don't
Care
.
FUNCTION
TABLE
Figure
6-5
Counter
TYPE
IC
NuMBER
LOCATION
REF.
DES.
Counter
B
74HC161
Main
(A1)
U32
Ve
OB
Qc
Oo
RIPPLE
OUTPUTS
(14)
(12)
CARRY
wc
OUTPUT
CA
Se
αν
O
T
LOAD
16
15
14
13
12
1
10
9
RIPPLE
CA
O
Ос
Op
ENABLE
CARRY
T
OUTPUT
CLEAR
LOAD
οκ
AN
A
B
C D
P
1
2
3
4
5
6
7
8
CLEAR
CLOCK
A
8
C
D
ENABLE
GND
DATA
INPUTS
CONNECTION
DIAGRAM
RIPPLE
CLK
[CLR
ENP
[ENT
|
Load
Function
CARRY
x{LIX{X{X
Clear
(19)
x
|
H|
H
|
L
|
H
|
Count
&
RC
disabled
XI
HÍLÍHÍH
Count
disabled
x
|
H
|
L
|
L
|
H
|
Count
a
AC
disabled
+
|
Hlx
|
xlL
Load
H
H
H
H
Increment
counter
A
Ha
high
level
L
low
level
X
=
dont
cara
=
low
to
high
transition
FUNCTION
TABLE
Figure
6-6
Counter
FUNCTIONAL
DIAGRAM
©
August
1993
Physio—Control
All
Rights
Reserved
6-5

Table of Contents

Other manuals for Physio Control LIFEPAK 9

Related product manuals