EasyManua.ls Logo

Pioneer PDP-433CMX - Page 166

Pioneer PDP-433CMX
177 pages
To Next Page IconTo Next Page
To Next Page IconTo Next Page
To Previous Page IconTo Previous Page
To Previous Page IconTo Previous Page
Loading...
166
PDP-433CMX
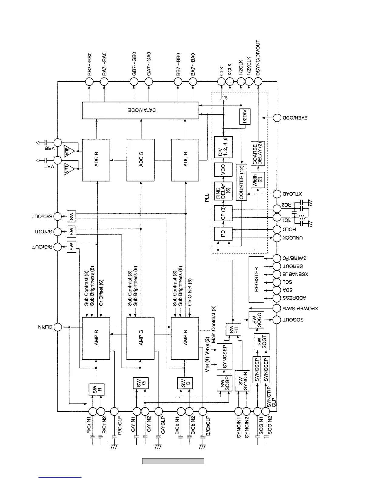
Block Diagram

Other manuals for Pioneer PDP-433CMX

Related product manuals