EasyManua.ls Logo

Pioneer PDP-433CMX

Pioneer PDP-433CMX
177 pages
To Next Page IconTo Next Page
To Next Page IconTo Next Page
To Previous Page IconTo Previous Page
To Previous Page IconTo Previous Page
Loading...
171
PDP-433CMX
1
V SUS
2
V SUS
3
V SUS
4
V SUS
5
N.C.
8
N.C.
11
N.C.
VCC
IC1
C1
C7
C3
TR7
TR2
D2
D1R12
R1
R2
HIN
LIN
PGND
LO
VS
HO
VB
13
N.C.
17
N.C.
14
IN2
15
DUMMY
16
IN1
18
IN4
19
DUMMY
20
IN3
21
PL2
30
PL1
PL1
25
PC2
24
PC2
26
PC1
PC1
22
PL2
23
N.C.
31
N.C.
36
N.C.
34
POWER GND
35
POWER GND
33
POWER GND
32
POWER GND
28
N.C.
12
SUB GND
9
SIG GND
6
VCC
7
DUMMY
10
SIG GND
TR1
TR8
R4
R7
R8
R3
TR3 TR4
VCC
IC2
C2
C9
C4
TR9
TR5
TR6
D4
D3R13
R5
D7
D6
D8
D9
D10
HIN
LIN
PGND
LO
VS
HO
VB
C8
C10
TR10
R9
R11
R6
ZD1
R10
C5
C6
27
29
38
OUT L
39
OUT H
40
OUT H
OUT L
37
D12R19
R15
D13R20
R16
D14R21
R17
D11R18
R14
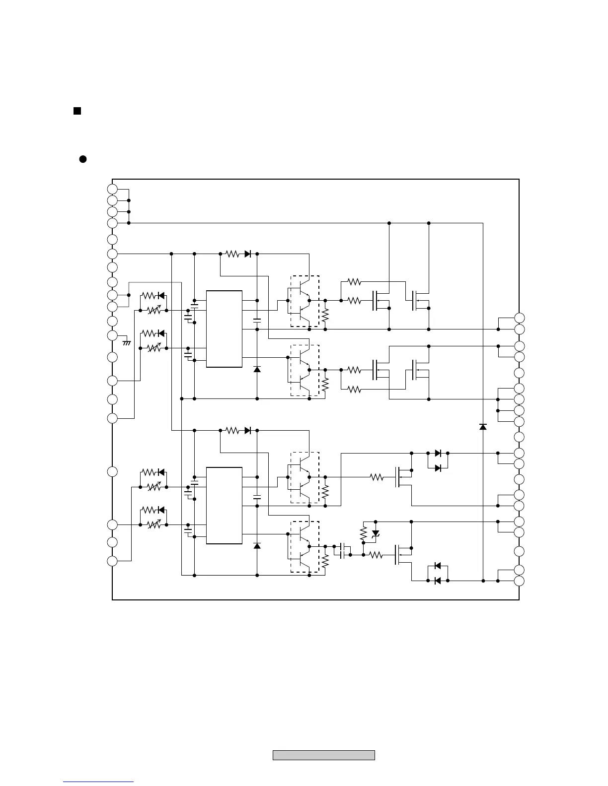
STK795-470 (X DRIVE ASSY : IC3200, IC3201, Y DRIVE ASSY : IC2206, IC2214)
PDP Pulse Module IC
Block Diagram

Other manuals for Pioneer PDP-433CMX

Related product manuals