EasyManua.ls Logo

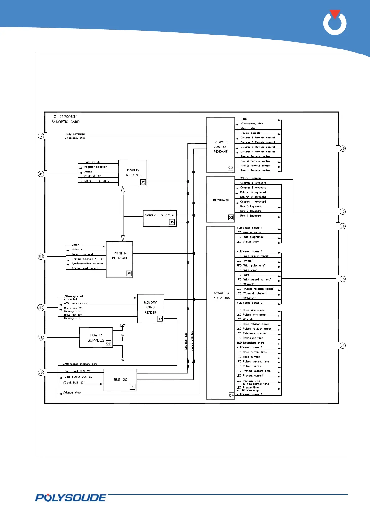
Polysoude PS 406-2 - Fig. 6.21 - Synoptic Card

Default Icon
92 pages
Print Icon
To Next Page IconTo Next Page
To Next Page IconTo Next Page
To Previous Page IconTo Previous Page
To Previous Page IconTo Previous Page
Loading...
PN-0908073 Rev. 11 73-92
PS 164-2
THE ART OF WELDING
Fig. 6.21 - Synoptic card

Table of Contents

Related product manuals