EasyManua.ls Logo

power automation PA 8000 EL - Page 36

power automation PA 8000 EL
108 pages
Print Icon
To Next Page IconTo Next Page
To Next Page IconTo Next Page
To Previous Page IconTo Previous Page
To Previous Page IconTo Previous Page
Loading...
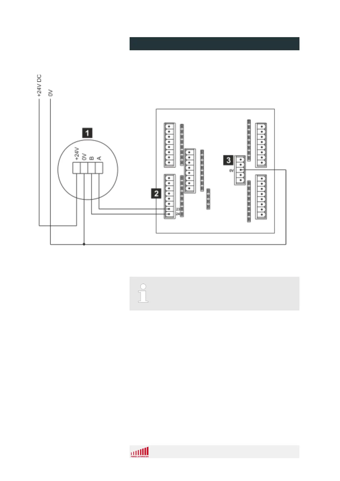
Fig. 13: Wiring schematic handwheel inputs
1 Handwheel
2 Input byte 3
3 Power supply connector
The ground of the power supply used for the hand-
wheel must be connected to the one of the power sup-
plies of the 2416 EL module (connector X30, pin 3).
Wiring Schematic
PA 8000 EL CNC control unit
Design and function
24.09.2015 | 36

Table of Contents

Related product manuals