EasyManua.ls Logo

Regency P36E-NG10 - Wiring Diagram

Regency P36E-NG10
72 pages
Print Icon
To Next Page IconTo Next Page
To Next Page IconTo Next Page
To Previous Page IconTo Previous Page
To Previous Page IconTo Previous Page
Loading...
P36E-10 Zero Clearance Direct Vent Gas Fireplace | 49
49
|
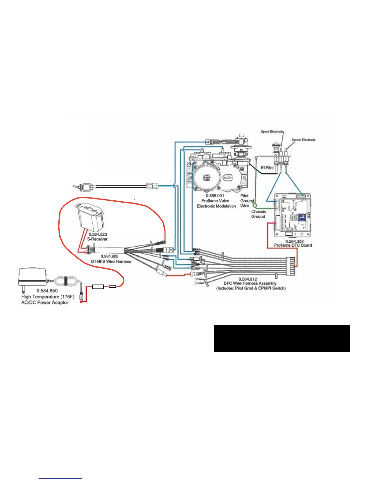
installation
CAUTION: Label all wires prior to disconnection
when servicing controls. Wiring errors can cause
improper and dangerous operation.
Caution: Ensure that the wires do not touch any
hot surfaces and are away from sharp edges.
Proflame System
Configuration
886 GTMF
Wire Diagram
SureFire™ Switch
885
1 of 10
AC Adaptor
WIRING DIAGRAM
This heater does not require a 120V A.C. supply for operation but it is highly recommended to install the supplied AC adaptor to eliminate the need for
batteries. In case of a power failure, the burner switch and the optional remote control will continue to operate if batteries are installed in the receiver..
However, a 120V A.C. power supply is needed for the fan/blower operation.
(Do not cut the ground terminal o󰀨 under any circumstances.)
NOTE: Even if the fan is not purchased with the unit, it is still a good idea to bring power to the receptacle box (provided with the unit) in case
the fan is installed at a later date.

Table of Contents

Related product manuals