EasyManua.ls Logo

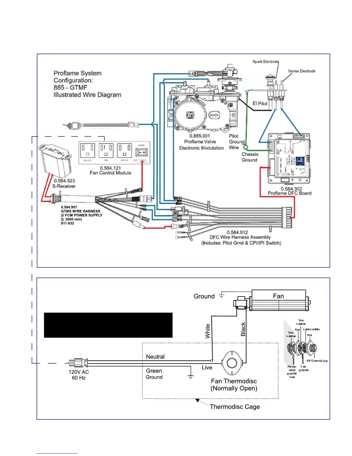
Regency P36E-NG10 - Wiring Diagram with Optional Fan

Regency P36E-NG10
72 pages
Print Icon
To Next Page IconTo Next Page
To Next Page IconTo Next Page
To Previous Page IconTo Previous Page
To Previous Page IconTo Previous Page
Loading...
50 | P36E-10 Zero Clearance Direct Vent Gas Fireplace
|
50
installation
WIRING DIAGRAM WITH OPTIONAL FAN
SureFire™ Switch
CAUTION: Label all wires prior to disconnection
when servicing controls. Wiring errors can cause
improper and dangerous operation.
Caution: Ensure that the wires do not touch any
hot surfaces and are away from sharp edges.

Table of Contents

Related product manuals