EasyManua.ls Logo

Reliance 7900 - Roller Frame Assembly

Reliance 7900
60 pages
Print Icon
To Next Page IconTo Next Page
To Next Page IconTo Next Page
To Previous Page IconTo Previous Page
To Previous Page IconTo Previous Page
Loading...
IN-790034
2
3
16
1
15
8
7
4
25
6
9
10
5
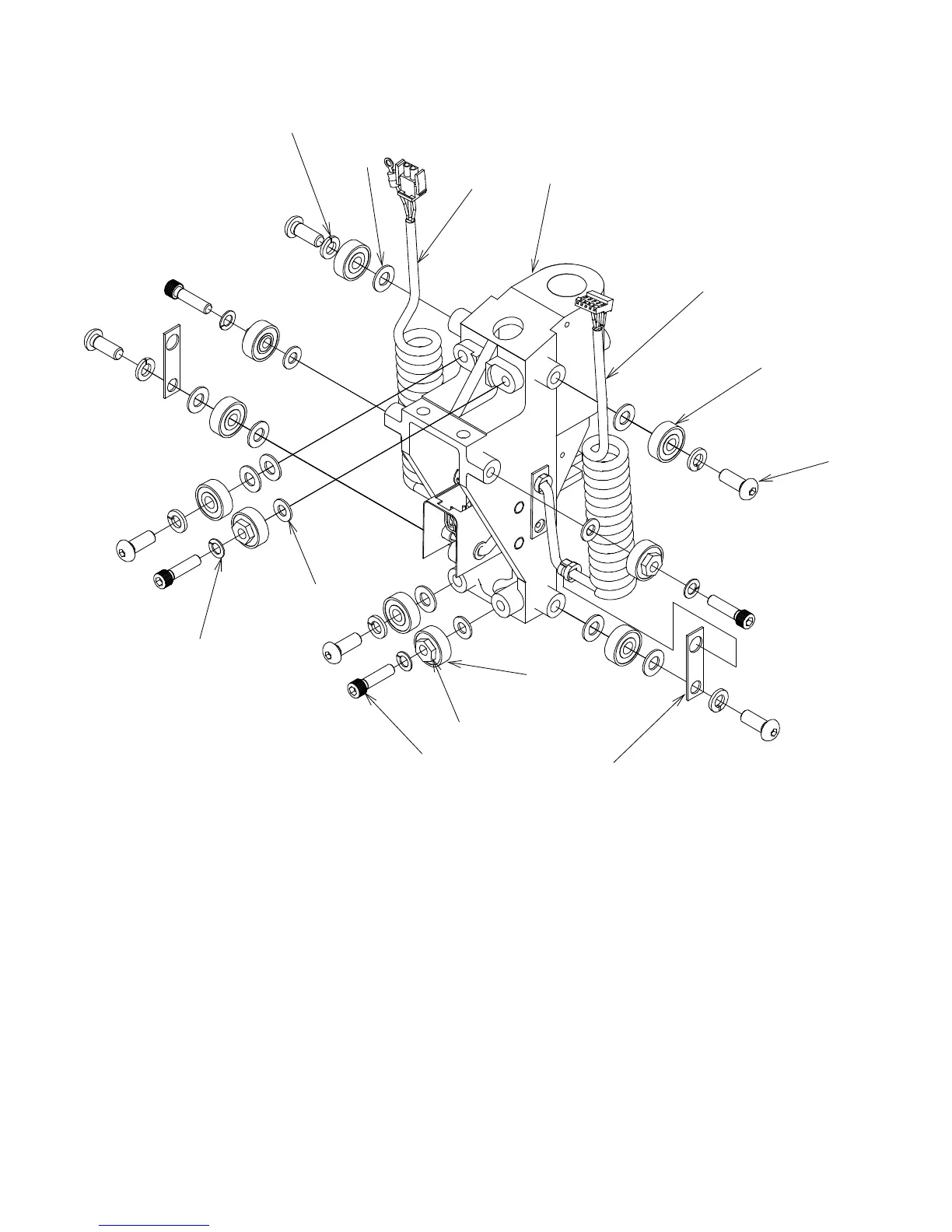
FIGURE 25
ROLLER FRAME ASSEMBLY
To order complete Roller Frame Assembly use P/N.
1966192 7900 Roller Frame Assembly*
*Please specify paint color when ordering.

Table of Contents

Related product manuals