EasyManua.ls Logo

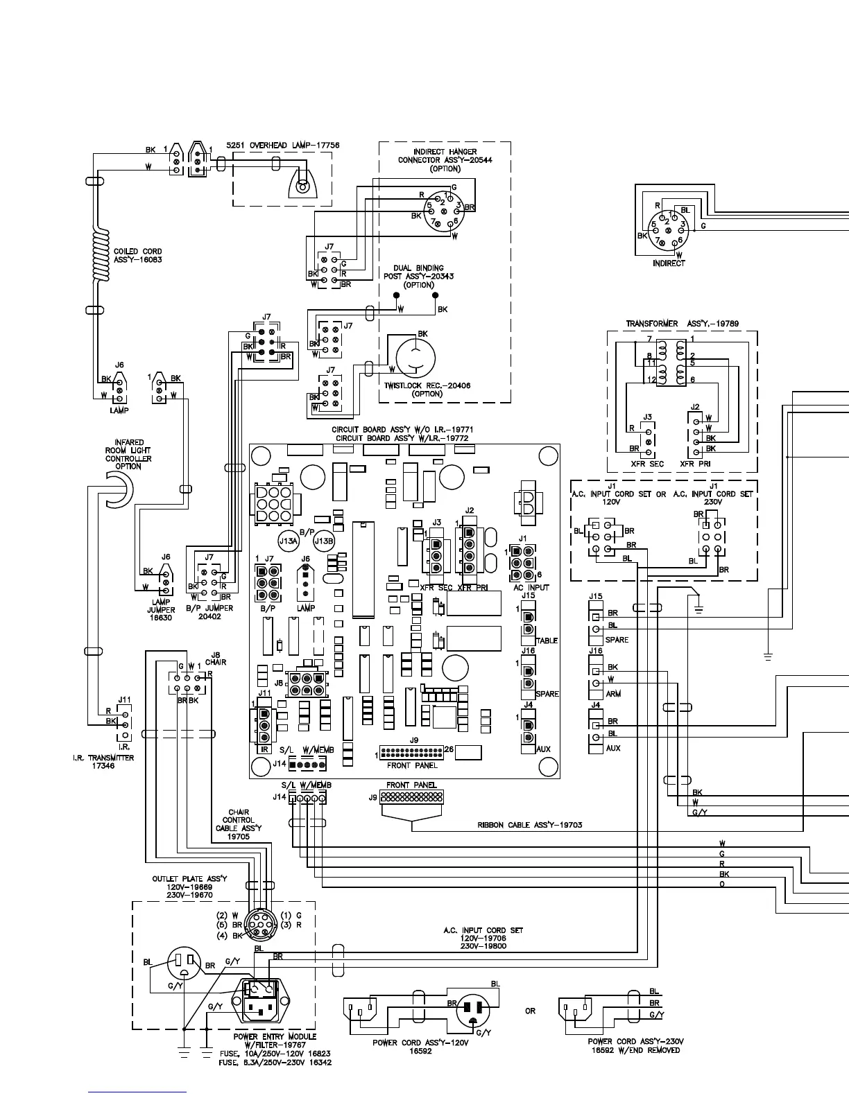
Reliance 7900 - CONSOLE WIRE DIAGRAM (WITH AND WITHOUT IR); Console Wiring Schematic

Reliance 7900
60 pages
Print Icon
To Next Page IconTo Next Page
To Next Page IconTo Next Page
To Previous Page IconTo Previous Page
To Previous Page IconTo Previous Page
Loading...
IN-790052
FIGURE 34
WIRE DIAGRAM - CONSOLE (WITH AND WITHOUT IR)

Table of Contents

Related product manuals