EasyManua.ls Logo

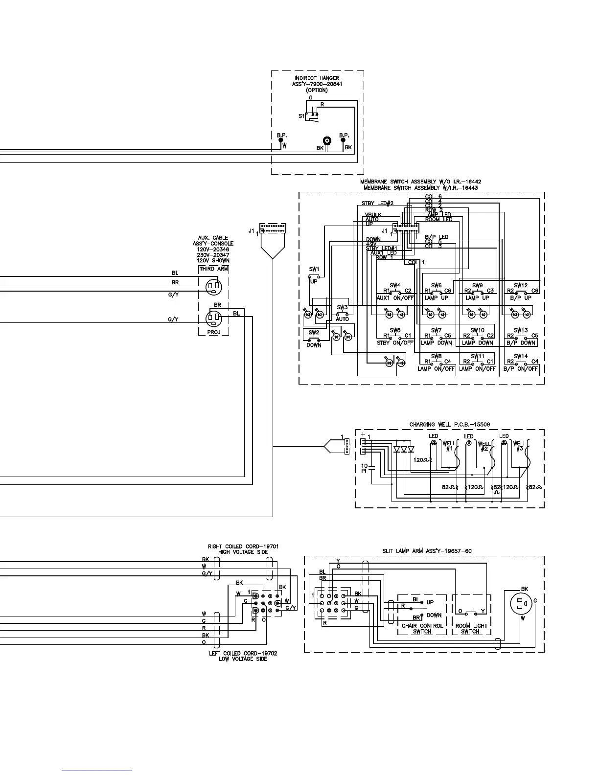
Reliance 7900 - CONSOLE WIRE DIAGRAM DETAILS; Console Wiring Connections

Reliance 7900
60 pages
Print Icon
To Next Page IconTo Next Page
To Next Page IconTo Next Page
To Previous Page IconTo Previous Page
To Previous Page IconTo Previous Page
Loading...
IN-7900 53

Table of Contents

Related product manuals