EasyManua.ls Logo

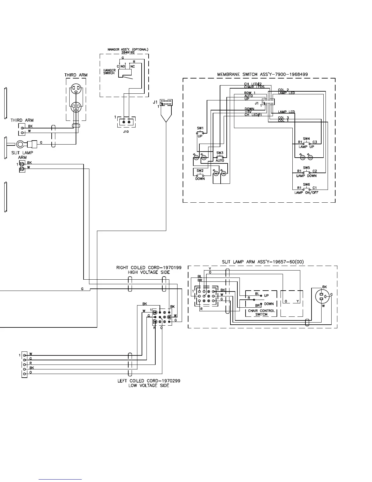
Reliance 7900 - BASE CAP WIRE DIAGRAM DETAILS; Base Cap Wiring Connections

Reliance 7900
60 pages
Print Icon
To Next Page IconTo Next Page
To Next Page IconTo Next Page
To Previous Page IconTo Previous Page
To Previous Page IconTo Previous Page
Loading...
IN-7900 55

Table of Contents

Related product manuals