EasyManua.ls Logo

REXROTH IndraDrive Mi - Dimensions

REXROTH IndraDrive Mi
70 pages
Print Icon
To Next Page IconTo Next Page
To Next Page IconTo Next Page
To Previous Page IconTo Previous Page
To Previous Page IconTo Previous Page
Loading...
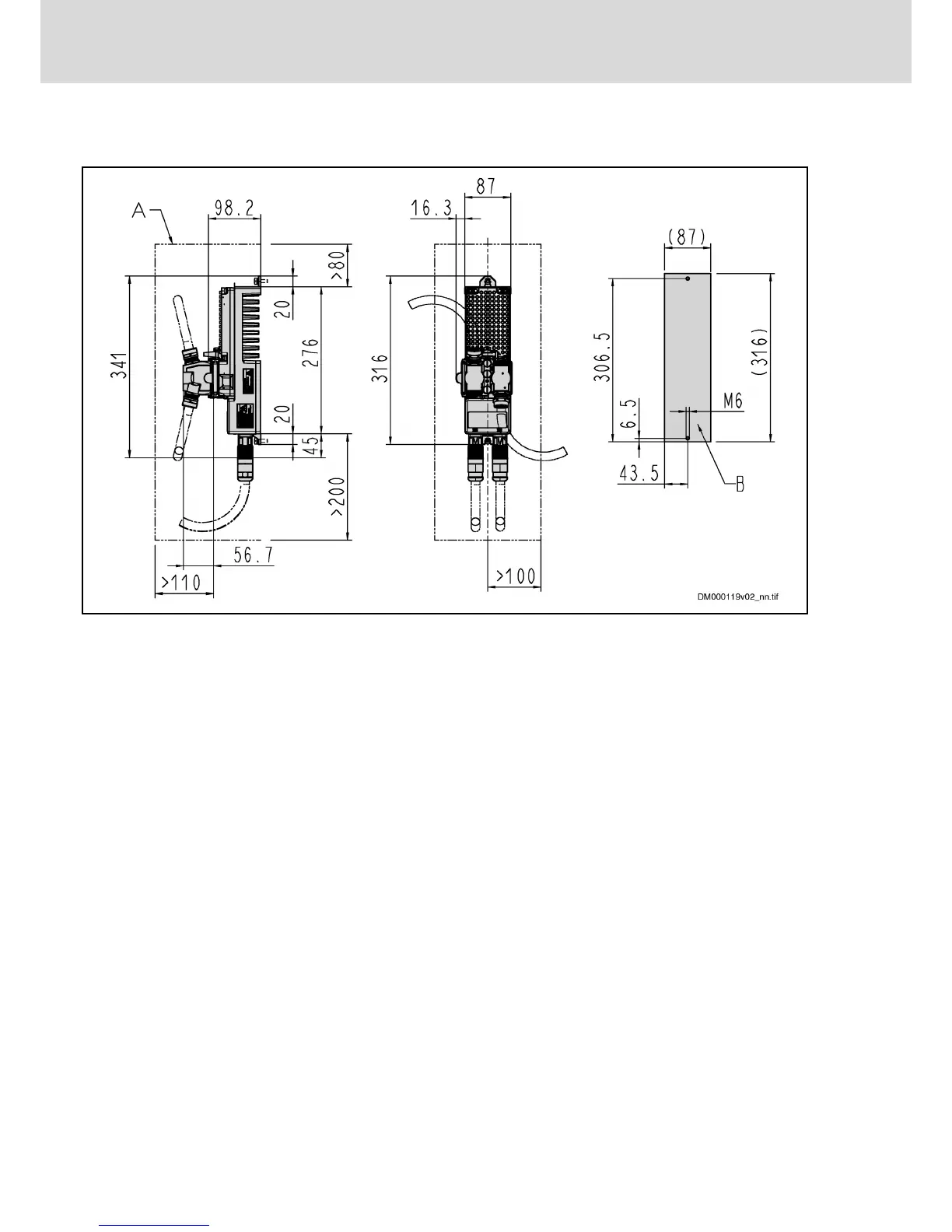
3.2 Dimensions
A Minimum mounting clearance
B Boring dimensions
Fig.3-2: Dimensions
Bosch Rexroth AG DOK-INDRV*-KMS01******-IT01-EN-P
Rexroth IndraDrive Mi Distributed Drive Controller KMS01
24/67
Ratings and Dimensions

Table of Contents

Related product manuals