EasyManua.ls Logo

Samsung Electronics DVM Series - Page 106

Samsung Electronics DVM Series
228 pages
Print Icon
To Next Page IconTo Next Page
To Next Page IconTo Next Page
To Previous Page IconTo Previous Page
To Previous Page IconTo Previous Page
Loading...
ΙΙΙ
47
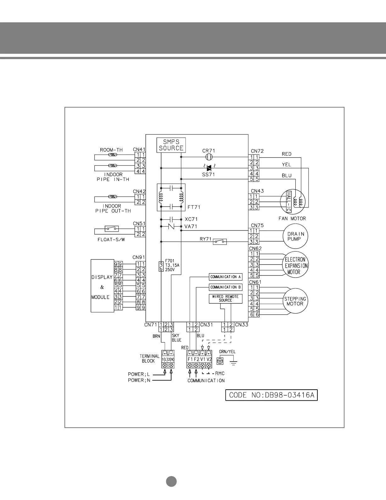
7. Electric circuit diagram
7-1. 1-way cassette type
(1) Cooling only (AVMKC
)
3-2.Indoor unit_TM_E_06890 2/27/03 10:14 AM Page 47

Table of Contents

Related product manuals