EasyManua.ls Logo

Samsung Electronics DVM Series - Page 164

Samsung Electronics DVM Series
228 pages
Print Icon
To Next Page IconTo Next Page
To Next Page IconTo Next Page
To Previous Page IconTo Previous Page
To Previous Page IconTo Previous Page
Loading...
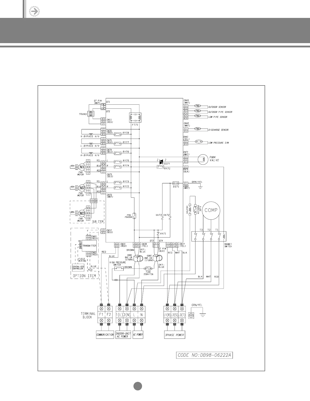
7. Electric circuit diagram
26
. Outdoor unit
ΙΛ
ΙΛ
(2)
✻✻
070
✻✻
4-2.Outdoor unit_TM_E_06890 2/27/03 10:15 AM Page 26

Table of Contents

Related product manuals