EasyManua.ls Logo

SCHUNK KSP3 - Ksp3-F

Default Icon
52 pages
Print Icon
To Next Page IconTo Next Page
To Next Page IconTo Next Page
To Previous Page IconTo Previous Page
To Previous Page IconTo Previous Page
Loading...
02.00 | KSP3, KSP3-LH, KSP3-F | Assembly and Operating Manual | en |
1463318
43
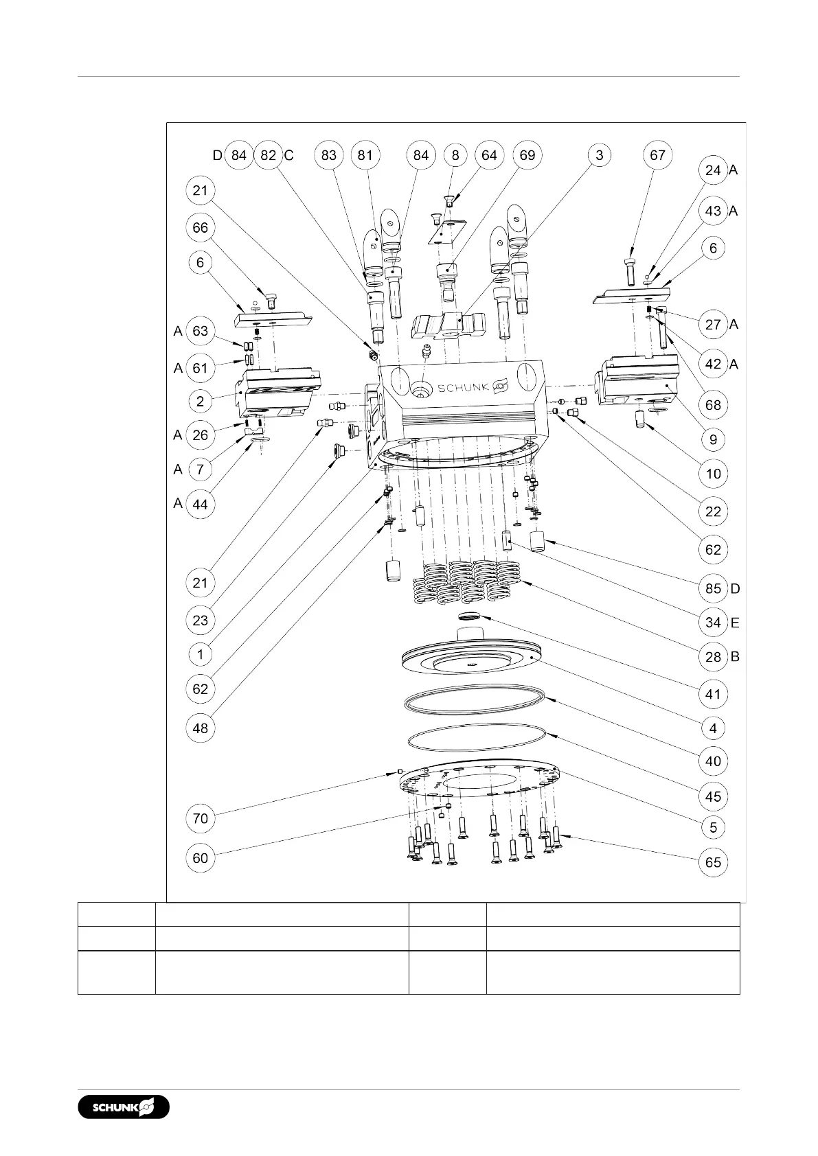
Assembly drawings
9.2 KSP3-F
A
with variant "PM"
B
with variant "AS"
C
Centering with fitting screws
D
Centering with clamping sleeves
E
Centering with cylindrical pins (Z
variant)

Related product manuals