EasyManua.ls Logo

SEA PUSH - APPLICATION EXAMPLES: WIRING DIAGRAMS; STAND ALONE DOOR LOCK WIRING

Default Icon
27 pages
Print Icon
To Next Page IconTo Next Page
To Next Page IconTo Next Page
To Previous Page IconTo Previous Page
To Previous Page IconTo Previous Page
Loading...
PUSH
English
Sistemi Elettronici
di Apertura Porte e Cancelli
International registered trademark n. 804888
®
APPLICATION EXAMPLES
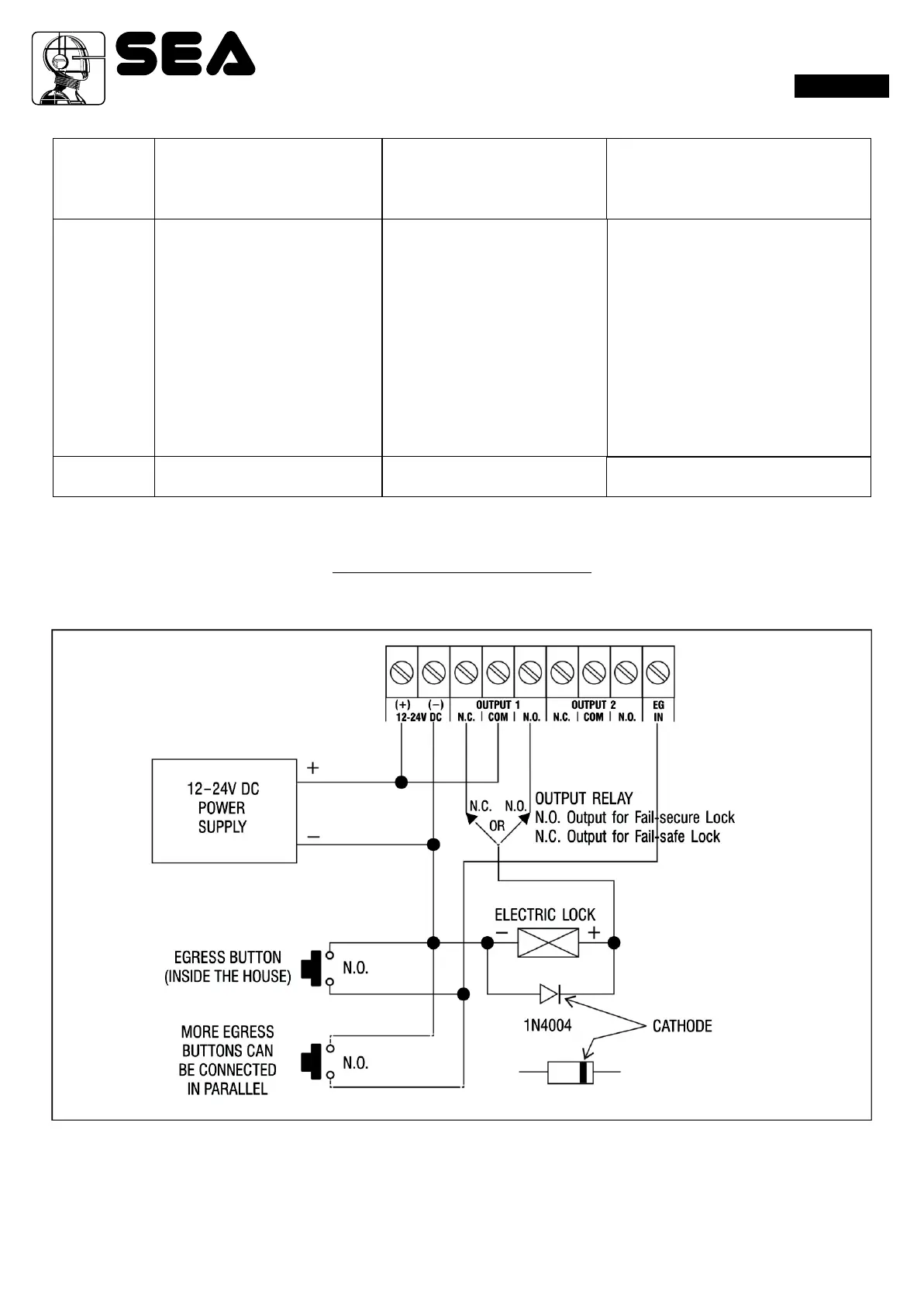
1) BASIC WIRINGS OF A STAND ALONE DOOR LOCK
DAP CODE-- Direct access
to programming mode. Valid
only in the power-up delay
Period
8080 #
8080
System in Programming Mode
USER PINs / Codes whole
group clearance Code- Key
in the Code to clear all the
users in the Location
LOCATIONS:
10--- User Group 1
20--- User Group 2
30--- User Group 3
40--- Vistor Group
41--- Duress Group 1
42--- Duress Group 2
43--- Duress Group 3
LOCATION NO. 0999 #
0999
TWhole group of users in the
selected
location are cleared
Exit Programming Code
* *
* *
The system back to normal operation
after programming
NOTE:
• Connect the 1N4004 as close as possible to the lock in parallel with the lock power terminals of the lock to absorb the back EMF to
prevent it from damaging the keypad. The 1N4004 is not required if the electric lock is AC operated.
• To avoid Electro-Static-Discharge from interfering with the operation of the keypad, always ground the (-) terminal of the keypad
to earth.
Always connect DOOR SENSOR terminal to ( -) ground if not used.
50 Rev. 01 - 05/201167411245

Table of Contents

Related product manuals