EasyManua.ls Logo

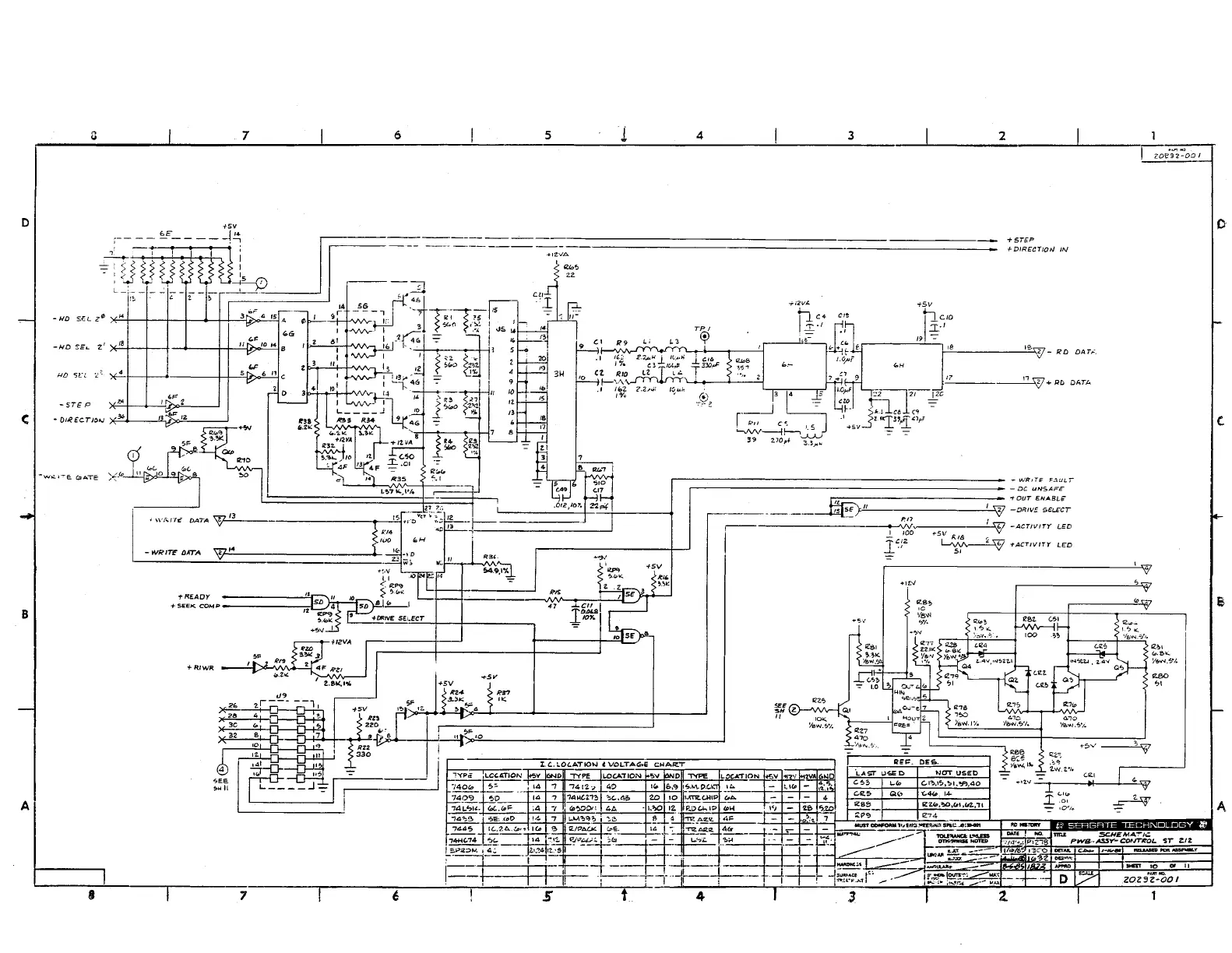
Seagate ST212 - Pcb 20292-XXX

Seagate ST212
54 pages
Print Icon
To Next Page IconTo Next Page
To Next Page IconTo Next Page
To Previous Page IconTo Previous Page
To Previous Page IconTo Previous Page
Loading...
7
6 5
l
4
3
2
1
LO~91:-0D
J
12.
...
..;,
\.?
"-
100
??
!-
__
-,-+-''''I."'W'''-;.'7·,.
L.~~
l2.~,
",.e.K.
Y&W,~·1.
lZBZ-
(.61
+Sï€P
+DIRECTlOrJ
IN
+1t.\J
r
-;:::========================:::
-r-
wR,TE
F.':l.ULï
-De
UNSAF€"
Li4""=;------------=-
~
OUT
ENABLé
_________
~~~}"
1 W
-DRIVE
SéLECT
---------~\,------Ic.W
-ACT/VITY
LED
1
100
rSV
fi,/d
2.
î~;Z
~
-t-ACTIVITY
LED
+IZVA
"..,
'1(
...5 V
---J-
--_.
__
.
__
.---==---=-============================
~'14
"",
"1.
..
,
+R/WR.
1-RE.ADY
+SIEEK
COMP
d::::...
1.7
(,',
\\'r
..
J"{e
DATA
~
......
---,I-"lS
+·I::~T·~-·':,~
IZ
Jo'C
1)
L
-=-~"'~R~I~Tr~D~AT.~"':"'~=~'[:"===========~:_=j'~«-
-tD
V .
z:
w~
W.:.f-/"-I
......
~~RA3A'
~9~
B
o
"'F
.
-
IID
$"::L
Z0
15.
~
,,~
"''''
-ND
~E~
Z'
lB
10
t4
8
'*'
IID
'SEl
~"
~
6
" C
,
D
-STE
P
c:
·DJRécTJO",;
34-
-""'l<.l-'-E;.
(,:;IATE
';.(-lP
A

Table of Contents

Related product manuals