EasyManua.ls Logo

Shibaura CM284 - Page 45

Shibaura CM284
219 pages
Print Icon
To Next Page IconTo Next Page
To Next Page IconTo Next Page
To Previous Page IconTo Previous Page
To Previous Page IconTo Previous Page
Loading...
44
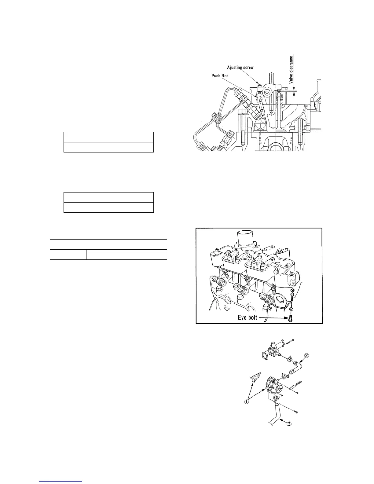
22. Valve clearance adjustment
Untighten the nut of the intake and exhaust valves
and adjust the clearance to 0.2 mm.
NOTE:
1. Adjust the valve clearance while cold.
2. Set the No. 1 cylinder at the compression TDC,
adjust the valve clearance of the No. 1 intake and
exhaust valves, and No. 2 exhaust valve, turn the
crankshaft 240° counterclockwise when viewed
from the front side, and adjust the No. 2 intake,
and No. 3 intake and exhaust valves.
Lock nut tightening torque
11.8 – 15.7 N·m {1.2 – 1.6 kgf·m}
23. Oil pressure switch
Oil pressure switch tightening torque
15 – 20 N·m {1.5 – 2.0 k
g
f·m}
24. Oil pipe
Eye bolt tightening torque
M8 10 – 13 N·m {1.0 – 1.3 kgf·m}
25. Water pump ass’y · Bypass hose
Install and tighten the gasket and water pump ass’y.
Connect the thermostat case and water pump case
with bypass hose.
Install the radiator hose.
26. Connector
081X
082X
083X

Table of Contents

Other manuals for Shibaura CM284

Related product manuals