EasyManua.ls Logo

Shibaura CM284 - Page 55

Shibaura CM284
219 pages
Print Icon
To Next Page IconTo Next Page
To Next Page IconTo Next Page
To Previous Page IconTo Previous Page
To Previous Page IconTo Previous Page
Loading...
54
2) Disassembly
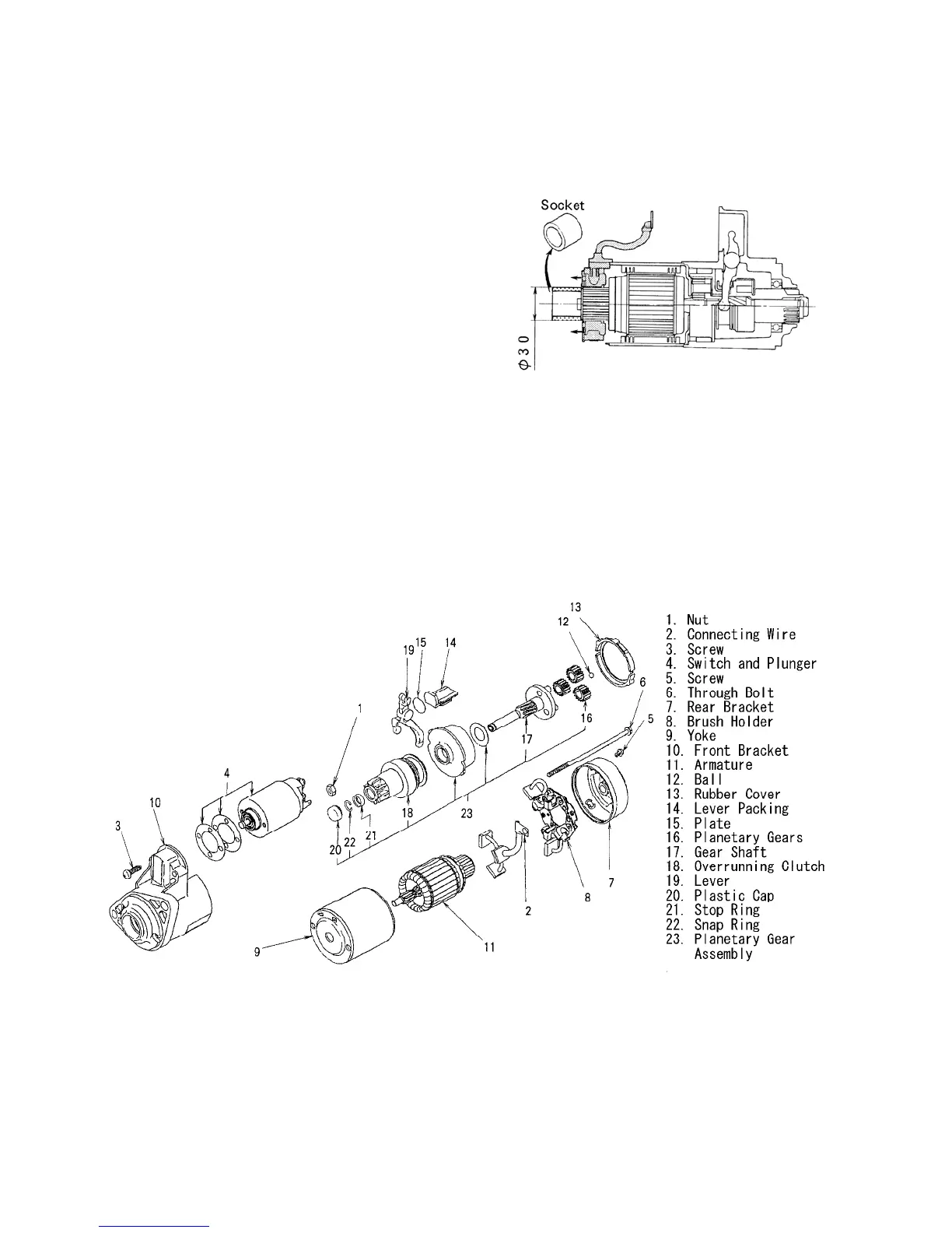
Reference Figure 104X
NOTE:
1. Before disassembling starter, be sure to put
match marks at two locations (switch and yoke)
so that any possible mistake can be avoided.
2. Do not clamp yoke in a vise or strike it with a
hammer during repair operations. Permanent
magnets attached to yoke could be broken and
yoke dented or deformed if mishandled.
Remove switch terminal nut (1) and disconnect
connecting wire (2).
Remove screws (3) securing switch and remove
switch and plunger (4).
Remove brush holder securing screws (5) and
through bolts (6).
Remove rear bracket (7) but do not remove
brush holder (8).
Install a socket (outer diameter 30mm) on the
armature commutator, see Figure 103X.
Then slide the brush holder (8) onto the socket.
Leave the socket in position in the brush holder
for inspection and reassembly.
103X
104X

Table of Contents

Other manuals for Shibaura CM284

Related product manuals