EasyManua.ls Logo

SICK UE403 - Connection diagrams; M4000 Advanced with UE403 and UE10-30 S

SICK UE403
48 pages
Print Icon
To Next Page IconTo Next Page
To Next Page IconTo Next Page
To Previous Page IconTo Previous Page
To Previous Page IconTo Previous Page
Loading...
Operating Instructions Chapter 6
UE403
8010854/WP71/2012-11-28 © SICK AG • Industrial Safety Systems • Germany • All rights reserved 23
Subject to change without notice
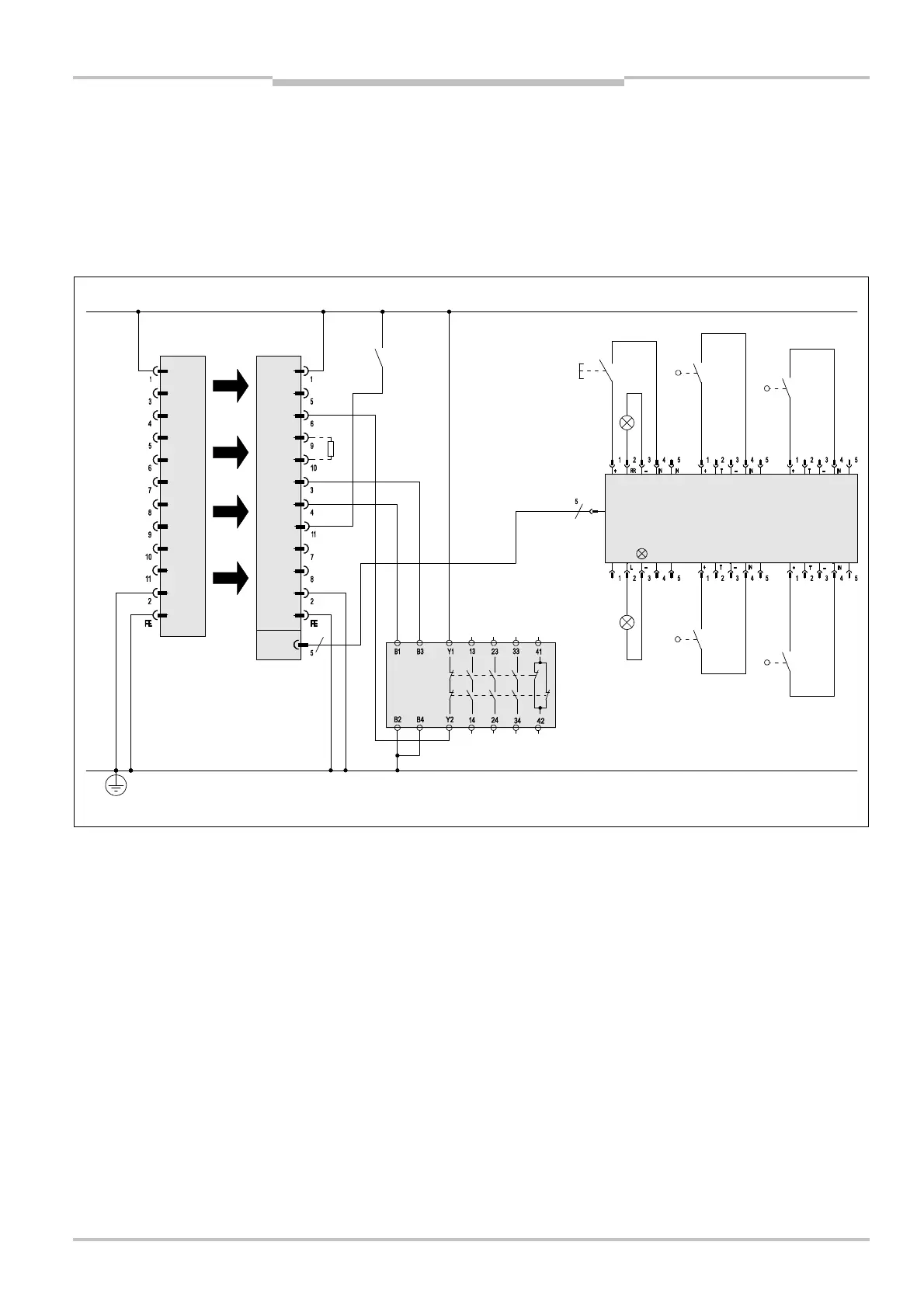
Connection diagrams
6 Connection diagrams
You can realise numerous applications on the field-signal connections. This chapter
describes some typical installations.
6.1 M4000 Advanced with UE403 and UE10C30S
Fig. 11: Connection diagram M4000 Advanced with UE403 and UE10:30S
+24 V
0 V
PELV
M4000
Advanced
M4000
Advanced
FE
G
ND
n. c.
EFI
B
EFI
A
n. c.
n. c.
n. c.
n. c.
T
est
+24 V
+24 V
R
eset
EDM
EFI
A
n. c.
EFI
B
OSSD1
OSSD2
B
elt
st./C1
ADO
Reset
req.
GND
FE
COM
UE10-30S
UE403
S1
A1
A
2
H3
Reset/
O
verride
A1
A2
C
OM
B
2
B
1
H1
B2
B1

Table of Contents

Related product manuals