EasyManua.ls Logo

SICK UE403 - M4000 Advanced A;P with UE403 and relay

SICK UE403
48 pages
Print Icon
To Next Page IconTo Next Page
To Next Page IconTo Next Page
To Previous Page IconTo Previous Page
To Previous Page IconTo Previous Page
Loading...
Operating Instructions Chapter 6
UE403
8010854/WP71/2012-11-28 © SICK AG • Industrial Safety Systems • Germany • All rights reserved 25
Subject to change without notice
Connection diagrams
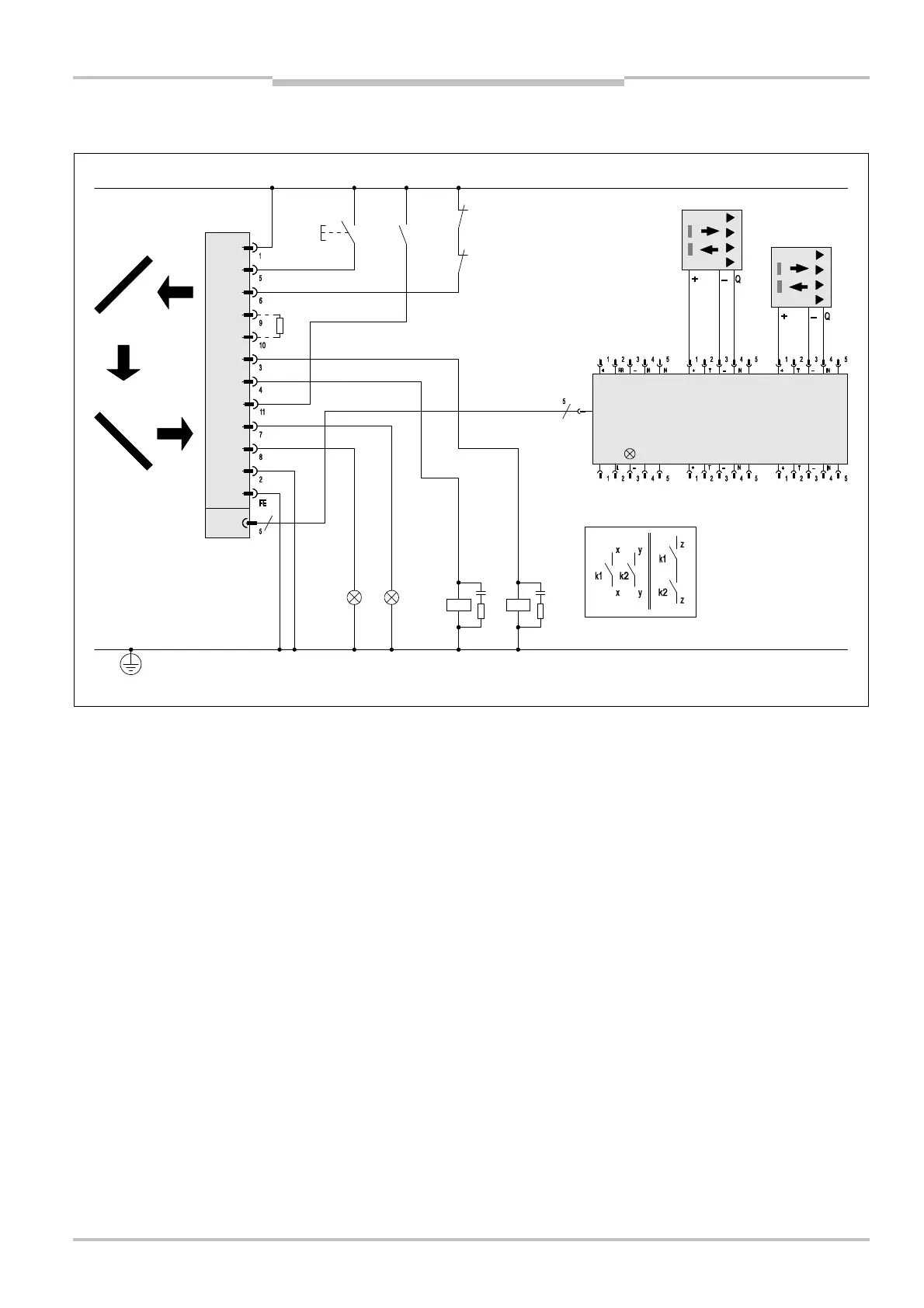
6.3 M4000 Advanced A/P with UE403 and relay
Fig. 13: Connection diagram M4000 Advanced A/P with UE403 and relay
+24 V
0 V
PELV
M4000
Advanced A/P
+
24 V
R
eset
EDM
EFI
A
EFI
B
OSSD1
O
SSD2
Belt
s
t./C1
ADO
Reset
r
eq.
GND
F
E
C
OM
UE403
A
2
A
1
Reset/
Override
A1
A2
COM
B2
B1
k1
S1
S7
k2

Table of Contents

Related product manuals