EasyManua.ls Logo

Siemens 3TK28 - Page 126

Siemens 3TK28
206 pages
Print Icon
To Next Page IconTo Next Page
To Next Page IconTo Next Page
To Previous Page IconTo Previous Page
To Previous Page IconTo Previous Page
Loading...
Description of the individual safety relays
3.7 3TK28 safety relays with solid-state enabling circuits
3TK28 safety relays
126 Manual, 07/2016, NEB926157502000/RS-AB/003
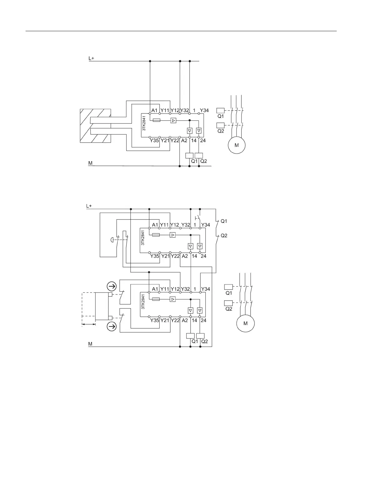
Figure 3-54 Safety shutdown mat
Figure 3-55 Cascading

Table of Contents

Related product manuals