EasyManua.ls Logo

Siemens 3TK28 - Page 134

Siemens 3TK28
206 pages
Print Icon
To Next Page IconTo Next Page
To Next Page IconTo Next Page
To Previous Page IconTo Previous Page
To Previous Page IconTo Previous Page
Loading...
Description of the individual safety relays
3.7 3TK28 safety relays with solid-state enabling circuits
3TK28 safety relays
134 Manual, 07/2016, NEB926157502000/RS-AB/003
Converter
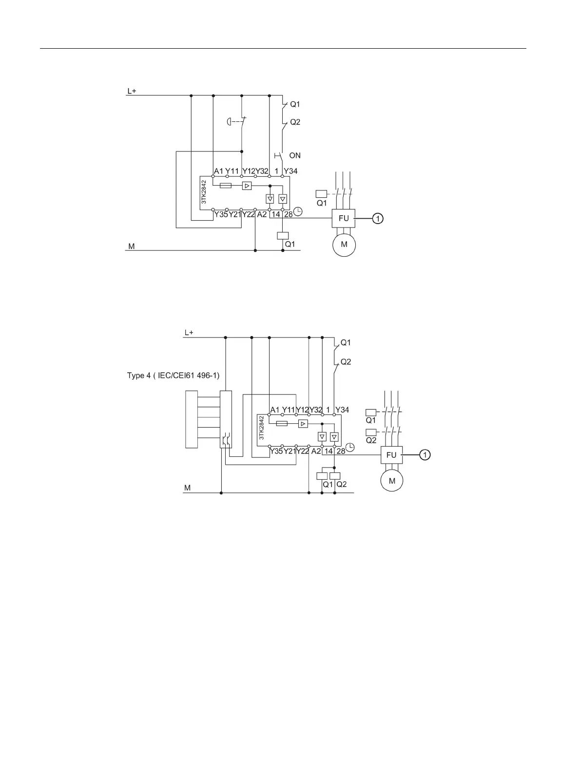
Figure 3-60 EMERGENCY STOP, monitored start (1-channel)
Frequency converter without safety function
Figure 3-61 Light array monitoring, (2-channel) without cross-circuit detection

Table of Contents

Related product manuals