EasyManua.ls Logo

Siemens 3TK28 - Page 135

Siemens 3TK28
206 pages
Print Icon
To Next Page IconTo Next Page
To Next Page IconTo Next Page
To Previous Page IconTo Previous Page
To Previous Page IconTo Previous Page
Loading...
Description of the individual safety relays
3.7 3TK28 safety relays with solid-state enabling circuits
3TK28 safety relays
Manual, 07/2016, NEB926157502000/RS-AB/003
135
Converter
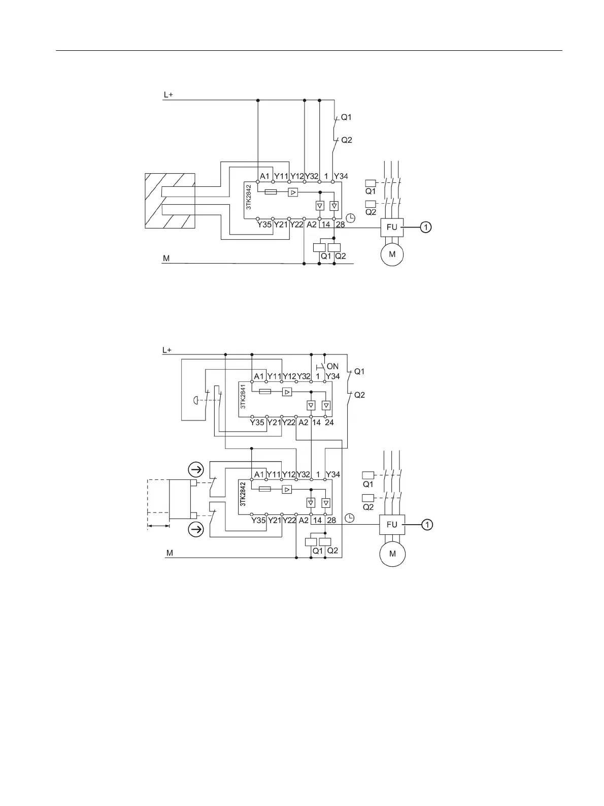
Figure 3-62 Safety shutdown mat, autostart (2-channel)
Converter
Figure 3-63 Cascading, EMERGENCY STOP + protective door monitoring, (2-channel)

Table of Contents

Related product manuals