EasyManua.ls Logo

Siemens 6RA8085-6DS22

Siemens 6RA8085-6DS22
758 pages
To Next Page IconTo Next Page
To Next Page IconTo Next Page
To Previous Page IconTo Previous Page
To Previous Page IconTo Previous Page
Loading...
Connecting
6.4 Power connections
SINAMICS DCM DC Converter
Operating Instructions, 12/2018, A5E34763375A
129
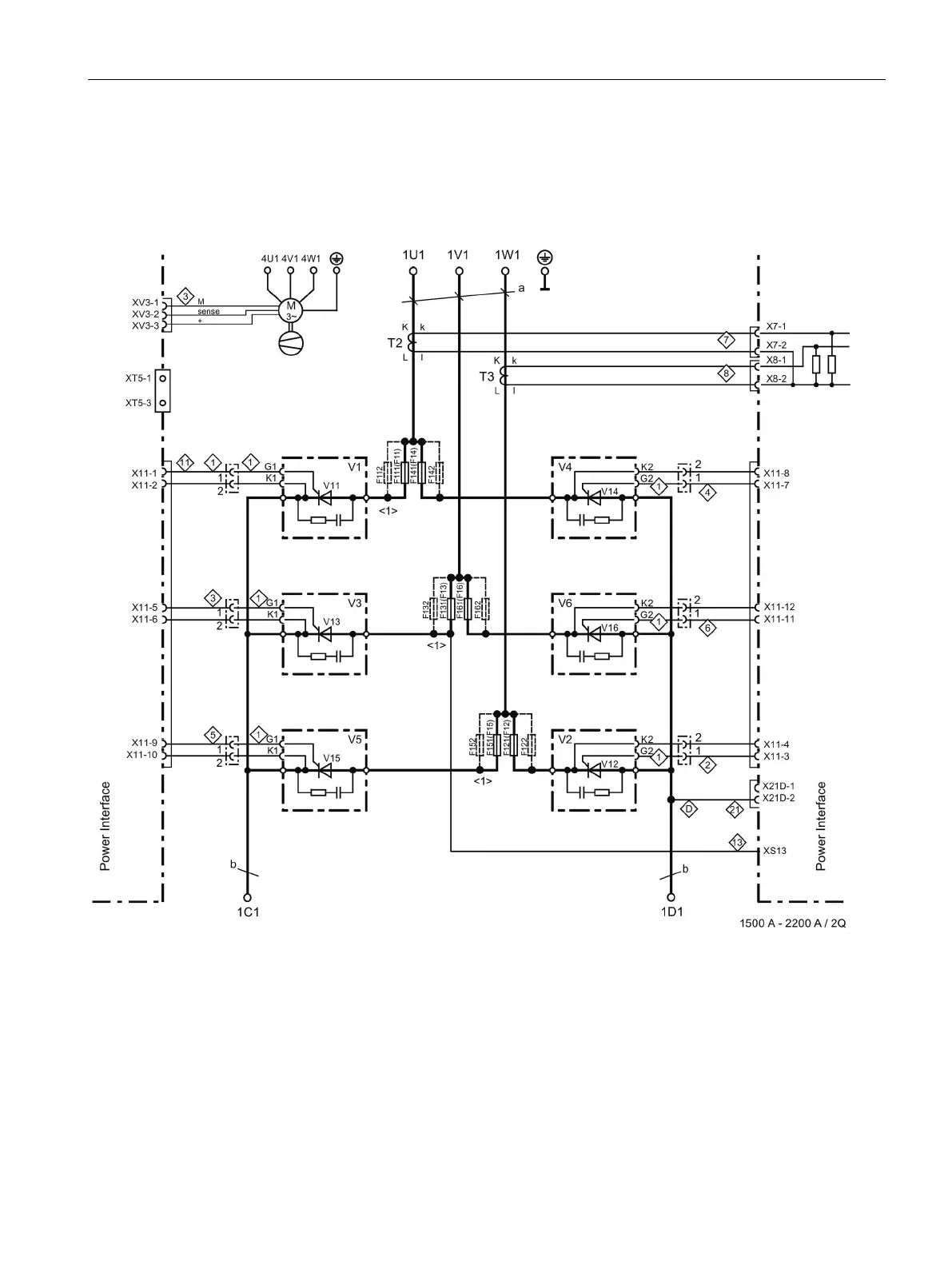
1500 to 2000 A and 575 V/2200 A/2Q devices
6RA8093-4DS22-0AA0, 6RA8093-4GS22-0AA0, 6RA8093-4KS22-0AA0,
6RA8093-4LS22-0AA0, 6RA8095-4DS22-0AA0, 6RA8095-4GS22-0AA0,
6RA8095-4KS22-0AA0, 6RA8095-4LS22-0AA0, 6RA8096-4GS22-0AA0
<1> For number of fuses, refer to the chapter "Fuses"
a = 120 x 10 mm, b = cross-section 60 x 10 mm / width 323 mm
Figure 6-30 Power connections for 1500 to 2000 A and 575 V/2200 A/2Q devices

Table of Contents

Related product manuals